定義
薄膜電容(FilmCapacitor)以薄膜為電介質,以鋁或鋅鋁複合金屬為電極,通過專業設備卷繞而成。
分類
薄膜電容以電介質的種類又被分為聚乙酯電容(又稱Mylar電容),聚丙烯電容(又稱PP電容),聚苯乙烯電容(又稱PS電容)和聚碳酸電容。
基本特性
薄膜電容器由於具有很多優良的特性,因此是一種性能優秀的電容器。它的主要等性如下:無極性,絕緣阻抗很高,頻率特性優異(頻率回響寬廣),而且介質損失很小,高可靠性,耐電流能力強,基於以上的優點,所以薄膜電容器主要套用在電源、家電,工業控制,風電光伏,照明,新能源汽車等領域。
套用分類
1.抗干擾安規電容(X1/X2):
廣泛適用於前端跨接抑制電磁干擾。工作於工頻交流電路,該電容不允許出現由於電源異常波動而導致的短路及起火等失效模式。該電容在工藝結構上為低熔點的鋁鋅金屬化膜層,並採用符合阻燃性能達到UL94/V-0級標準的環氧樹脂及塑膠殼包封,因此可保證在瞬間擊穿時有極快的自愈特性和阻燃特性。所以在電源抑制干擾電路必須使用經過國家法定認證機構安規認證的交流薄膜電容,而不能使用直流型電容器。
![]() | ![]() |
2.阻容降壓薄膜電容
阻容降壓電路因其設計簡單,體積小,成本低的優勢,廣泛套用於LED電源/電錶/智慧型控制等小電流電源驅動,
降壓電路設計注意事項:因普通濾波電容如有容量衰減,電子設備還可以工作,但阻容降壓電容如有容量衰減或爆裂,將會出現供應電流下降,導致設備出現故障,故對阻容降壓電容的壽命要求很高,特別是連續性使用的機種,現在很多使用這種電容降壓設計的廠家出現批量性故障,所以選擇電容方面一定要慎重。
![]() | ![]() |
3.直流濾波薄膜電容:
套用於整流後濾波,得到平滑的直流。
![]() | ![]() |
4.馬達啟動電容:
用於單項電動機起動和運轉,此電容給電壓和電流一個角位相位角,幫助單項電動機得以啟動.分為一般啟動電容和達到S3安全防護啟動電容。
![]() | ![]() |
5.RC組合薄膜電容:
吸收能量尖峰和阻尼作用,廣泛用於電磁繼電器和開關接點的保護,抑制接點的震顫和火花,廣泛套用於空調。
![]() | ![]() |
6.旁路和耦合薄膜電容
主要套用於旁路、耦合、隔直、退耦電路。
![]() | ![]() |
7.LC諧振電容:
LC諧振迴路是高頻電路里最常用的無源網路,包括並聯迴路和串聯迴路兩種結構類型。利用LC諧振迴路的幅頻特性和相頻特性,不僅可以進行選頻,即從輸入信號中選擇出有用頻率分量而抑制掉無用頻率分量或噪聲(例如在選頻放大器和正弦波振盪器中)。
![]() | ![]() |
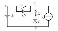
8.IGBT吸收薄膜電容:
IGBT保護電路/高頻脈衝吸收/廣泛套用於逆變器.電焊機.UPS等產品。
![]() | ![]() |
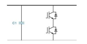
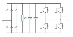
9.DC-Link濾波電容:
大電流濾波,用於變頻器,工業電源,逆變器及電動汽車。
![]() | ![]() |
10.交流輸出濾波電容:
用於UPS、DC/AC逆變器中的LCL濾波。
使用注意事項
訂購時
在訂購薄膜電容器時,請查詢確認以下事項。
1.使用電壓:DC、AC、
2.額定靜電容量及允許偏差
3.工作溫度範圍
4.特殊使用條件:電壓/電流波形、波峰值及有效值、頻率、脈衝等
5..預測故障模式:電容器的故障對其他部件的影響,以及其他部件、電路的異常對電容器的影響等。
6..焊接條件
7.使用環境:如使用環境有高溫或高濕情況,應與生產廠家溝通好。
使用時
1額定電壓
額定電壓為在額定溫度下,可以連續施加於電容器的峰值電壓(直流電壓與個別規格所規定
的交流電壓峰值之和)的最大值。除X2/HQF及特殊電容器外,電子設備用電容器的額定電壓通常以DC值表示。
1)DC額定品使用於AC電路(除去跨接電源線電容器)中時,會有發熱和放電等情況。
2)工作溫度引起的額定電壓的降低。
在高溫下使用電容器時,應高溫劣化,會導致壽命減短。若在高溫下使用,請按照以下圖表降低工作電壓。

3產品溫升
因紋波電流、交流電壓、高頻電路等導致的薄膜電容器自身發熱。若發熱較大時,會有電容器性能劣化、損傷的可能。使用時可控制電容器自身溫度上升小於5℃。



















