基本概念
船用燃氣輪機亦稱“艦船用燃氣輪機”。用來 驅動船舶推進裝置(螺鏇槳)的燃氣 輪機。與船用的柴油機或汽輪機機 組相比,具有可節省機艙面積,起動 快,從而可提高艦船機動性,維護簡 單,所需運行人員較少等許多優點。 船用燃氣輪機基本上採用航空燃氣 輪機改型,其基本型式為雙軸或三 軸簡單循環燃氣輪機,並且還在研 制*蒸汽-燃氣聯合循環船用燃氣輪 機。目前使用的船用燃氣輪機參數 如下: 有效功率3000~20000kW (約合4000~27000馬力),油耗率 235~260 g/(kW·h)[約合176~ 195克/(馬力·時)],較先進機組的 大修間隔期一般可達8000小時以 上。當今,船用燃氣輪機普遍採用 “箱裝體”結構,它是將船用燃氣輪 機的進氣系統、輔助設備以及滅火 設備連同其鋼底座等都組裝於一箱 體之中。在箱體上裝有許多燃油、 潤滑油、水、空氣、電氣和控制系統 的標準接頭。採用箱裝體的目的是 為了隔音,隔熱,便於單獨通風,抗 核污染,抗生物和化學污染,可降低 機艙內的噪聲和溫度,並便於調換 機組。
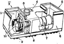
船用燃氣輪機1.進氣室 2.空氣進入口 3. 冷卻通風口 4.天窗 5.渦輪 排氣口 6.箱體外殼 7.燃氣 輪機 8.檢修孔 9.減震器 10.壓縮機進氣口
燃氣輪機工作原理
燃氣輪機是以空氣為介質,靠高溫燃氣推動渦輪機械連續做功的大功率、高性能動力機械。它主要是由壓氣機、燃燒室和渦輪三大部件組成,再配以進氣、排氣、控制、傳動和其他輔助系統。當燃氣輪機機組起動成功後,燃氣輪機就會開始進入穩定的熱力學循環過程。 壓氣機連續不斷地從外界大氣中吸入空氣並增壓,這個過程可以認為是壓氣機動能向空氣熱能和勢能的轉換,被壓縮後的空氣溫度升高有利於與燃料進行更猛烈的化學反應(化學反應速度和程度與溫度成正比),更大的膨脹比也有利於壓縮空氣燃燒後釋放更大的能量。 壓縮空氣從壓氣機出來後即進入燃燒室,首先會在燃燒室進口被噴入燃料進行摻混,然後就會點火燃燒。這個過程可以認為是燃料化學能向空氣熱能和勢能的轉換,在短短几十厘米的距離內空氣的溫度上升數百甚至上千度,壓力也會激增。高溫高壓的燃氣從燃燒室出口噴出,就開始膨脹,在膨脹的同時推動渦輪葉片做功。這個過程就是燃氣熱能和勢能向動能的轉化 。渦輪將燃氣的能量轉化為動能後,一方面用於壓氣機壓縮空氣持續進行熱力學循環,另外一方面由主軸將轉子的扭矩輸出,經過減速器減速以後用於推動軍艦。整個熱力學循環完成使得燃氣輪機實現了燃料化學能向機械能轉換的最終目的。
燃氣輪機類型
我國的重工業起步較晚,1962年上海汽輪機廠試製船用燃氣輪機,1964年與上海船廠合作製成550KW燃氣輪機,1965年製成6000KW列車電站燃氣輪機,1971年製成3000KW卡車電站。在這期間還與703研究所合作製造了3295KW、4410KW、18380KW等幾種船用燃氣輪機。 1969年哈爾濱汽輪機廠製成2200KW機車燃氣輪機和1000KW自由活塞式燃氣輪機,1973年與703研究所合作製成4410KW船用燃氣輪機,與長春機車車輛廠合作製成3295KW機車燃氣輪機。 1964年南京汽輪電機廠製成1500KW電站燃氣輪機;1970年製成37KW泵用燃氣輪機;1972年製成1000KW電站燃氣輪機;1977年製成21700KW快裝式電站燃氣輪機;1984年與GE公司合作生產了PG6541B型36000KW燃氣輪機;從1984年至2004年已生產了PG6541B型、PG6551B型、PG6561B型、PG6581B型四種型號燃氣輪機,功率由36000KW上升到43660KW。2003年國家發改委決定南京汽輪電機集團有限責任公司與GE公司進一步擴大合作生產範圍,在南京汽輪電機集團有限責任公司生產S209E型燃氣-蒸汽聯合循環發電裝置中的燃氣輪機、汽輪機和發電機。 1978年東方汽輪機廠製成6000KW燃氣輪機;1972年杭州汽輪機廠製成200KW燃氣輪機;1972年青島汽輪機廠製成1500KW卡車電站燃氣輪機。 2003國家發改委決定在秦皇島建一座燃氣輪機生產基地,與美國GE公司合作生產MS9001FA型燃氣輪機。該生產基地隸屬於哈電集團,與哈爾濱汽輪機廠、哈爾濱電機廠共同生產S109FA-SS型燃氣-蒸汽聯合循環發電設備。2004年8月在秦皇島組裝的第一台MS9001FA型燃氣輪機已發運到杭州半山電廠。
發展
我國從烏克蘭引進了某型大 功率船用燃氣輪機,已經國產化 研製成功,提高了我國船用燃氣 輪機自主研製的起點,為我國船 用燃氣輪機的系列發展提供了良 好的基礎機型。以該型燃氣輪機 為基礎機型,通過壓氣機模化設 計、壓氣機加級等方式,形成覆蓋 一定功率範圍的系列燃氣輪機, 可滿足我國艦船發展的需求。此 外,該型燃氣輪機為三轉子結構, 從結構上適合利用先進的複雜循 環提高其性能,通過問冷回熱循 環或燃蒸聯合循環等方式研製更 大功率的船用燃氣輪機。 船用燃氣輪機功率通常不超 過40 MW,屬於輕型燃機,為了 更好的開發研製和擴大套用,應 該巨觀考慮到輕型燃氣輪機的應 用,統籌考慮。 同時,利用引進的先進機組 作用母型機,採用通用性設計 (比例放彤比例縮小、壓氣機模 化設計、壓氣機加級/減級等)開 發出功率加大型和功率減小型機組,形成所需功率範圍的系列燃 氣輪機是一條現實可行的發展 途徑。 我國正在大力發展航空發動 機,隨著性能先進的航空發動機 逐步成熟、可靠,將為船用燃氣輪 機的發展提供可改型的母型機, 形成我國船用燃氣輪機的另一條 發展途徑。

