簡介
立式止回閥是指依靠介質本身流動而 自動開、閉閥瓣,用來防止介質倒流的閥門,又稱逆止閥、單向閥、逆流閥、和背壓閥。止回閥屬於一種自動閥門,其主要作用是防止介質倒流、防止泵及驅動電動機反轉,以及容器介質的泄放。止回閥還可用於給其中的壓力可能升至超過系統壓的輔助系統提供補給的管路上。止回閥主要可分為鏇啟式止回閥(依重心鏇轉)與升降式止回閥(沿軸線移動)。
這種類型的閥門的作用是只允許介質向一個方向 流動,而且阻止方向
立式止回閥結構圖流動。通常這種閥門是自動工作的,在一個方向流動的流體壓力作用下,閥瓣打開;流體反方向流動時,由流體壓力和閥瓣的自重合閥瓣作用於閥座,從而切斷流動。
其中 內螺紋止回閥,
蝶式止回閥就屬於這種類型的閥門,它包括鏇啟式止回閥和升降式止回閥。鏇啟式止回閥有一介鉸鏈機構, 還有一個像門 一樣的閥瓣自由地靠在傾斜的閥座表面上。為了確保閥瓣每次都能到達閥座面的合適位置,閥瓣設計在鉸鏈機構,以便閥瓣具有足夠有鏇啟空間,並使閥瓣真正的、全面的與閥座接觸。閥瓣可以全部用金屬製成,也可以在金屬上鑲嵌皮革、橡膠、或者採用合成復蓋面,這取決於使用性能的要求。 鏇啟式止回閥在完全打開的狀況下,流體壓力幾乎不受阻礙,因此通過閥門的壓力降相對較小。升降式止回閥的閥瓣坐落位於閥體上閥座密封面上。此閥門除了閥瓣可以自由地升降之外,其餘部分如同截止閥一樣,流體壓力使閥瓣從閥座密封面上抬起,介質回流導致閥瓣回落到閥座上,並切斷流動。根據使用條件,閥瓣可以是全金屬結構,也可以是在閥瓣架上鑲嵌橡膠墊或橡膠環的形式。像截止閥一樣,流體通過 升降式止回閥的通道也是狹窄的,因此通過升降式止回閥的壓力降比鏇啟式止回閥大些,而且鏇啟式止回閥的流量受到的限制很少。
用途和性能規範
本閥門用於工業管道上作阻止介質逆流的裝置。
性能規範:
試驗壓力: 公稱壓力( MPa ) 1.6 / 2.5 / 4.0 ;150Lb-900Lb
殼體試驗: 2.4/ 3.8 / 6.0 ;psig425-psig3250
密封試驗: 1.8 /2.8/ 4.4;psig300-psig2400
閥體材料: WCB(C) /CF8(P) /CF 8M (R) /WC6 /WC9 ;20#,A105
工作溫度: ≤ 425 / ≤ 100 /≤ 100/ ≤ 550 /≤ 550 ;
適用介質: 水、蒸汽、油品 、硝酸類、 醋酸類、
執行標準:設計製造: GB12235 ,AP!6D,BS結構長度: GB12221 ,ASME/ANSI16.10,API6D連線法蘭: JB/T79-1994 ,GB/9113,ASME/ANSI16.5,API605
試驗與檢驗: JB/T9092-1999,API598,API6D
立式止回閥作用原理和結構說明
本閥門在使用過程中,介質按圖示箭頭方向流動。
1,當介質按規定方向流動時,閥瓣受介質力的作用,被開啟;介質逆流時,因閥瓣自重和閥瓣受介質反向力的作用,使閥瓣與閥座的密封面密合而關閉,達到阻止介質逆流的目的。
2,閥體及閥瓣的密封面採用不鏽鋼堆焊。
3,本閥門的結構長度按GB12221-1989的規定,法蘭連線尺寸按JB/T79-1994的規定。
立式止回閥主要零件的材料
施工、安裝要點1)、安裝位置、高度、進出口方向必須符合設計要求,注意介質流動的方向應與閥體所標箭頭方向一致,連線應牢固緊密。
2)、閥門安裝前必須進行外觀檢查,閥門的銘牌應符合現行國家標準《通用閥門標誌》GB 12220的規定。對於工作壓力大於1.0 MPa 及在主幹管上起到切斷作用的閥門,安裝前應進行強度和嚴密性能試驗,合格後方準使用。強度試驗時,試驗壓力為公稱壓力的1.5倍,持續時間不少於5min,閥門殼體、填料應無滲漏為合格。嚴密性試驗時,試驗壓力為公稱壓力的1.1倍;試驗持續的時間符合GB 50243的要
| 零件名稱 | 閥體、閥蓋、閥瓣 | 密封面 | 搖桿 | 銷軸 | 墊片 |
| 零件材料 | 碳鋼 | 堆焊硬質合金 | 碳鋼 | 鉻不鏽鋼 | 柔性石墨+304 |
立式止回閥安裝和使用
1,本閥門通路兩端須堵塞,存在乾燥通風的室內。如長期存放,應經常檢查防鏽蝕。
2,安裝前應將閥門清洗乾淨,並消除在運輸過程中造成的缺陷。
3,安裝時必須仔細核對閥門上的標誌和銘牌是否符合使用要求。
4,本閥門安裝在水平管道上,閥蓋向上。
主要特點
立式止回閥具有以下兩個優特點:
1、立體式止回閥有法蘭和對夾之分,具有結構簡單,零部件少,分量輕等特點。立式止回閥主要用於需防止介質倒流的各種工況場合。
2、立式止回閥用於立式安裝時可不設彈簧,利用閥瓣自身的重量及流體回流的壓力起止回作用。
一、主要性能規範
| 型號 | 公稱壓力 PN(MPa) | 試驗壓力SP(MPa) | 適用溫度 (℃) | 適用介質 | |
| 殼體 | 密封 | | | | |
| A | 2.5 | 3.8 | 2.8 | ≤200 | 硝酸類 |
| B | 醋酸類 | | | | |
| C | 4.0 | 6.0 | 4.4 | 水、油品 | |
| D | | | | | |
| E | | | | | |
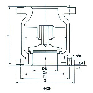
二、主要外形尺寸和連線尺寸(MM)
| 型號 | 公稱通徑 DN(mm) | 尺寸(mm) | | | | | | | | |
| L | D | D1 | D2 | b | f | Z-Φ | | | | |
| 系列1 | 系列2 | 系列3 | | | | | | | | |
| A B | 15 | - | 85 | 85 | 95 | 65 | 45 | 16 | - | 4-Φ14 |
| 20 | - | 95 | 95 | 105 | 75 | 55 | 16 | - | 4-Φ14 | |
| 25 | - | 100 | 105 | 115 | 85 | 65 | 16 | - | 4-Φ14 | |
| 32 | - | 105 | 150 | 135 | 100 | 78 | 16 | - | 4-Φ14 | |
| 40 | - | 115 | 160 | 145 | 110 | 88 | 18 | - | 4-Φ14 | |
| 50 | 140 | 125 | 170 | 160 | 125 | 100 | 20 | 3 | 4-Φ14 | |
| 65 | 160 | 145 | 180 | 180 | 145 | 120 | 22 | 3 | 8-Φ18 | |
| 80 | 185 | 155 | 200 | 195 | 160 | 135 | 22 | 3 | 8-Φ18 | |
| 100 | 210 | 210 | 210 | 230 | 190 | 160 | 24 | 3 | 8-Φ23 | |
| 125 | - | 275 | 275 | 275 | 220 | 188 | 28 | 3 | 8-Φ25 | |
| 150 | 300 | 225 | 300 | 300 | 250 | 218 | 30 | 3 | 8-Φ25 | |
| 200 | 380 | 380 | 380 | 360 | 310 | 278 | 34 | 3 | 12-Φ25 | |
美標主要安裝尺寸與重量
| Class 150 | |||||||||||||
| 25 | 40 | 50 | 65 | 80 | 100 | 125 | 150 | 200 | 250 | 300 | 350 | 400 | |
| 1 | 1- 1/2 | 2 | 2- 1/2 | 3 | 4 | 5 | 6 | 8 | 10 | 12 | 14 | 16 | |
| 114 | 146 | 159 | 178 | 190 | 216 | 241 | 254 | 305 | 356 | 457 | 533 | 572 | |
| 108 | 127 | 152 | 178 | 190 | 229 | 254 | 279 | 343 | 406 | 483 | 533 | 597 | |
| 7 | 13 | 20 | 35 | 39 | 55 | 80 | 90 | 182 | 258 | 422 | 515 | 630 | |

