組成結構
在鍵盤中按鍵數量較多時,為了減少I/O口的占用,通常將按鍵排列成矩陣形式。在矩陣式鍵盤中,每條水平線和垂直線在交叉處不直接連通,而是通過一個按鍵加以連線。這樣,一個連線埠(如P1口)就可以構成4*4=16個按鍵,比之直接將連線埠線用於鍵盤多出了一倍,而且線數越多,區別越明顯,比如再多加一條線就可以構成20鍵的鍵盤,而直接用連線埠線則只能多出一鍵(9鍵)。由此可見,在需要的鍵數比較多時,採用矩陣法來做鍵盤是合理的。
識別方法
這樣,當按鍵沒有按下時,所有的輸入端都是高電平,代表無鍵按下。行線輸出是低電平,一旦有鍵按下,則輸入線就會被拉低,這樣,通過讀入輸入線的狀態就可得知是否有鍵按下了。
矩陣鍵盤<1>確定矩陣式鍵盤上何鍵被按下介紹一種“行掃描法”。
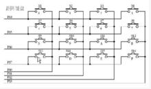
行掃描法 行掃描法又稱為逐行(或列)掃描查詢法,是一種最常用的按鍵識別方法,如上圖所示鍵盤,介紹過程如下。
1、判斷鍵盤中有無鍵按下 將全部行線Y0-Y3置低電平,然後檢測列線的狀態。只要有一列的電平為低,則表示鍵盤中有鍵被按下,而且閉合的鍵位於低電平線與4根行線相交叉的4個按鍵之中。若所有列線均為高電平,則鍵盤中無鍵按下。
2、判斷閉合鍵所在的位置 在確認有鍵按下後,即可進入確定具體閉合鍵的過程。其方法是:依次將行線置為低電平,即在置某根行線為低電平時,其它線為高電平。在確定某根行線位置為低電平後,再逐行檢測各列線的電平狀態。若某列為低,則該列線與置為低電平的行線交叉處的按鍵就是閉合的按鍵。
下面給出一個具體的例子:
圖仍如上所示。8031單片機的P1口用作鍵盤I/O口,鍵盤的列線接到P1口的低4位,鍵盤的行線接到P1口的高4位。列線P1.0-P1.3分別接有4個上拉電阻到正電源+5V,並把列線P1.0-P1.3設定為輸入線,行線P1.4-P.17設定為輸出線。4根行線和4根列線形成16個相交點。
1、檢測當前是否有鍵被按下。檢測的方法是P1.4-P1.7輸出全“0”,讀取P1.0-P1.3的狀態,若P1.0-P1.3為全“1”,則無鍵閉合,否則有鍵閉合。
2、去除鍵抖動。當檢測到有鍵按下後,延時一段時間再做下一步的檢測判斷。
3、若有鍵被按下,應識別出是哪一個鍵閉合。方法是對鍵盤的行線進行掃描。P1.4-P1.7按下述4種組合依次輸出:
P1.7 1 1 1 0
P1.6 1 1 0 1
P1.5 1 0 1 1
P1.4 0 1 1 1
在每組行輸出時讀取P1.0-P1.3,若全為“1”,則表示為“0”這一行沒有鍵閉合,否則有鍵閉合。由此得到閉合鍵的行值和列值,然後可採用計算法或查表法將閉合鍵的行值和列值轉換成所定義的鍵值
4、為了保證鍵每閉合一次CPU僅作一次處理,必須去除鍵釋放時的抖動。
鍵盤掃描程式:
從以上分析得到鍵盤掃描程式的流程圖所示。程式如下
SCAN: MOV P1,#0FH
MOV A,P1
ANL A,#0FH
CJNE A,#0FH,NEXT1
SJMP NEXT3
NEXT1: ACALL D20MS
MOV A,#0EFH
NEXT2: MOV R1,A
MOV P1,A
MOV A,P1
ANL A,#0FH
CJNE A,#0FH,KCODE;
MOV A,R1
SETB C
RLC A
JC NEXT2
NEXT3: MOV R0,#00H
RET
KCODE: MOV B,#0FBH
NEXT4: RRC A
INC B
JC NEXT4
MOV A,R1
SWAP A
NEXT5: RRC A
INC B
INC B
INC B
INC B
JC NEXT5
NEXT6: MOV A,P1
ANL A,#0FH
CJNE A,#0FH,NEXT6
MOV R0,#0FFH
RET
<2>確定矩陣式鍵盤上何鍵被按下介紹一種“高低電平翻轉法”。
首先讓P1口高四位為1,低四位為0。若有按鍵按下,則高四位中會有一個1翻轉為0,低四位不會變,此時即可確定被按下的鍵的行位置。
然後讓P1口高四位為0,低四位為1。若有按鍵按下,則低四位中會有一個1翻轉為0,高四位不會變,此時即可確定被按下的鍵的列位置。
最後將上述兩者進行或運算即可確定被按下的鍵的位置。
鍵盤處理程式就作這么一個簡單的介紹,實際上,鍵盤、顯示處理是很複雜的,它往往占到一個應用程式的大部份代碼,可見其重要性,但說到,這種複雜並不來自於單片機的本身,而是來自於操作者的習慣等等問題,因此,在編寫鍵盤處理程式之前,最好先把它從邏輯上理清,然後用適當的算法表示出來,最後再去寫代碼,這樣,才能快速有效地寫好代碼。
矩陣鍵盤實驗
實驗目的
1. 了解 4*4 矩陣鍵盤的工作原理。
2. 掌握利用行列掃描法讀取按鍵信息及軟體消抖的方法。
3. 熟悉掌握 VHDL 語言和 QUARTUS 2 軟體的使用。
4. 理解狀態機的工作原理和設計方法。
5. 掌握利用 EDA 工具進行自頂向下的電子系統設計方法。
實驗任務
設計製作一個檢測 4*4 矩陣鍵盤的按鍵編碼的實驗,把實際按鍵的鍵值的八位編碼先轉換成從0000—1111 的編碼,再譯成數碼管能識別 的八位編碼,在數碼管動態顯示時, 矩陣鍵盤的第一行對應00—03,4*4 第二行對應04—07,第三行08—11,第四行對應12—15。
實驗原理
1.鍵盤的工作原理: 按鍵設定在行、列線交點上,行、列線分別連線到按鍵開關的兩端。行線通過上拉電阻接到+5V電源上。無按鍵按下時,行線處於高電平的狀態,而當有按鍵按下時,行線電平與此行線相連的列線電平決定。
2.行列掃描法原理:
第一步, 使行線為編程的輸入線,列線是輸出線,拉低所有的列線,判斷行線的變化,如果有按鍵按下,按鍵按下的對應行線被拉低,否則所有的行線都為高電平。
第二步,在第一步判斷有鍵按下後, 延時10ms消除機械抖動,再次讀取行值,如果此行線還處於低電平狀態則進入下 一步,否則返回第一步重新判斷。
第三步,開始掃描按鍵位置,採用逐 行掃描,每間隔1ms的時間,分別拉低第一列,第二列,第三列,第四 列,無論拉低哪一列其他三列都為高電平,讀取行值找到按鍵的位置,分別把行值和列值儲存在暫存器里。
第四步,從暫存器中找到行值和列 值並把其合併,得到按鍵值,對此按鍵值進行編碼,按照從第一行第一個一直到第四行第四個逐行進行編碼,編碼值從“0000” 至“1111” , 再進行解碼,最後顯示按鍵號碼。數碼管動態掃描原理。數碼管動態掃描原理:數碼管的 7 個段及小數點都是由 LED 塊組成的,顯示方式分為靜 態顯示和動態顯示兩種。數碼管在靜態顯示方式時,其共陽管的位選 信號均為低電平,四個數碼管的共用段選線 a、b、c、d、e、f、g、dp 分別與 CPLD 的 8 根 I/O 口線相連,顯示數字時只要給相應的段選線送 低電平。數碼管在動態顯示方式時,在某一時刻只能有一個數碼管被點亮顯示數字,其餘的處於非選通狀態,位選碼連線埠的信號改變時, 段選碼連線埠的信號也要做相應的改變 ,每位顯示字元停留顯示的時間 一般為 1-5ms,利用人眼睛的視覺慣性,在數碼管上就能看到相當穩定的數字顯示。
矩陣鍵盤原理圖
