概述
系列低壓真空交流接觸器廣泛適用於,煤礦,電力,冶金,紡織。高層建築等各種行業部門。
低壓真空交流接觸器適用於交流:50HZ.額定電壓:1140V,額定電流63至630A的饋電網路,供遠距離接通和分斷電路,以及頻繁起動和停止交流電動機之用。特別適宜與各種保護裝置配合組裝成隔爆型電磁起動器。
一種高壓真空接觸器機器組成
真空接觸器主要由真空滅弧室和操作機構組成。真空滅弧室具有通過正常工作電流和頻繁切斷工作電流時可靠滅弧兩個作用。但不能切斷過負荷電流和短路電流。操作機構是由帶鐵芯的吸持線圈和銜鐵構成。線圈通電,吸引銜鐵,接觸器閉合;線圈失電,接觸器斷開。吸持線圈一般有直流和交流兩種形式。
真空滅弧室的外殼用玻璃或陶瓷絕緣材料製成,內部的真空度通常在0.01Pa以上。由於殼內的空氣少,觸頭開距可以做得很小,電弧也較容易被熄滅。觸頭材料一般用銅、銻、鋨等合金製成。滅弧室內禁止罩的作用是,當分斷電流時,凝結觸頭間隙中擴散出來的金屬蒸汽,有助於熄弧,還可以防止金屬蒸汽濺落到絕緣外殼上降低其絕緣強度。動觸頭與外殼下端用波紋管連線,動觸頭可以上下運動又不會漏汽。
工作原理
真空接觸器通常由絕緣隔電框架、金屬底座、傳動拐臂、電磁系統、輔助開關和真空開關管等部件組成。當電磁線圈通過控制電壓時,銜鐵帶動拐臂轉動,使真空開關管內主觸頭接通,電磁線圈斷電後,由於分閘彈簧作用,使主觸頭分斷
CKJ5-125真空開關管是以上封蓋、下封蓋、金屬波紋管和陶瓷管等組成,該真空開關管,外殼採用95瓷絕緣材料製成波紋式的瓷管,它具有爬電距離大、機械強度高、耐熱和耐衝擊的特點。真空開關管內封裝一對動靜觸頭,觸頭材料採用耐磨且低截流值的Cu-W-Wc,這樣在滿足開斷性能的條件下,減小開斷過程中由於截流引起的過電壓,提高了真空開關管的使用電壽命。當金屬波紋管軸向運動時帶動動觸頭做分合閘動作。
電磁系統考慮實際吸力特性和反力特性良好配合,以及發揮接觸器運行時噪音低、節電的優點,採用滯留雙線圈由起動和維持兩繞組組成,通過輔助開關切換,為了便於用戶進行交流電源操作,接觸器帶有橋式整流裝置。
機械鎖扣:當閉合線圈通電時,接觸器吸合,機械鎖扣鎖住:當脫扣線圈通電時,機械鎖扣脫扣,接觸器釋放,脫扣線圈在熱態時,其電壓在Us85%-110%範圍內使接觸器可靠釋放。
優點
真空接觸器熄弧能力強,耐壓性能好,操作頻率較高,壽命長,無電弧外噴,體
真空接觸器線路圖積小、重量輕、維修周期較長。真空接觸器的真空滅弧室製造時工藝要求很高,如果工藝不良,滅弧室的真空容易下降。觸頭材料材質不好,在分斷電流時會出現 "截流過電壓"現象,即在分斷電流時,由於真空滅弧室的熄弧能力很強,電弧電流不是自然過零時切斷,而是從電流的某一值突然降到零,由此而出現高的過電壓。截流電壓會危及電氣設備的安全運行。
故障原因
真空接觸器是否有故障,可以根據其能否準確無誤地合閘、分閘並可靠地保持在合閘、分閘位置來判斷。主迴路方面的故障,可以從接觸器例行的檢修和維護中發現並排除。
主要的常見故障原因分析如下:
不能儲能:不能儲能是真空接觸器較常見的故障之一,特別是棘輪、棘爪驅動的儲能機構,故障機率較高。儲能機構要完成儲能動作,主要取決於儲能電動機、驅動機構、定位件這3 個環節。緊緊抓住這3 個環節,很容易找出故障的癥結。
無合閘動作:發生無合閘動作故障,主要與合閘電磁鐵是否吸合、儲能是否到位、定位件動作是否正常有關。
空合:有合閘動作但合不上閘稱之為空合。在分析此類故障時,首先應從合閘保持(鎖扣)入手分析,然後再分析是否與儲能部分有關。
不分閘:在此需強調指出,接觸器發生拒動、空合等情況時,在分析檢修接觸器主體之前,要充分判斷一下原因是否出在控制及二次元件如輔助開關、端子排等方面,然後再進行接觸器的分析診斷。
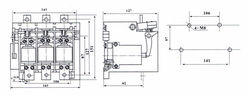
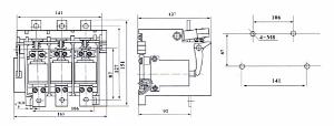
接觸器圖
東煤接觸器圖紙真空接觸器基本組成:由三條真空管、兩個吸合線圈,輔助開關,整流板。

