簡介
能為負載提供穩定直流電源的電子裝置。直流穩壓電源的供電電源大都是交流電源,當交流供電電源的電壓或負載電阻變化時,穩壓器的直流輸出電壓都會保持穩定。
直流穩壓電源隨著電子設備向高精度、高穩定性和高可靠性的方向發展,對電子設備的供電電源提出了高的要求。
環境溫度、負載大小、輸入電壓等因素都會使直流穩壓電源的輸出電壓發生變化。輸入電壓的變化對輸出電壓的影響可用電壓穩定度
表示。它表示影響輸出電壓變化的其餘參數保持不變以及輸出電流為額定值時,由於輸入電壓在額定值
±10%範圍內變化所引起的輸出電壓的相對變化量。 環境溫度的穩定性、負載變動的穩定性等都可用類似方法表示。另外,直流穩壓電源在額定工作情況下,表示輸出電壓中交流分量大小的紋波係數,以及表示當輸入電壓或負載急劇變化時,電壓回到原來正常值所需時間的回響速度也是直流穩壓電源的重要質量指標。
直流穩壓電源可分為連續導電式與開關式兩大類。
連續導電式穩壓電源它的基本框圖。變壓器把單相或三相交流電變壓到適當值,然後經整流濾波後獲得不穩定的直流電源,再通過穩壓電路得到穩定電壓或穩定電流。這種方式的缺點是提高穩定係數必須增大串聯電阻,並且輸入電壓要遠高於輸出電壓。是串聯調整方式。誤差放大器將取樣電壓與基準電壓之差值加以放大,控制串聯調整元件的壓降,以使輸出電壓(或電流)得到穩定。
直流穩壓電源連續導電式穩壓電源有線路簡單、紋波小、相互干擾小等優點;缺點是體積大,耗材多,效率低等。因並聯調整方式中的串聯電阻以及串聯調整方式中的串接的調整元都流過負載電流,功耗很大,效率常低於40~60%。
開關式穩壓電源它的工作原理示於。
直流穩壓電源改變調整元件(開關)的通斷時間比T/T,可調節輸出電壓U的大小,從而達到穩壓目的。元件導通時因處在飽和狀態,故功耗小,效率可高達85%左右。開關式穩壓電源80年代以來發展迅速,種類繁多。從工作方式上可分為以下3大類。
①可控整流型開關穩壓電源:用晶閘管作調整開關,由交流市電電網直接或經變壓器降壓後供電。用改變晶閘管的導通時間來調整輸出電壓,從而達到穩定輸出電壓的目的。
②斬波型開關穩壓電源:它的輸入是不穩定的直流電壓,改變開關電路的通斷比,在輸出端得到單向的脈動直流,經濾波後得到與輸入電壓不同的穩定直流電壓。
③變換器型開關穩壓電源:將不穩定直流電壓送入逆變器變換成高頻交流電,再經變壓、整流、濾波後得到新的直流輸出電壓,從輸出電壓取樣,反饋控制逆變器工作頻率,達到穩定輸出電壓的目的。
開關型穩壓電源的優點是效率高,體積小,重量輕;缺點是電路比較複雜,有一定的電磁干擾。
分類
穩壓電源的分類方法繁多,按輸出電源的類型分有直流穩壓電源和交流穩壓電源;按穩壓電路與負載直流穩壓電源的連線方式分有串聯穩壓電源和並聯穩壓電源;按調整管的工作狀態分有線性穩壓電源和開關穩壓電源;按電路類型分有簡單穩壓電源和反饋型穩壓電源,等等。如此繁多的分類方式往往讓初學者摸不著頭腦,不知道從哪裡入手。其實應該說這些看似繁多的分類方法之間有著一定的層次關係,只要理清了這個層次自然可以分清楚電源的種類了。
既然我們談的是穩壓電源的分類,那么首先就應該清楚電源的輸出是什麼,是輸出直流電還是輸出交流電。這樣第一個層次就出來了,首先應該根據電源的輸出類型來分類。接下來的分類就要麻煩一些,是按穩壓電路與負載的連線方式分類還是按調整管的工作狀態分類呢?其實了解一下我們身邊的電子設備會發現實際套用中穩壓電源有兩個區別很大的種類,一種是各種比較簡單的電子設備中廣泛使用的線性穩壓電源,比如收音機、小型音響等;一種是各種複雜電子設備中廣泛使用的開關穩壓電源,比如大螢幕彩電、微型計算機等。這樣看來第二個層次的分類我們可以根據調整管的工作狀態來分類。接下來的第三個層次的分類就是根據穩壓電路與負載的連線方式來分類。再往下面細分由於各種不同的電路特性相差太大,就不好一概而論,應該根據每一個具體類別的特性進行分類區分了。
直流穩壓電源可以分類兩類,包括線性和開關型。
線性
線性穩定電源有一個共同的特點就是它的功率器件調整管工作線上性區,靠調整管之間的電壓降來穩定輸出。由於調整管靜態損耗大,需要安裝一個很大的散熱器給它散熱。而且由於變壓器工作在工頻(50Hz)上,所以重量較大。
該類電源優點是穩定性高,紋波小,可靠性高,易做成多路,輸出連續可調的成品。缺點是體積大、較笨重、效率相對較低。這類穩定電源又有很多種,從輸出性質可分為穩壓電源和穩流電源及集穩壓、穩流於一身的穩壓穩流(雙穩)電源。從輸出值來看可分定點輸出電源、波段開關調整式和電位器連續可調式幾種。從輸出指示上可分指針指示型和數字顯示式型等等。
開關型
與線性穩壓電源不同的一類穩電源就是開關型直流穩壓電源,它的電路型式主要有單端反激式,單端正激式、半橋式、推挽式和全橋式。它和線性電源的根本區別在於它變壓器不工作在工頻而是工作在幾十千赫茲到幾兆赫茲。功能管不是工作在飽和及截止區即開關狀態;開關電源因此而得名。
可調直流穩壓電源開關電源的優點是體積小,重量輕,穩定可靠;缺點相對於線性電源來說紋波較大(一般≤1%VO(P-P),好的可做到十幾mV(P-P)或更小)。它的功率可自幾瓦-幾千瓦均有產品。價位為3元-十幾萬元/瓦,下面就一般習慣分類介紹幾種開關電源:
(1)AC/DC
該類電源也稱一次電源,它自電網取得能量,經過高壓整流濾波得到一個直流高壓,供DC/DC變換器在輸出端獲得一個或幾個穩定的直流電壓,功率從幾瓦-幾千瓦均有產品,用於不同場合。屬此類產品的規格型號繁多,據用戶需要而定通信電源中的一次電源(AC220輸入,DC48V或24V輸出)也屬此類。
(2)DC/DC
在通信系統中也稱二次電源,它是由一次電源或直流電池組提供一個直流輸入電壓,經DC/DC變換以後在輸出端獲一個或幾個直流電壓。
(3)通信電源
通信電源其實質上就是DC/DC變換器式電源,只是它一般以直流-48V或-24V供電,並用後備電池作DC供電的備份,將DC的供電電壓變換成電路的工作電壓,一般它又分中央供電、分層供電和單板供電三種,以後者可靠性最高。
(4)電台電源
電台電源輸入AC220V/110V,輸出DC13.8V,功率由所供電台功率而定,幾安幾百安均有產品。為防止AC電網斷電影響電台工作,而需要有電池組作為備份,所以此類電源除輸出一個13.8V直流電壓外,還具有對電池充電自動轉換功能。
(5)模組電源
隨著科學技術飛速發展,對電源可靠性、容量/體積比要求越來越高,模組電源越來越顯示其優越性,它工作頻率高、體積小、可靠性高,便於安裝和組合擴容,所以越來越被廣泛採用。國內雖有相應模組生產,但因生產工藝未能趕上國際水平,故障率較高。
DC/DC模組電源雖然成本較高,但從產品的漫長的套用周期的整體成本來看,特別是因系統故障而導致的高昂的維修成本及商譽損失來看,選用該電源模組還是合算合算的,在此還值得一提的是羅氏變換器電路,它的突出優點是電路結構簡單,效率高和輸出電壓、電流的紋波值接近於零。
(6)特種電源
高電壓小電流電源、大電流電源、400Hz輸入的AC/DC電源等,可歸於此類,可根據特殊需要選用。開關電源的價位一般在2-8元/瓦特殊小功率和大功率電源價格稍高,可達11-13元/瓦。
基本功能
1.輸出電壓值能夠在額定輸出電壓值以下任意設定和正常工作。
2.輸出電流的穩流值能在額定輸出電流值以下任意設定和正常工作。
3.直流穩壓電源的穩壓與穩流狀態能夠自動轉換並有相應的狀態指示。
4.對於輸出的電壓值和電流值要求精確的顯示和識別。
5.對於輸出電壓值和電流值有精準要求的直流穩壓電源,一般要用多圈電位器和電壓電流微調電位器,或者直接數字輸入。
6.要有完善的保護電路。直流穩壓電源在輸出端發生短路及異常工作狀態時不應損壞,在異常情況消除後能立即正常工作。
技術指標
直流穩壓電源直流穩壓電源的技術指標可以分為兩大類:一類是特性指標,反映直流穩壓電源的固有特性,如輸入
電壓、輸出電壓、輸出電流、輸出電壓調節範圍;另一類是質量指標,反映直流穩壓電源的優劣,包括穩定度、等效內阻(輸出電阻)、紋波電壓及溫度係數等。
特性指標
(1)輸出電壓範圍
符合直流穩壓電源工作條件情況下,能夠正常工作的輸出電壓範圍。該指標的上限是由最大輸入電壓和最小輸入-輸出電壓差所規定,而其下限由直流穩壓電源內部的基準電壓值決定。
(2)最大輸入-輸出電壓差
該指標表征在保證直流穩壓電源正常工作條件下,所允許的最大輸入-輸出之間的電壓差值,其值主要取決於直流穩壓電源內部調整電晶體的耐壓指標。
(3)最小輸入-輸出電壓差
該指標表征在保證直流穩壓電源正常工作條件下,所需的最小輸入-輸出之間的電壓差值。
(4)輸出負載電流範圍
輸出負載電流範圍又稱為輸出電流範圍,在這一電流範圍內,直流穩壓電源應能保證符合指標規範所給出的指標。
質量指標
(1)電壓調整率SV
電壓調整率是表征直流穩壓電源穩壓性能的優劣的重要指標,又稱為穩壓係數或穩定係數,它表征當輸入電壓VI變化時直流穩壓電源輸出電壓VO穩定的程度,通常以單位輸出電壓下的輸入和輸出電壓的相對變化的百分比表示。
(2)電流調整率SI
電流調整率是反映直流穩壓電源負載能力的一項主要自指標,又稱為電流穩定係數。它表征當輸入電壓不變時,直流穩壓電源對由於負載電流(輸出電流)變化而引起的輸出電壓的波動的抑制能力,在規定的負載電流變化的條件下,通常以單位輸出電壓下的輸出電壓變化值的百分比來表示直流穩壓電源的電流調整率。
(3)紋波抑制比SR
直流穩壓電源紋波抑制比反映了直流穩壓電源對輸入端引入的市電電壓的抑制能力,當直流穩壓電源輸入和輸出條
件保持不變時,紋波抑制比常以輸入紋波電壓峰-峰值與輸出紋波電壓峰-峰值之比表示,一般用分貝數表示,但是有時也可以用百分數表示,或直接用兩者的比值表示。
(4)溫度穩定性K
集成直流穩壓電源的溫度穩定性是以在所規定的直流穩壓電源工作溫度Ti最大變化範圍內(Tmin≤Ti≤Tmax)直流穩壓電源輸出電壓的相對變化的百分比值。
極限指標
(1)最大輸入電壓
是保證直流穩壓電源安全工作的最大輸入電壓。
(2)最大輸出電流
是保證穩壓器安全工作所允許的最大輸出電流。
新款特性
數字直流穩壓穩流電源內部採用IGBT模組調整模式,具體高效能、高精度、高穩定性等特性,主要套用於科研單位、實驗室和電子產線等需要高效電源測試時使用。
直流穩壓電源特點:
1、輸出顯示:輸出電壓電流LED顯示
2、採用19英寸標準化尺寸,可組合放置於各種工作檯面及機架;
3、體積小、重量輕、節能高效
4、恆壓恆流:輸出恆壓恆流自動切換,電壓電流值連續線性調節;
5、保護功能:過壓保護、過流保護、過溫保護、欠壓保護、過載保護;
6、短路特性:本機工作狀態下長時間短路;
7、外接補償:本機可選外接補償,可降低因輸出迴路較長等造成的壓降;
8、過壓保護值:輸出過壓佑護值可調,保護後切斷輸出並鎖定,重新開機恢復;
9、通信功能:可選特殊數據接口,與其他設備數據連線控制,或與PLC連線。(選配)
10、外控功能:可選0-5V或4-20mA信號控制電源的輸出電壓和電流;(選配)
11、定時功能:可選定時開關機功能;(選配)
用途
直流穩壓電源引可廣泛套用於國防、科研、大專院校、實驗室、工礦企業、電解、電鍍、直流電機、充電設備等。(1)可用於各種電子設備老化,如PCB板老化,家電老化,各類IT產品老化,CCFL老化,燈管老化(2)適用於需要自動定時通、斷電,自動記周期數的電子元件的老化、測試(3)電解電容器脈衝老練(4)電阻器,繼電器,馬達等測試老練(5)整機老練;電子元器件性能測試,例行試驗。
生產廠家
國內直流穩壓電源生產廠家眾多,比較有代表的著名品牌有: 萬瑞達、艾諾、能華、台灣固緯、科泰、艾德克斯、恩泰等。
直流低壓穩壓電源電路圖
如圖所示直流低壓穩壓電源電路圖
直流低壓穩壓電源電路 WYJ系列直流穩壓電源
WYJ系列直流穩壓電源是高穩定度的穩壓穩流自動轉換的精密直流電源、輸出電壓在額定範圍內連續可調。輸出電流、電壓顯示分別有數顯,液晶顯示,指針式。電源形式有單路、雙路和三路三種以上。雙路輸出都可設計串聯或並聯,輸出具有良好的、過載、過壓、短路等保護措施,安全性極對可靠。廣泛套用於郵電、科研、軍事、醫院、工廠、學校等。
WYJ直流穩壓穩流電源直流穩壓電源的設計
整流變壓器的設計
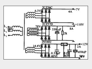
三相整流變壓器的設計包括:一、二次繞組的聯結方式,二次側電壓的計算,一、二次側電流的計算,容量的計算與確定,結構形式的選擇等環節。其中一、二次繞組的聯結方式及二次側電壓的確定是我們重點分析的內容。本文以某一步進電機驅動器的3個直流電源設計為例進行詳細介紹,原理圖如圖1。
步進電機驅動器直流電源設計的原理圖圖1步進電機驅動器直流電源設計的原理圖
1、二次側電壓的確定
二次電壓不僅與負載電壓(即要設計的直流穩壓電源電壓)和整流電路有關,而且與穩壓器件有關。對於要求高的選橋式整流電路,用電容濾波穩壓和穩壓器穩壓,對於要求低的則可以不穩壓或用電容穩壓。如在圖1中,+7V低壓驅動,主要是用來鎖相,其電流小、電壓低,電壓波動對驅動電源的工作狀態影響不大,不用穩壓;+110V用以高壓驅動,斷續式供電且頻率很高,大的電流和電流變化率會產生很高過電壓,因此要用電解電容穩壓,電阻限流;+12V用於計算機和積體電路的電源,電流小、電壓低,但要求電壓穩定、紋波係數小,因此用電容和三端穩壓器兩級穩壓。對於不同的穩壓手段,二次電壓有著不同的確定方法,理論上這3個電壓的計算式相同,即U2=Ud/2.34或UL=Ud/1.35,計算的3個二次電壓分別為:5.2V、81.5V和8.9V,但這樣計算的結果在實際中不和適,因此,有些量必須用工程估算式來確定,如三相不可逆整流系統一般用公式UL=(0.9~1.0)•Ud估算,如果直流側用電解電容濾波時、輸出平均值會升高,一般用公式UL=Ud/2½估算;如果直流側用電容和三端穩壓器穩壓,為了擴大穩壓範圍,Ud一般應升高3~6V,再用公式UL=(0.9~1.0)•Ud估算。這樣確定的3個二次電壓分別為:UL7=0.9×7=6.3V,UL110=110/2½=78V,UL12=16×0.9=14.4V。
2、一、二次例電流計算及容量確定
二次電流要根據負載電流的大小和整流電路來定,在圖1中採用三相橋式整流電路,用式I2=(2/3)½Id求出3個二次電流有效值分別為:3.26A、6.5A、1.63A,就得到3個二次電壓和電流。根據變壓器一、二次功率近似相等原則,可求得一次電流I1=1.45A,變壓器的容量為S=953VA,按1.5kVA選變壓器型號。
3、一、二次例繞組聯結方式的確定
三相交壓器繞組可以根據需要接成星形或Δ形。三相整流電路一般用於大功率(即負載功率在4kW以上)整流,變壓器通常接成Y/Δ、Δ/Y2種。Δ/Y接法可使電源線電流有2個階梯,更接近正弦波,諧波影響小,可控整流電路用得比較多;Y/Δ接法可以提供單相交流電源,減小二次繞組電流,一般用於大功率二極體整流電路;對於小功率三相變壓器有時也接成Y/Y型,雖然這種接法會給電網引入諧波.但畢竟其功率小,影響也較小。總之,選的時候既要考慮對電網的影響,又要儘量減小繞組電流,降低繞組絕緣等級。在圖1中,7V和12V電流比較小,電壓低,選星形接法;110V電流大,電壓不是太高,選Δ形接法,可大大降低繞組中電流,減小繞組線徑,延長使用壽命;一次繞組的線電壓雖然高(380V),但變壓器容量只有2kW,一次電流為1.45A,所以選星形接法,可降低繞組的電壓和繞組的絕緣等。
整流電路設計
三相整流電路通常有三相半波整流電路和三相橋式整流電路,由於三相橋式整流電路輸出平均電壓高,電壓脈動小,品質因數高,因此多使用橋式整流電路。橋臂上二極體型號的選擇主要是由它的額定電壓和額定電流決定,額定電流和電壓則由負載平均電流和電壓決定,其計算式為:ID=(1/3)½•Id,ID(AV)=ID/1.57,UDn=(1~2)2½•U2,由ID(AV)和UDn查二極體手冊就可確定整流管的型號。
濾波穩壓電路設計
1、濾波電路及器件選擇
整流濾波電路通常有電容、電感和RC等濾波電路。電感濾波是利用電感對脈動電流產生反電動勢,阻礙電流變化來實現的,電感越大,濾波效果越好。它一般用於負載電流大、對濾波要求不高的場台。RC濾波電路是電阻和電容連線使用的濾波電路,由於電阻會降低一部分直流電壓,直流輸出電壓會減小,因此只適用於小電流電路。電容濾波是利用電容的充放電作用使整流輸出電壓變得平穩,而且電壓幅值升高,濾波效果好,適於各種整流電路。濾波電容的選擇主要是種類和容量、耐壓值的確定。常用的整流濾波電容有鋁電解、鉭電解、滌綸、獨石電容等。鋁電解電容漏電流大,耐壓和工作溫度(最高+70℃)較低,但容量大;鉭電解電容漏電流小,耐壓和工作溫度比鋁電解電容都高,一般用於要求較高的地方;滌綸電容絕緣電阻大,損耗小,工作溫度(最高+55℃)低,容量小,但耐壓高;獨石電容體積可以做得很小,耐壓也可以做得很高,化學性能和熱性能比較穩定,但容量小。一般當整流輸出電流大時,必須用電解電容濾波穩壓;輸出電流小時,用一般電容或電解電容濾波都可以,如果對直流輸出電壓有紋波係數要求或者為了防止高頻噪音,用電解電容和小容量無極性電容並聯使用效果較好:小容量電容可濾掉脈動直流中的高次諧波,電解電容濾掉大幅值的低頻成分,穩壓範圍寬、效果好。整流濾波電路對電容器的容量和耐壓值要求不是太高,一般根據輸出電流大小估算電容器的容量,輸出電流大,容量就大;電流小,容量就小。但是,容量太大會降低輸出電壓值,太小則會導致電壓脈動大、不穩定。容量確定可參考表1,耐壓值一般取所接電路工作電壓的1.5~2倍。
表12、穩壓電路及器件選擇
穩壓電路有分立元件穩壓電路和集成穩壓電路2種,其中集成穩壓電路主要用於低電壓小電流的整流電路,具有體積小,電路簡單,穩壓精度高,使用調試方便等特點。選擇時首先要確定系列,是正電源還是負電源,是可調的還是固定的,其次是根據它的額定電壓和額定電流選擇具體型號;同時,穩壓器在接入整流電路時要適當加一些保護元件,如在I/O端接二極體可防止輸入端短路,在輸入端和地之間接一小電容,可限制輸入電壓幅值等。
直流電源的設計理論上比較簡單,但在具體的工程設計中還需要進一步分析、研究、實踐和總結。

