簡介
熱電廠送出的熱網水是由熱電廠的蒸汽通過表面式熱網加熱器進行加熱的。熱水供熱系統由熱網加熱器、熱網循環水泵、熱網加熱器的疏水泵、熱網補水泵等設備及其連線管道構成。一般熱網加熱器採用兩個串聯的方式實行多級加熱,以充分利用低壓抽汽,提高熱電聯產的經濟性。加熱用蒸汽的抽汽壓力較低者為基本加熱器,在供熱期內一直投運,其出口水溫可滿足熱網大多數情況下的需要。加熱用蒸汽的壓力較高者為尖峰加熱器,在供熱期的少數時間內,當基本加熱器的出口水溫不能滿足需要時投入,以進一步提高水溫。尖峰加熱器的汽源根據最佳熱化係數和機組的選型,採用汽輪機的較高壓力的抽汽或主蒸汽減溫減壓後供給。有時根據情況設尖峰熱水鍋爐以滿足尖峰熱負荷的需要。
熱力系統
熱網加熱器的工作原理與結構與回熱加熱器相同,但其容量和換熱面積較大。經投資和運行費用的比較,它的端差選擇在10℃左右,比回熱加熱器要大很多。同時由於供熱水的水質較差,一般採用直管束,以便於清洗。
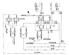
圖1 高參數熱電廠熱網加熱器的原則性熱力系統
圖2 為兩級熱網加熱器的全面性熱力系統熱網加熱器的疏水按照溫差引起的做功能力損失最小的原則,匯入汽輪機回熱系統,即匯入與本加熱器共用同一抽汽的那一級回熱加熱器的水側出口。若採用多級熱網加熱器加熱,一般它們之間採用疏 水逐級自流的方式,再按上述原則匯入回熱系統。圖1(1-基本熱網加熱器;2-尖峰加熱器;3-熱網水泵;4-熱網凝結水泵;5-尖峰熱水爐;6-循環水泵;7-凝汽器內熱網水加熱管束;8-疏水冷卻器)為高參數熱電廠熱網加熱器的原則性熱力系統。圖2為兩級熱網加熱器的全面性熱力系統。
熱水供熱系統存在的隱患
(1)初期供熱,供熱系統不做調試。整個系統的調試工作如果沒有做,系統的末端用戶有不熱的現象,由於當時天氣暖和,反應不強烈,到天氣轉冷時,供熱矛盾就突顯出來。
(2)整個供熱系統失水情況嚴重,導致供熱系統末端壓力較低,影響供水溫度。
(3)供熱水質中存在大量懸浮物,懸浮物重量濃度大,在系統壓力小流速低的地方就會出現沉積形成污泥,大量形成的水垢、鐵鏽渣使循環水中的管道堵塞情況嚴重,在系統末端的散熱器支線管道 DN25、DN20 及閥門處管道結垢現象嚴重,管徑流量嚴重變小,引起熱氣不熱。
(4)供熱熱水水質不是很理想,影響管道設備使用壽命。
(5)供熱系統中氧腐蝕影響管道設備使用壽命。
(6)熱水供熱管道停用期間的內部腐蝕。
