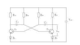
無穩態振盪器(astable multivibrator)亦稱自激多諧振盪器。電路中,施加電源VCC後,電晶體T1和T2在電容的作用下,反覆導通、截止,產生持續振盪。導通或截止的狀態決定與電流的平衡。其產生的脈衝具有高、低兩種狀態並交替轉換,即只有兩個暫態所以稱為無穩態電路。由於其產生的矩形脈衝是由基波和許多高次諧波組成,因此又稱為多諧振盪器。
兩個放大電路通過C1、C2和電阻RB1、RB2實現交流耦合,電路無穩態,兩個暫穩態。按照電路時間常數所確定的周期,互動變化產生持續振盪。振盪周期T[s]為:
T=0.69(R3C2+R2C1)

