基本內容
無源逆變電路
出端交流電能直接輸向用電設備的逆變電路。生產實踐中常要求把工頻交流電能或直流電能變換成頻率和電壓都可調節的交流電能供給負載,這就需要採用無源逆變電路。在電力電子電路中,除指明為有源逆變電路外,均為無源逆變電路。

無源逆變電路是出端交流電能直接輸向用電設備的逆變電路。在電力電子電路中,除指明為有源逆變電路外,均為無源逆變電路。
無源逆變電路
出端交流電能直接輸向用電設備的逆變電路。生產實踐中常要求把工頻交流電能或直流電能變換成頻率和電壓都可調節的交流電能供給負載,這就需要採用無源逆變電路。在電力電子電路中,除指明為有源逆變電路外,均為無源逆變電路。
逆變電路(Inverter Circuit)是與整流電路(Rectifier)相對應,把直流電變成交流電稱為逆變。逆變電路可用於構成各種交流電源,在工業...
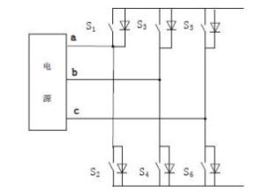
概述 簡介 工作原理 分類 常見問題自換流式電壓型逆變電路是由電壓型直流電源供電的自換流式逆變電路。由普通晶閘管組成,向非容性負載供電。根據輸出電壓的相數,包含單相電路和三相電路兩類。
自換流式電壓型逆變電路 正文 配圖 相關連線有源逆變是指在逆變電路中,把直流電經過直交變換,向交流電源反饋能量的變換電路。
簡介 工作原理 套用電力電子變流技術,由冶金工業出版社於2002-8-1出版。
基本信息 簡介 目錄 新版圖書信息 內容簡介逆變是指與整流相對應,直流電變成交流電。逆變——與 整流相對應,直流電變成交流電。交流側接負載,為無源逆變。為了給交流側向直流側反饋的無功能量提供通道,...
逆變的概念 電壓型逆變電路的特點 電流型逆變電路主要特點《實用電源電路與充電電路圖集》是2009年中國電力出版社出版的圖書,作者是何曉帆、劉麗。
內容簡介 圖書目錄逆變,與整流相對應,直流電變成交流電,電力術語。
逆變的概念 電壓型逆變電路的特點 電流型逆變電路主要特點逆變電路——把直流電逆變成交流電的電路 有源逆變電路——交流側和電網連結。 無源逆變——變流電路的交流側不與電網聯接,而直接接到負載。
基本概況 相關概念