特徵
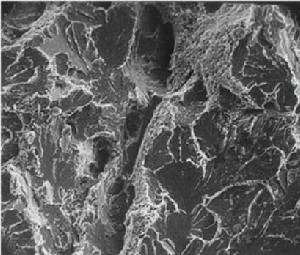
準解理斷裂(quasi-cleavage fracture)介於解理斷裂和韌窩斷裂之間;在不同部位產生解理裂紋核,擴展成解理刻面,最後以塑性方式撕裂。河流花樣短而彎曲,支流少,解理面小,且周圍有較多的撕裂棱。
由裂源向四周擴散,不連續,局部擴展;準解理小平面位相併不與解理面嚴格對應。
巨觀斷口形貌比較平整,但微觀形貌有河流花樣,舌狀花樣及韌窩與撕裂棱等。
形貌
1




準解理斷裂,介於解理斷裂和韌窩斷裂之間,在不同部位產生解理裂紋核,擴展成解理刻面,最後以塑性方式撕裂。
準解理斷裂(quasi-cleavage fracture)介於解理斷裂和韌窩斷裂之間;在不同部位產生解理裂紋核,擴展成解理刻面,最後以塑性方式撕裂。河流花樣短而彎曲,支流少,解理面小,且周圍有較多的撕裂棱。
由裂源向四周擴散,不連續,局部擴展;準解理小平面位相併不與解理面嚴格對應。
巨觀斷口形貌比較平整,但微觀形貌有河流花樣,舌狀花樣及韌窩與撕裂棱等。
1



斷裂失效是指零件完全斷裂而且在工作中喪失或達不到預期功能稱為斷裂失效。斷裂失效是機械產品最主要和最具危險性的失效,其分類比較複雜。例如,鋼絲繩在吊運過程...
分類 韌性斷裂 脆性斷裂失效分析 疲勞斷裂失效穿晶斷裂可以是巨觀塑性斷裂,也可以是巨觀脆性斷裂。如低碳鋼試樣在室溫下進行拉伸試驗時的斷裂,即穿晶斷裂。
介紹 過程 斷口形貌的位置,判斷金屬的脆性程度,和確定晶體中位錯密度和位錯容量。準解理斷裂也是一種穿晶斷裂。根據蝕坑技術分析表明,多晶體金屬的準解理斷裂也是沿著原子鍵...範性形變),故斷裂面不是一個嚴格準確的解理面。準解理斷裂首先在回火馬氏體...
簡介 斷口觀察 脆性延性 金屬斷裂 微觀斷裂沿晶斷口,解理斷口或準解理斷口。套用學科:材料科學技術(一級學科),材料...釋義1.沒有解理或解理不清楚的礦物才容易形成斷口。斷口有別於解理面,它一般是不平整彎曲的面。在外力作用下,寶石礦物不按一定結晶方向發生的斷裂面...
釋義 斷口分析 土狀斷口 層狀斷口 韌性斷口)應力腐蝕引起的斷裂可以是穿晶斷裂,也可以是晶間斷裂。如果是穿晶斷裂,其斷口是解理或準解理的,其裂紋有似人字形或羽毛狀的標記。2 材料應力腐蝕抗力...某一臨界尺寸,使剩餘下的斷面不能承受外載時,就突然發生斷裂。 (5...
1 材料應力腐蝕的特點 2 材料應力腐蝕抗力指標及測試方法 3 影回響力腐蝕的因素3.2.1靜載荷斷口巨觀形貌3.2.2衝擊斷口的巨觀形貌3.2.3延性斷裂3.2.4解理斷裂3.2.5準解理斷裂3.2.6沿晶脆性斷裂3.3金屬疲勞斷裂3.3.1疲勞斷裂基本概念3.3.2疲勞斷口的巨觀形貌特徵...
內容介紹 作品目錄韌脆轉化行為及其解理機制等。服役環境中材料力學行為的特殊性及其工程套用...,如陶瓷材料的強韌性及應力腐蝕、疲勞與斷裂、摩擦磨損、抗氧化、導電行為;可...
簡介 研究方向 研究目標 承擔課題 科研成果混合機理與準解理斷口 3.7 呈撕裂形貌的斷面 3.8 晶間分離...對比的斷口組織顯微照片來精確定位斷裂的類型,本書可在報告中作為專業的例子... 裂紋擴展 2.11 韌性斷裂與脆性斷裂的含義 2.12 斷裂力學...
