簡介
因各品牌廠家PLC設計使用的不同,對於源型和漏型的定義也相對不同(例如三菱的定義和西門子的定義正好相反),故此在本條百科中以三菱PLC為例。
源型輸入與漏型輸入,都是相對於PLC公共端(COM端或M端)而言,電流流出則為源型,電流流入則為漏型。
漏型輸入
漏型輸入電路如圖5所示,此時,電流從PLC 公共端(COM端或M端)流入,而從輸入端流出,即PLC 公共端接外接DC電源的正極。
此圖只是畫出了一路的情形,如果輸入有多路,所有輸入的二極體陽極相連,就構成了共陽極電路。如圖5所示。
圖5 共陽極電路三菱A系列PLC的AX40/41/42/50/60及Q系列的QX40/41/42等輸入模組均屬於漏型輸入模組。
源型輸入
圖6所示的電路是源型輸入電路的形式,此時,電流的流向正好和漏型的電路相反。源型輸入電路的電流是從PLC的輸入端流進,而從公共端流出,即公共端接外接電源的負極。
如果所有輸入迴路的二極體的陰極相連,就構成了共陰極電路,如圖6所示:
圖6 共陰極電路三菱A系列PLC的AX80/81/82及Q系列的QX80/81的輸入模組均屬於此類輸入電路。
混合型
因為此類型的PLC公共端既可以流出電流,也可以流入電流(既PLC公共端既可以接外接電源的正極,也可以接負極),同時具有源輸入電路和漏輸入電路的特點,所以我們可以姑且把這種輸入電路稱為混合型輸入電路。其電路形式如圖7所示。
圖7 混合型電路作為源輸入時,公共端接電源的負極;作為漏輸入時,公共端接電源的正極。這樣,可以根據現場的需要來接線,給接線工作帶來極大的靈活。
三菱A系列PLC的AX50-S1/60-S1/70/71/81-S1及Q系列的QX70/71/72。
這裡需要說明的是,三菱和SIEMENS關於“源輸入”和“漏輸入”電路的劃分正好相反,以上是按三菱的劃分方法來介紹的,這點在使用過程中要注意。
SIEMENSS7-300/400系列PLC的直流輸入模組大多為 漏型輸入(公共端接外部電源的負極。註:按SIEMENS的劃分方法)。在S7-300系列PLC中,只有SM321(-IBH50-)輸入模組為 源型輸入(公共端接正。註:SIEMENS的劃分方法),S7-400系列PLC中則沒有源輸入模組。小型PLC S7-200的輸入模組則全部為混合型輸入形式。在大的項目中不建議使用,因此種輸入形式雖然接線方便,但容易造成電源的混亂。
外接開關量信號和PLC輸入電路的連線
PLC外接的輸入信號,除了像按鈕一些乾節點信號外,一些感測器還提供NPN和PNP集電極開路輸出信號。乾節點和PLC輸入模組的連線比較簡單,這裡主要不再綴述。而對於不同的PLC輸入電路,到底是使用NPN輸入還是PNP輸入有時感到無所適從。下面主要介紹一下這兩種輸入和PLC輸入電路的連線。
NPN
如圖8和圖9所示,分別是NPN和PNP輸出電路的一種形式。
源型漏型圖8 NPN集電極開路輸出 圖9 PNP集電極開路輸出
從圖8和圖9可以看出,NPN集電極開路輸出電路的輸出OUT端通過開關管和0V連線,當感測器動作時,開關管飽和導通,OUT端和0V相通,輸出0V低電平信號;PNP集電極開路輸出電路的輸出OUT端通過開關管和+V連線,當感測器動作時,開關管飽和導通,OUT端和+V相通,輸出+V高電平信號。
4.2 NPN和PNP輸出電路和PLC輸入模組的連線
NPN集電極
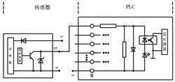
由以上分析可知,NPN集電極開路輸出為0V,當輸出OUT端和PLC輸入相連時,電流從PLC的輸入端流出,從PLC的公共端流入,此即為PLC的漏型電路的形式,即:NPN集電極開路輸出只能接 漏型或混合式輸入電路形式的PLC,連線圖如圖10所示:
圖10 NPN集電極開路輸出和PLC的連線PNP集電極
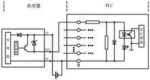
PNP集電極開路輸出為+V高電平,當輸出OUT端和PLC輸入相連時,電流從PLC的輸入端流入,從PLC的公共端流出,此即為PLC的源型電路的形式,即:PNP集電極開路輸出只能接 源型或混合型輸入電路形式的PLC,連線圖如圖11所示:
圖11 PNP集電極開路輸出和PLC的連線結束語
正是由於PLC輸入模組電路形式和外接感測器輸出信號的多樣性,我們在PLC輸入模組接線前要充分了解PLC輸入電路的類型和感測器輸出信號的形式,只有這樣,才能確保PLC輸入模組接線正確無誤,為後續的PLC編程和調試工作打下一個良好的基礎。

