產品介紹
液體流量計液體流量計是根據卡門渦原理製造用於測量密封管道中液體、氣體、蒸汽流量的精密儀表,由於檢測元件密封在檢測體內,不被測介質,且內部無可動部件,無需進行現場維護,因此深受廣大用戶的推崇,被廣泛用於紡織印染、石油、化工、冶金製藥、熱電、造紙,消防工業的計量管理及過程控制.有帶現場顯示3.6V電池供電和外供電源及輸出4-20mA;遠傳顯示可配二次儀表液晶中文顯示,同時可帶溫度壓力補償 。儀表直讀式,不需換算,使用方便,質量可靠)。
特點
無可動部件,運行可靠,性能較好,使用壽命長.
測量被測流體,不直接接觸感測器,性能穩定.
壓力損失較少,故比差壓流量計具有節能特點.
結構簡單而牢固,安裝方便,維修費用極少
1.無可動部件,運行可靠,性能較好,使用壽命長.
2.測量被測流體,不直接接觸感測器,性能穩定.
3.壓力損失較少,故比差壓流量計具有節能特點.
4.結構簡單而牢固,安裝方便,維修費用極少
分類
按測量對象劃分就有封閉管道和明渠兩大類。2.按測量原理分有力學原理、熱學原理、聲學原理、電學原理、光學原理、原子物理學原理等。
按測量目的又可分為總量測量和流量測量,其儀表分別稱作總量表和流量計。
液體流量計可以分為:防腐蝕流量計、差壓式流量計、氨水流量計、渦輪流量計、電磁流量計、流體振盪流量計中的渦街流量計、質量流量計和SST插入式流量計。
1.按測量對象劃分就有封閉管道和明渠兩大類。2.按測量原理分有力學原理、熱學原理、聲學原理、電學原理、光學原理、原子物理學原理等。
2.按測量目的又可分為總量測量和流量測量,其儀表分別稱作總量表和流量計。
3.液體流量計可以分為:防腐蝕流量計、差壓式流量計、氨水流量計、渦輪流量計、電磁流量計、流體振盪流量計中的渦街流量計、質量流量計和SST插入式流量計。
液體流量計技術參數
液體流量計測量介質:蒸汽(飽和蒸汽和過熱蒸汽)、空氣、一般氣體和液體。測量可能範圍:雷諾數為 20000~7000000
正常工作範圍:雷諾數為 8000~7000000
精度:液體 +1.0級 -1.0級
氣體 +1.0級 -1.0級
蒸汽 +1.0級 -1.0級
重複性:+0.3% -.03%
輸出信號:二線制4~20mA標準電流信號
三線制脈衝信號(低電平:0~1V; 高電平:大於4V; 占空比:約50%)
工作電源:3.6V電池、+12VDC、24VDC
介質溫度:普通型 -40~250度
-40~400度(需訂做)
工作壓力:0~2.5Mpa。(套用戶要求,可提供其他壓力登記的留來能估計需定做)
感測器材質:碳鋼;不鏽鋼(304)
管道口徑:25~300(中間任意值)
電路放大器環境條件:溫度;-40~+50度;濕度:小於等於85%RH
測量等級
| 儀表通徑 | 標準範圍 ( m3/h ) | 擴展範圍 ( m3/h ) | 安裝方式 | 常規耐壓 ( MPa ) | 特製耐壓等級 ( MPa ) |
| DN 4 | 0.04~0.25 | 0.04~0.4 | 螺紋(法蘭) | 6.3 | 12、16、25 |
| DN 6 | 0.1~0.6 | 0.06~0.6 | 螺紋(法蘭) | 6.3 | 12、16、25 |
| DN 10 | 0.2~1.2 | 0.15~1.5 | 螺紋(法蘭) | 6.3 | 12、16、25 |
| DN 15 | 0.6~6 | 0.4~8 | 螺紋(法蘭) | 6.3、2.5(法蘭) | 4.0、6.3、12、16、25 |
| DN 20 | 0.8~8 | 0.45~9 | 螺紋(法蘭) | 6.3、2.5(法蘭) | 4.0、6.3、12、16、25 |
| DN 25 | 1~10 | 0.5~10 | 螺紋(法蘭) | 6.3、2.5(法蘭) | 4.0、6.3、12、16、25 |
| DN 32 | 1.5~15 | 0.8~15 | 法蘭(螺紋) | 6.3、2.5(法蘭) | 4.0、6.3、12、16、25 |
| DN 40 | 2~20 | 1~20 | 法蘭(螺紋) | 6.3、2.5(法蘭) | 4.0、6.3、12、16、25 |
| DN 50 | 4~40 | 2~40 | 法蘭(螺紋) | 2.5 | 4.0、6.3、12、16、25 |
| DN 65 | 7~70 | 4~70 | 法蘭 | 2.5 | 4.0、6.3、12、16、25 |
| DN 80 | 10~100 | 5~100 | 法蘭 | 2.5 | 4.0、6.3、12、16、25 |
| DN 100 | 20~200 | 10~200 | 法蘭 | 1.6 | 4.0、6.3、12、16、25 |
| DN 125 | 25~250 | 13~250 | 法蘭 | 1.6 | 2.5、4.0、6.3、12、16 |
| DN 150 | 30~300 | 15~300 | 法蘭 | 1.6 | 2.5、4.0、6.3、12、16 |
| DN 200 | 80~800 | 40~800 | 法蘭 | 1.6 | 2.5、4.0、6.3、12、16 |
發展
流量測量的發展可追溯到古代的水利工程和城市供水系統。古羅馬凱撒時代已採用孔板測量居民的飲用水水量。公元前1000年左右古埃及用堰法測量尼羅河的流量。我國著名的都江堰水利工程套用寶瓶口的水位觀測水量大小等等。17世紀托里拆利奠定差壓式流量計的理論基礎,這是流量測量的里程碑。自那以後,18、19世紀流量測量的許多類型儀表的雛形開始形成,如堰、示蹤法、皮托管、文丘里管、容積、渦輪及靶式流量計等。20世紀由於過程工業、能量計量、城市公用事業對流量測量的需求急劇增長,才促使儀表迅速發展,微電子技術和計算機技術的飛躍發展極大地推動儀表更新換代,新型流量計如雨後春筍般湧現出來。至今,據稱已有上百種流量計投向市場,現場使用中許多棘手的難題可望獲得解決。
我國開展近代流量測量技術的工作比較晚,早期所需的流量儀表均從國外進口。
流量測量是研究物質量變的科學,質量互變規律是事物聯繫發展的基本規律,因此其測量對象已不限於傳統意義上的管道液體,凡需掌握量變的地方都有流量測量的問題。流量和壓力、溫度並列為三大檢測參數。對於一定的流體,只要知道這三個參數就可計算其具有的能量,在能量轉換的測量中必須檢測此三個參數。能量轉換是一切生產過程和科學實驗的基礎,因此流量和壓力、溫度儀表一樣得到最廣泛的套用。
使用步驟
使用時,正確的使用步驟不僅有利於機器的運行,還可以增加流量計的性能,因此,明白液體流量計的使用步驟是很有必要的。下面,來說一下 液體流量計的正確使用步驟:
在使用壓力感測器前,對其進行性能測試。將它接上透明的水管,用水柱高坐壓力,用高靈 敏度數字萬用表測量電壓,
不足之處是在安裝時需要一定直管段,且普通型對於振動和高溫沒有很好的解決辦法。渦 街有壓電式和電容式,後者在耐溫和耐振動方面有優勢,但價格較貴,一般用於過熱蒸汽的測量。
只要能傳播聲音的流體均可以用液體流量計; 超音波流量計可以測量高粘度液體、非導電性液體或氣體的流量,其測量流速的原理是:超音波在流體中的傳播速度 會隨被測流體流速而變化。
容積式流量計 容積式流量計是通過測定殼體和轉子之間形成的計量容積來測量流體的體積流量。 根據轉子的結構形式, 容積式流 量計有腰輪式,刮板式、橢圓齒輪式等。
隨著工業發展對流量計量要求的不 斷提高,液體流量計在工業測量中的地位已經部分地被先進的、高精度的、便利的流量儀表所取代。
液體流量計基於法拉第電磁感應原理研製出的一種測量導電液體體積流量的儀表。
又稱轉子流量計,是變面積式流量計的一種, 在一根由下向上擴大的垂直錐管中,圓形橫截面的浮 子的重力是由液體動力承受的。
浮子可以在錐管內自由地上升和下降。在流速和浮力作用下上下運動與浮子重量 平衡後, 通過磁耦合傳到與刻度盤指示流量。
感測器街上 12v 電壓。記錄數據。如成線性關係,則表示性能穩 定,可以使用。
1.在使用壓力感測器前,對其進行性能測試。將它接上透明的水管,用水柱高坐壓力,用高靈 敏度數字萬用表測量電壓,
2.不足之處是在安裝時需要一定直管段,且普通型對於振動和高溫沒有很好的解決辦法。渦 街有壓電式和電容式,後者在耐溫和耐振動方面有優勢,但價格較貴,一般用於過熱蒸汽的測量。
3.液體流量計
4.容積式流量計 容積式流量計是通過測定殼體和轉子之間形成的計量容積來測量流體的體積流量。 根據轉子的結構形式, 容積式流 量計有腰輪式,刮板式、橢圓齒輪式等。
5.液體流量計
6.液體流量計
7.又稱轉子流量計,是變面積式流量計的一種, 在一根由下向上擴大的垂直錐管中,圓形橫截面的浮 子的重力是由液體動力承受的。
8.浮子可以在錐管內自由地上升和下降。在流速和浮力作用下上下運動與浮子重量 平衡後, 通過磁耦合傳到與刻度盤指示流量。
9.感測器街上 12v 電壓。記錄數據。如成線性關係,則表示性能穩 定,可以使用。
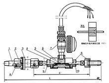
安裝
儀表結構及安裝方式
1、 儀表安裝採用法蘭連線、螺紋連線及夾裝式;
2、 安裝時液體流動方向應與感測器外殼上指示流向的箭頭方向一致,且上游直管段應≥20dn,下游直管段應≥5dn
(dn為管道內徑)。
3、感測器應遠離外界磁場,如不能避免,應採取必要的措施;
4、為了檢修時不至影響液體的正常輸送,應在感測器兩端的直管段外安裝旁通管道(如圖四);
5、感測器露天安裝時,請做好放大器插頭的防水處理;
6、感測器與顯示儀表的接線,應根據放大器的電源來選擇接線方式,詳見有關“使用說明書"。
7、液體流量計感測器可水平、垂直安裝,垂時流體方向必須向上。液體應充滿管道,不得有氣泡。安裝時,液體流動方向應與感測器外殼上指示流向的箭頭方向一致。感測器上游端至少應有20倍公稱通徑長度的直管段,下游端應不少於5倍公稱通徑的直管段,其內壁應光滑清潔,無凹痕、積垢和起皮等缺陷。
8、若流體不穩定有脈動流,為保證轉子流量計的良好測量可安裝緩衝器,以消除脈動流。轉子流量計在使用時,應先緩慢旋開流量計上游管道上的控制閥門,然後用調節閥調節流量,以免突然開啟造成浮子急速上升擊損錐管。
安裝示意圖1
安裝示意圖2套用領域
廣泛用於紡織印染、石油、化工、冶金製藥、熱電、造紙,消防工業的計量管理及過程等行業以及環保、市政管理,水利建設等領域。
| 口徑mm | 流量範圍m3/h | 口徑mm | 流量範圍m3/h |
| φ15 | 0.06~6.36 | φ450 | 57.23~5722.65 |
| φ20 | 0.11~11.3 | φ500 | 70.65~7065.00 |
| φ25 | 0.18~17.66 | φ600 | 101.74~10173.6 |
| φ40 | 0.45~45.22 | φ700 | 138.47~13847.4 |
| φ50 | 0.71~70.65 | φ800 | 180.86~18086.4 |
| φ65 | 1.19~119.4 | φ900 | 228.91~22890.6 |
| φ80 | 1.81~180.86 | φ1000 | 406.94~40694.4 |
| φ100 | 2.83~282.60 | φ1200 | 553.90~55389.6 |
| φ150 | 6.36~635.85 | φ1600 | 723.46~72345.6 |
| φ200 | 11.3~1130.4 | φ1800 | 915.62~91562.4 |
| φ250 | 17.66~176.25. | φ2000 | 1130.4~113040.00 |
| φ300 | 25.43~2543.40 | φ2200 | 1367.78~136778.4 |
| φ350 | 34.62~3461.85 | φ2400 | 1627.78~162777.6 |
| φ400 | 45.22~4521.6 | φ2600 | 1910.38~191037.6 |

