特點
1)傳遞轉矩能力大而體積小,當尺寸相同時,傳遞轉矩比電磁離合器大3倍;
2)無衝擊,起動和換向平穩,但拚命速度不及氣動離合器。
分類
按結構形式
液壓離合器按結構形式可分為旋轉式液壓缸和固定式液壓缸。
前者結構緊湊,外形尺寸小,但因液壓缸迴轉,轉動慣量大,進油接頭較複雜,而且液壓缸中的油在轉動中有離心力,使活塞上的油壓呈不均勻分布。
固定液壓缸因液壓缸不迴轉,轉動慣量小,進油結構簡單可靠,操作循環也較快,復位彈簧力可小些,但外形尺寸較大,且需要較大的推力軸承,製造也相對複雜。
按工作原理
液壓離合器按接合元件傳動的工作原理可分為牙嵌式和摩擦式。
牙嵌式離合器是利用兩半離合器端面上的牙相互嵌合或脫開達到主、從動軸的離合,牙型有矩形、梯形、三角形、鋸齒形和螺旋形等形式。優點是傳遞轉矩大,外形尺寸小,結構簡單,工作時不打滑,可保證主、從動部分同步轉動,無摩擦損耗。
摩擦式離合器是利用接合元件間的摩擦力達到傳動目的。優點是離、合平穩,柔順無衝擊,可在高的轉速差下進行離、合,過載時打滑有安全保護作用,並有較高的適應性。
液壓離合器是汽車離合器的一種,其傳動裝置採用液壓傳動。
液壓離合器的工作原理:當踩下離合器踏板時,通過推桿使總泵活塞向左移動,總泵及管路中油液受壓,壓力升高。在油壓的作用下,分泵活塞也被推向左移,推動分離踏板,並帶動分離軸承使離合器分離。
液壓離合器的優點:1.操作輕便 舒適。
2.摩擦阻力小,長期運行不會使踏板力顯著增加。
工作原理
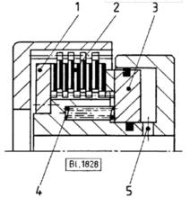
液壓離合器離合器的嚙合:
壓力油通過旋轉接頭(5)進入離合器缸體內,活塞(3)把摩擦盤壓靠在擋板(1)上,這樣離合器產生摩擦嚙合
脫開:
一旦減壓,復位彈簧(4)使活塞(3)復位,這樣離合器鬆脫
注意:
如果是單活塞離合器,由於缸體中油受離心力影響,有可能會使離合器誤嚙合的危險。只有在nmaxcylinder規定的缸體轉速範圍一下才可以保證離合器的鬆脫。
特點:
液壓動力會使活塞產生巨大的力,所以液壓驅動多盤離合器尺寸很小,但是可以產生很大的扭矩。鋼/燒結材料摩擦材料組合副由於是油冷,所以基本沒有磨損。摩擦盤磨合後可以由活塞自動補償,這樣也無需調整。
安裝
為了避免漏油,應保證h6/H7軸的公差配合。為了不影響離合器的及時嚙合,首先應注意的是軸內的進油孔尺寸應足夠大。此外,在選擇管路截面時還要考慮離合器嚙合所需的油量和管路。設計時回油管路的阻力儘可能小,為了避免今後可能出現的故障或液壓系統出現問題,管路和液壓系統在安裝時絕對要保持清潔。液壓油的供給活塞採用金屬密封,留有有限的對接間隙,允許少量的油滲出,滲出量取決於離合器的大小。所以必須要注意泵的輸出量是否充足以及離合器的數量。離合器所需的油量應充分達到在工作條件下離合器的嚙合和滲出量所需的要求。每一次嚙合結束時應保證有足夠的工作壓力。
如果離合器嚙合時需要大量的油,同時嚙合頻率也比較低,就應考慮使用自動雙泵。當離合器嚙合時,小泵工作,供給所需的油量以便保持油壓。在某些情況下,可以安裝一個儲能器,也能達到相同的目的。
設計油箱的大小和位置時應考慮散熱
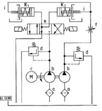
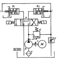
標準液壓原理圖標準液壓原理管路圖
精密齒輪泵(b)上的帶過濾器(a)的虹吸管浸在設備中的油池內。該泵向控制閥(e)供油。當離合器嚙合時,供給的過剩的油量通過卸荷閥進入內潤滑管路(i)。冷卻油流量可以藉助截流閥(f)來調節。
需要冷卻離合器的標準管路原理圖
由於高摩擦功或高嚙合頻率,離合器會產生大量的熱量,這樣就需要適當的冷卻油進行散熱。與標準結構的差別是這種結構增加了一個泵,此外還有一個單獨的內冷卻管路。
冷卻離合器的標準管路原理圖a真空過濾器b泵c電機 d卸荷閥e單向控制閥f 限量閥h 單向閥
I 內潤滑管路K1K2 離合器缸體1 儲能器

