套用範圍
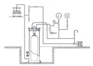
水壓試驗設備,高壓水壓試驗機廣泛套用於質量檢測單位、各種車零部件製造單位、產品質量檢測站、科研院校等各種軟管的生產、開發研究等領域。壓力試驗系統,由加壓系統和控制、顯示系統組成。加壓系統主要由思明特液體增壓泵等組成,主要完成系統的加壓和保壓工作,可確保長時間試驗的加壓及保壓。控制、顯示系統主要完成控制驅動氣體的壓力,控制卸壓,及時顯示壓力,控制加壓等工作。設備特點
水壓試驗裝置2、技術先進,結構設計合理。具有體積小、重量輕、外型美觀大方的特點。
3、所有承壓零件都採用國際知名品牌的標準零件,無任何焊接連線,方便拆卸,安全係數高,壽命長、便於維護。
4、由壓縮空氣來驅動,完全防爆設計。
5、 連續啟停,不受限制,並無不良影響;
6、氣動活塞環及其他氣動部件在工作狀態時不需要添加潤滑油,節省運行成本,並可防止油氣污染環境;
7、容易套用於自動控制系統中;
8、在任何預定壓力下,不再消耗能量和產生熱量不產生熱量,不會有火花和火焰危險;
9、壓力線性輸出,容易人工控制;
技術參數
1、驅動氣壓範圍:0.1-0.69 Mpa;且輸出壓力和驅動氣壓成正比。2、最大耗氣量:1 Nm3/min
3、壓力測試範圍:0—280Mpa,根據客戶實際需求,選擇相對應的壓力。
4、工作介質:水/液壓油。
5、可根據需求選擇配置。

