比例控制規律及其特點
圖1 階躍輸入後調節器的動態特性如果調節器的輸出信號變化量與輸入的偏差信號之間成比例關係,稱為比例控制規律,一般用字母 P表示。比例調節器的放大倍數 K 是可調的,它決定了比例作用的強弱,所以比例調節器實際上可以看成一個放大倍數可調的放大器,其特性如圖1所示。當放大倍數 K 大於1時,比例作用為放大,而當放大倍數 K 小於1時,比例作用為縮小。對應於一定的放大倍數 K ,比例調節器的輸入偏差大,輸出變化量也大;輸入偏差小,相應的輸出變化也小。
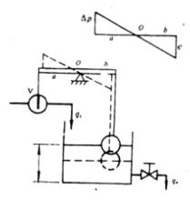
圖2 液位比例控制系統示意圖圖2是液位比例控制系統,被控變數是水箱的液位。0為槓桿的支點,槓桿的一端固定著浮球,另一端和調節閥的閥桿連線。浮球能隨著液位的升高而升高,隨液位的下降而一起下降。浮球通過有支點的槓桿帶動閥芯,浮球升高閥門關小,輸入流量減少;浮球下降閥門開大,流量增加。
如果原來液位穩定在圖2中實線位置,進入水箱的流量和排出水箱的流量相等。當水箱的出水閥門突然開大一點,排出量就增加而使浮球下降。浮球下降將通過槓桿把進水閥門開大,使進水量增加。當進水量又等於排水量時,液位也就不再變化而重新穩定下來,達到新的穩定態;相反排水量突然減少,液位上升,進水閥門由於浮球的作用也關小,使進水量減少,直至進出量相等,液位達到新的穩定狀態。
從上述分析可以看出,浮球隨液位變化與進水閥門開度的變化是同時的,這說明比例作用是及時的。另外,液位一旦變化,雖經比例控制系統能達到穩定,但回不到原來的設定值。從圖2看到,進水閥本身不能開大,而受浮球的控制。浮球要下降,只有在液位下降時才有可能。因此在這種情況下,液位要比原來低一高度為代價,才能換得閥門開大,使液位重新獲得平衡,如圖中虛線位置。也就是說,液位新的平衡位置相對於原來設定位置有一差值(即水箱實線與虛線液位之差),此差值稱為余差,所以比例控制又稱有差控制。
比例控制的優點是反應快,有偏差信號輸入時。輸出立刻和它成比例地變化,偏差越大,輸出的控制作用越強。
比例度
在工業上所使用的調節器,習慣上而是採用比例度 δ(也稱比例帶,在儀表上用 P表示),而不用放大倍數 K 來衡量比例控制作用的強弱。
所謂比例度指調節器輸入的變化與相應輸出變化的百分數。比例度就是使調節器的輸出變化滿刻度時(也就是調節閥從全關到全開或相反),相應的儀表指針變化占儀表測量範圍的百分數,或者說使調節器輸出變化滿刻度時,輸入偏差對應於指示刻度的百分數。
例如,一隻電動比例溫度調節器,溫度刻度範圍是50~100℃,電動調節器輸出是0~10mA,當指示指針從70℃移到80℃時,調節器相應的輸出電流從3mA變化到8mA,其比例度為 δ=40% 。
當溫度變化全量程的40%時,調節器的輸出從0mA變化到10mA,在這個範圍內,溫度的變化 e和調節器的輸出變化△ p是成比例的。但當溫度變化超過全量程的40%時,(在上例中,即溫度變化超過20℃時),調節器的輸出就不能再跟著變化了,因此,調節器的輸出最多只能變化100%。
圖3 比例度與輸入和輸出的關係調節器的比例度 δ的大小與輸入輸出的關係如圖3所示。從圖中可以看出,比例度越大,使輸出變化全範圍時所需的輸入偏差變化區間也就越大,而比例放大作用就越弱,反之亦然。
比例度 δ與放大倍數 K 成反比,是互為倒數關係。調節器的比例度 δ越小,它的放大倍數越大,它將偏差(調節器輸入)放大的能力也越大,反之亦然。因此比例度 δ和放大倍數 K 一樣,都是表示一個比例調節器的控制作用強弱的參數。
比例度對控制過程的影響
圖4 比例度對過渡過程的影響當干擾出現時,調節器的比例度 δ不同,則控制過程的變化情況亦不同,比例度對控制過程的影響如圖4所示。
由圖可見,比例度 δ越大即 K 越小過渡過程曲線越平穩,但靜差很大。比例度越小,則過渡過程曲線越振盪。比例度過小時,就可能出現發散振盪。當比例度 δ太大時,即放大倍數 K 太小,在干擾產生後,調節器的輸出變化很小,調節閥開度改變很小,被控變數的變化很緩慢,比例控制作用太小(如曲線6所示)。當比例度偏大時, K 偏小,在同樣的偏差下,調節器輸出也較大,調節閥開度改變亦較大,被控變數變化也比較靈敏,開始有些震盪,靜差不大(如曲線5所示)。當比例偏小,調節閥開度改變更大,大到有點過分時,被控變數也就跟著過分地變化,再拉回來時又拉過頭,結果會出現激烈的振盪(如曲線3所示)。當比例度繼續減小某一數值時,系統出現等幅振盪,這時的比例度稱為臨界比例度 δ (如曲線2所示)。
當比例度小於 δ 時,比例控制作用太強,在干擾產生後,被控變數將出現發散振盪(如曲線1所示),這是很危險的。工藝生產通常要求比較平穩而靜差又不太大的控制過程,如曲線4所示,因此選擇合適的比例帶 δ,比例控制作用適當,被控變數的最大偏差和靜差都不太大,過渡過程穩定得快,一般只有兩個波,控制時間短。
比例控制作用雖然及時,控制作用強、但是有餘差存在,被控變數不能完全回復到設定值,調節精度不高。因此比例控制只能用於干擾較小,滯後較小,而時間常數又不太小的對象。一般情況下比例度的大致範圍為:壓力對象30~70%,流量對象40~100%,液位對象20~80%,溫度對象20~60%。有時也有例外情況。
