概念
當通過繼電器的電流減小到低於其整定值時就動作的繼電器稱為欠電流繼電器。
工作原理
在電路正常工作時,欠電流繼電器的銜鐵與鐵芯始終是吸合的。只有當電流降至低於整定值時,欠電流繼電器釋放,發出信號,從而改變電路的狀態。欠電流繼電器的吸引電流一般為線圈額定電流的0.3~o.65倍,釋放電流為額定電流的0.1~o.2倍。
常用型號和選擇
常用的欠電流繼電器有JLl4一口口ZO等系列產品,常用於直流電動機和電磁吸盤電路中作弱磁保護。
(1)電流繼電器的額定電流一般可按電動機長期工作的額定電流來選擇。對於頻繁啟動的電動機,考慮到啟動電流在繼電器中的熱效應,額定電流可選大一個等級。
(2)電流繼電器的觸點種類、數量、額定電流及復位方式應滿足控制線路的要求。
(3)過電流繼電器的整定電流一般取電動機額定電流的1.7~2倍,頻繁啟動的場所可取電動機額定電流的2.25~2.5倍。欠電流繼電器的整定電流一般取額定電流的0.1~o.2倍。
安裝和使用
(1)安裝前應檢查繼電器的額定電流和整定電流值是否符合實際使用要求,繼電器的動作部分是否靈活、可靠,外罩及殼體是否有損壞或缺件等情況。
(2)安裝後應在觸點不通電的情況下,使吸引線圈通電操作幾次。看繼電器動作是否可靠。
(3)定期檢查繼電器各零部件是否有鬆動及損壞現象,並保持觸點的清潔。
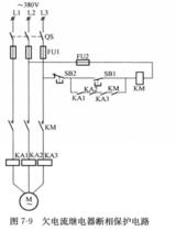
欠電流繼電器斷相保護電路
欠電流繼電器電路如圖7-9所示,電路採用三隻欠電流繼電器作斷相保護。
工作原理:按下起動按鈕SBl,接觸器KM線圈得電動作,主觸點閉合,電動機起動。欠電流繼電器KAl、KA2、KA3動作,其動合觸點閉合,與已閉合的KM動合輔助觸點形成自鎖,電動機正常運行。當電動機發生斷相運行時,接在斷相上的欠電流繼電器釋放,相應繼電器的動合觸點打開,使交流接觸器線圈的自鎖電路斷開,接觸器失電釋放,電動機停止運轉。

