產品分類
浴霸是許多家庭沐浴時首選的取暖設備(行業里亦稱作多功能取暖器)。目前,市場上銷售的浴霸按其發熱原理可分為以下4種:
燈泡系列浴霸燈泡系列浴霸:以特製的紅外線石英加熱燈泡作為熱源,通過直接輻射加熱室內空氣,不需要預熱,可在瞬間獲得大範圍的取暖效果。其功能是取暖、換氣、照明,採用2盞或4盞275W硬質石英防爆燈泡取暖,效果集中強烈,一開燈即可取暖,無需預熱,非常適合生活節奏快捷的人群。二合一浴霸是專門為已安裝好通風扇或低矮浴室、老住宅浴室而設計的,特點是安裝簡便。
PTC(一種陶瓷電熱元件)系列浴霸:以PTC陶瓷發熱元件為熱源,具有升溫快、熱效率高、不發光、無明火、使用壽命長等優點,同時具有雙保險功能,非常安全可靠。風暖由面板,兩組或四組PTC發熱陶瓷組成,一般功率在2000W,一個正反轉的電機,有些還有個小電機。質量好的PTC發熱體,其散熱鋁條規整、陶瓷發熱片完整、塗抹的連線膠水外觀光滑、PTC工作時發熱均勻、不發紅、無引起不適的氣體散出等。質量差的PTC發熱體則鋁條發黑、陶瓷片不統一、膠水外溢、工作時有焦臭味等等。
雙暖流系列浴霸雙暖流系列浴霸:採用遠紅外線輻射加熱燈泡和PTC陶瓷發熱元件聯合加熱,取暖更快,熱效率更高。
遠紅外熱波浴霸:又命名為“陽光浴”,它是模擬太陽光的原理,提供一種光催化塗料組合物,還有一種具有該組合物的輻射加熱系統,利用電能轉化為熱能的,熱能通過該種組合物轉化為遠紅外線。整個體系可達到遠紅外輻射供熱、除臭及抗菌性能。具有體感溫度高、無風、無噪音、無光等優點,同時使用壽命長,安全可靠。
發展歷程
中國在20世紀九十年代中期開始研製生產浴霸。浴霸已經成為現代家庭時尚生活必不可少的一部分。
浴霸是低投入、高回報的小家電產品,製造的資金和技術門檻不高,受住房條件、經濟能力、消費觀念的影響,浴霸市場主要集中在大中型城市。隨著技術越來越先進,質量越來越完善,浴霸在中國家庭的擁有率也逐年上升。
中國浴霸行業在發展的同時,一些問題也日益顯露出來。如由於沒有一個統一、詳盡的安全指標和質量檢驗評定標準,造成一些低質偽劣的產品充斥其中,對消費者的健康及安全造成極大的威脅,而國家對浴霸行業的各項質量、安全指標還沒有明確的規定和標準等等嚴重製約了行業的進一步發展和品質的提高。
《中國浴霸行業分析及投資前景預測報告》對於中國浴霸企業必須抓住新的發展形勢,加大科技創新,構建一個規範完整的價格體系以及銷售體系,加強售後服務水平,打造多種推廣渠道,對浴霸行業的國家標準進行統一規劃,這也是行業未來發展的必然選擇。
消費者觀念的變化,生活檔次的提高,對浴霸產品的外形、適用性等的要求越來越高。充滿時尚氣息,更適合現代家居使用,耐熱、防腐、防鏽性的新型金屬面板將會成為未來浴霸面板套用趨勢。
而在全球金融危機和經濟增速放緩的背景下,小家電卻在整體增速下滑的國內家電業中獨樹一幟。08年國內從事小家電的企業前三季度銷售額均出現大幅增長。
與傳統家電產品不同,小家電在中國的銷售仍然處於發展階段,隨著消費者需求增加,小家電產品的種類和數量都在提升,小家電平均利潤率高,為企業帶來的收益也高。未來小家電在中國的利潤率和增長率均將提升至30%左右。
產地分布
做浴霸的廠家主要集中浙江一帶,其他的分布比較分散。其中做光暖和風暖浴霸的廠家有400餘家。但做碳纖維的廠家不多,這些廠家只是將碳素纖維加熱管套用到浴霸中在此稱為碳纖維浴霸,其價格並不是很高。由於這些品牌用的都是通用零配件,只是將此產品作為一個其浴霸產品的一個型號來做,沒有大規模的研發和推廣,所以型號和外觀相對單一。
使用指南
開啟浴霸取暖一定要同時將換氣扇打開浴霸後面那個風扇得主要作用應該是給浴霸散熱用的,而國內眾多低端市場中的浴霸普遍將風扇當成了排氣扇或換氣扇在使用,導致多數用戶為了節電在使用的過程中都沒有將風扇開啟,從而導致浴霸燈向上散發的熱量在浴霸內部聚集產生高溫從而影響到浴霸的使用壽命,別得不說,最起碼,連線浴霸得電線皮子可是經不起高溫的。所以開啟浴霸取暖的同時一定要同時將浴霸燈後面的散熱風扇打開。
開啟散熱風扇後,風向應該向浴室裡面吹也就是說,浴霸後面那個普遍被認為是排氣口得位置實際應該是進氣口。這樣在淋浴得時候,因為有風扇在向下吹分的緣故,既可以避免水蒸氣飄入浴霸裡面對電機造成影響,也可以將取暖燈泡附近的熱空氣吹向浴室內部。這樣的工作原理實際就跟電吹風得的工作原理是一樣的。解決方案:對於已有的風向相反的浴霸,只需要拿到修電動機那點將電機裡面連線電容得線輕輕改動一下就行,這樣改線不建議普通用戶自行打開進行改動,所以具體改動方案這裡就不再詳述。
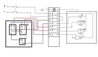
浴霸開關線路的改進方案現在市面上得燈暖型浴霸開關連線圖普遍分為兩種。
浴霸其中弟一張是最簡單的一種接法。
第二張在考慮節電的基礎上經過改進了的。其特點是無開啟任何一組取暖燈泡的同時,照明燈都無法開啟,只有在取暖燈都沒有工作的時候,照明燈才能夠正常使用。
浴霸這張圖則是在上面第二張圖的基礎上改進得來得。
其特點是:無論開啟任何一組取暖燈的同時,散熱風扇都會同時工作,並且將照明燈關閉;只有在取暖燈都關閉得時候,照明燈才可以被開啟。
只是所使用的開關會特殊一點,需要用到兩個雙刀雙擲開關(也就是照明電路中的多控開關)和一個單刀開關(普通開關)。
使用和安裝
電源配線系統要規範浴霸的功率最高可達1100W以上,因此,安裝浴霸的電源配線必須是防水線,最好是不低於1mm的多絲銅芯電線,所有電源配線都要走塑膠暗管鑲在牆內,絕不許有明線設定,浴霸電源控制開關必須是帶防水10A以上容量的合格產品,特別是老房子浴室安裝浴霸更要注意規範。
浴霸的厚度不宜太大
浴霸在安裝問題上,消費者在選購時一定要注意浴霸的厚度不能太大,一般的在20公分左右即可。因為浴霸要安裝在房頂上,若想要把浴霸裝上必須在房頂以下加一層頂,也就是我們常說的PVC吊頂,這樣才能使浴霸的後半部分可以夾在兩頂中間,如果浴霸太厚,裝修就困難了。
應裝在浴室的中心部很多家庭將其安裝在浴缸或淋浴位置上方、這樣表面看起來冬天升溫很快但卻有安全隱患。因為紅外線輻射燈升溫快,離得太近容易灼傷人體。正確的方法應該將浴霸安裝在浴室頂部的中心位置,或略靠近浴缸的位置,這樣既安全又能使功能最大程度地發揮。
工作時禁止用水噴淋在使用時應該特別注意:儘管現在的浴霸都是防水的,但在實際使用時千萬不能用水去潑,雖然浴霸的防水燈泡具有防水性能,但機體中的金屬配件卻做不到這一點,也就是機體中的金屬仍然是導電的,如果用水潑的話,會引發電源短路等危險。
忌頻繁開關和振動平時使用不可頻繁開關浴霸,浴霸運行中切忌周圍有較大的振動,否則會影響取暖泡的使用壽命。如運行中出現異常情況,應即停止使用,且不可自行拆御檢修,一定要請售後服務維修部門的專業技術人員檢修。
保持衛生間清潔乾燥在洗浴完後,不要馬上關掉浴霸,要等浴室內潮氣排掉後再關機;平時也要經常保持浴室通風、清潔和乾燥,以延長浴霸的使用壽命。
選擇高質量、好品牌據介紹,一般的浴霸取暖燈泡都是紅外線石英輻射燈,這種取暖方式升溫快,對身體無損害。瞬間可升溫到25℃左右,一般浴霸分為2個燈泡和4個燈泡的,購買時應根據自己的浴室空間大小。如果在5平方米以下一般2個燈泡的浴霸足夠使用,而稍大一些的浴室可以選擇4個燈泡的浴霸。目前取暖燈泡一般都為防水防爆型的,部分取暖燈泡外有防護網。
浴霸產品一般集照明、取暖、排風三種功能於一體,安裝後,整個浴室往往就會節約出很多空間。一般來說,浴霸的外表色調、尺寸、樣式應該與浴室的裝修風格一致,這樣才能協調。此外,由於浴霸屬於與人們接觸較多較近的電器,一旦質量不過關,發生漏電觸電會直接造成傷害,因此應該儘可能選擇大品牌的產品,一般都可以提供三年免費保修。
兩種燈泡勿同時使用浴霸開啟時四個取暖燈泡和照明的燈泡同時使用,這樣不但費電而且還不安全,四個取暖燈泡的功率最高可達1100W,長時間使用,可能會容易造成一些老宅的線路跳閘。同時在浴霸下的站立時間不宜過長,一般不應該超過半小時,否則容易被強光輻射所傷。
由於取暖燈泡的亮度已經足夠高,因此很多廠家在出廠時已經設計了當取暖燈泡開啟時自動切斷照明燈泡,但有些早期型號還不具備此功能,為了避免浪費,用戶不應該同時開啟照明。而且很多用戶喜歡在浴室中看書,如果使用高亮度的取暖燈光作為照明,很容易對眼睛造成傷害。
安裝不宜過低浴霸在安裝之時,儘量選擇在頭頂安裝,而不是像某些賓館中的在身體側面。最好不要距離頭頂過低,理論上應該在40厘米的距離之上,這樣才能保證既取暖又不會灼傷皮膚。
此外,浴霸在工作時不要用水噴淋。儘管現在的浴霸都是防水的耐高溫燈泡組成,但其旁邊縫隙中的電機往往是很怕接觸水的,電機中的金屬導電性能很強,接觸到較多水易引發電源短路,造成危險。另外浴霸的取暖燈泡在開啟後度數可以達到165度,絕對不要用手去觸摸,否則很容易燙傷,也要儘量避免嬰兒近距離接觸。
行業發展情況
中國在20世紀九十年代中期開始研製生產浴霸,以奧普、名族、寶蘭等企業為代表的浴霸企業占據了國內浴霸市場主要份額。浴霸已經成為現代家庭時尚生活必不可少的一部分。
浴霸是低投入、高回報的小家電產品,製造的資金和技術門檻不高,受住房條件、經濟能力、消費觀念的影響,浴霸市場主要集中在大中型城市。隨著技術越來越先進,質量越來越完善,浴霸在中國家庭的擁有率也逐年上升。
中國浴霸行業在發展的同時,一些問題也日益顯露出來。如由於沒有一個統一、詳盡的安全指標和質量檢驗評定標準,造成一些低質偽劣的產品充斥其中,對消費者的健康及安全造成極大的威脅,而國家對浴霸行業的各項質量、安全指標還沒有明確的規定和標準等等嚴重製約了行業的進一步發展和品質的提高。
中國浴霸企業必須抓住新的發展形勢,加大科技創新,構建一個規範完整的價格體系以及銷售體系,加強售後服務水平,打造多種推廣渠道,對浴霸行業的國家標準進行統一規劃,這也是行業未來發展的必然選擇。
消費者觀念的變化,生活檔次的提高,對浴霸產品的外形、適用性等的要求越來越高。充滿時尚氣息,更適合現代家居使用,耐熱、防腐、防鏽性的新型金屬面板將會成為未來浴霸面板套用趨勢。
而在全球金融危機和經濟增速放緩的背景下,小家電卻在整體增速下滑的國內家電業中獨樹一幟。08年國內從事小家電的企業前三季度銷售額均出現大幅增長。
與傳統家電產品不同,小家電在中國的銷售仍然處於發展階段,隨著消費者需求增加,小家電產品的種類和數量都在提升,小家電平均利潤率高,為企業帶來的收益也高。未來小家電在中國的利潤率和增長率均將提升至30%左右。
安全隱患
一、紅外線損害眼睛和皮膚
紅外線是一種熱輻射,對人體可造成高溫傷害.較強的紅外線可造成皮膚傷害,其情況與燙傷相似。最初是灼痛,然後造成燒傷。
紅外線對眼睛的傷害有幾種不同情況:
1.波長為0.75~1.3微米的紅外線對角膜的透過率較高,可造成眼底視網膜的傷害。尤其是1.1微米附近的紅外線,可使眼睛的前部介質(角膜、晶體等)不受損害而直接造成眼底視網膜燒傷
2.波長1.9微米以上的紅外線,幾乎全部被角膜吸收,會造成角膜燒傷(混濁、白斑)
3.波長大於1.4微米的紅外線的能量絕大部分被角膜和內液所吸收,透不到虹膜
4.只有1.3微米以下的紅外線才能透到虹膜,造成虹膜傷害.人眼如長期暴露於紅外線,可引起白內障。
防護辦法當然是使自己的眼睛不和紅外線正面直接接觸,或是坐在它的側面,目光不及之處,或索性背向著它,得其暖而避開它的傷害。嬰幼兒洗澡,是被放在盆中的,仰視上方,若是上邊有浴霸亮著,這孩子的眼睛恐怕就此已經完了,家長和孩子日後都會深受其害的。
家裡有嬰兒的千萬不要在給小孩子洗澡時候讓孩子仰面朝上的同時候打開浴霸,否則將給孩子未來的視力造成永久傷害。
二、強光很容易灼傷眼睛
中國醫科大學盛京醫院眼科教授郭玉振介紹:家庭浴室一般靠浴霸取暖,人們冬季洗澡時往往是4個燈泡全都點亮。多數浴霸每個燈泡的瓦數均為275瓦,4個燈泡加在一起就是1100瓦。強光會造成光污染。經常長時間使用浴霸,會出現頭暈目眩、失眠、注意力不集中、食慾下降等症狀。這是因為過於耀眼的燈光干擾了人體大腦的中樞神經功能。還有資料顯示,光污染會削弱嬰幼兒的視覺功能,影響兒童的視力發育。
三、浴霸並不防水
雖然浴霸的防水燈泡具有防水性能,但是燈具和排風扇,照明燈等非IP33的防水結構燈,但機體中的金屬配件不防水,也就是機體中的金屬仍然是導電的。如果用水潑的話,會引發電源短路等危險。
四、浴霸並不舒適
浴霸的工作原理是通過取暖泡的熱輻射來升高浴室的溫度。但僅能對輻射到的局部區域加熱,而不能使整個浴室溫暖,浴室溫度不均衡。浴霸的上暖下涼加熱方式也不符合人體感受腳暖頭涼的舒適要求,極易使老人和兒童及身體虛弱者引發呼吸道感染。這也是為什麼使用過浴霸的人都感覺並不暖和、不舒適的原因。
五、浴霸質量良莠不齊,假冒偽劣多,購買要謹慎
國家質檢總局公布調查數據,室內加熱器產品(包括浴霸)的抽樣檢查,近四成產品不合格。山西、四川等省抽查結果顯示,浴霸合格率僅五成左右。作為一個有中國特色的產品(國外沒有此類產品),進入市場已十餘年,至今國家對浴霸產品也沒有一個行業標準出台。
由於浴霸生產進入門檻低,技術含量不高,利潤大,市場空間廣,吸引了眾多的投機者,浴霸市場變得泥沙俱下,混亂不堪,假冒偽劣充斥。據統計,國內就有浴霸廠家四百多家,還不包括大量貼牌產品和小作坊加工廠。大多為浙江小廠,即使一些所謂“名牌”也不過是浙江貼牌生產,往往不敢註明產地。浴霸廠家為多占市場份額大多施行多品牌戰略,加之未註冊品牌及假冒產品,市場上浴霸品牌近千。浴霸價格也從上市之初的千餘元跌落到一、兩百元。
但需要注意的是,很多“名牌”都是假貨!比如philips浴霸實際上是浙江的一個小廠在香港註冊了一飛利浦香港科技公司生產的。奧普浴霸有香港、深圳等地生產的(有6.7個產地,當然只有杭州的才是正品)。一隻浴霸燈泡15-20元,風扇25-30元,面板材料費10元,再加上工人工資大概造價不到150元,市場比較亂,處於一種基本無序的狀態。市場上叫價200--300元。一些低劣產品實際上只是把燈泡、風扇拼湊到一個外表華麗的面板上而已。
燈暖型和送風型比較
熱傳導有三種方式:傳遞、對流、輻射。
傳遞是通過物體直接接觸來傳導熱量,在此不作討論
對流是由冷、熱空氣的溫差使整個空間中的空氣產生流動,進而使這空間的溫度升高。送風型的浴霸就是採用這一原理。
落後輻射是以光波為載體,按線性方向送出熱量。燈炮型浴霸就是採用這一原理。
送風型浴霸的升溫時間較長需提前開啟,這是缺點,但降溫時間也長(如想節能,可以提前關閉),同時它能使整個衛生間的溫度都升高,並且比較柔和。
燈泡型浴霸不存在升溫時間的問題,但受到燈泡照射角度的限制而帶有方向性,衛生間內冷熱不勻,這是最大缺點,並且不夠柔和。
另外,從熱傳導原理來看,輻射屬高溫傳導方式,在攝氏600—800度是效能最高的,顯然採用這一原理製造的燈泡型浴霸在能源的利用上是有點問題的。
各自的優缺點都很明顯:
1.燈暖的只能局部加溫制熱快。燈照的地方很熱,尤其是頭頂上,常常會覺得太熱。但照不到的地方,如腳、輻射以外的地方都沒有感覺,因此我覺得適合裝在淋浴的頭頂上,而且在淋浴時可以一直開著。
2.風暖升溫較慢,但復蓋範圍大,可以時面積不大的衛生間同時提高溫度。在衛生間各個角落都可以感受到溫暖。安裝適合在衛生間中央,不要裝淋浴房或浴缸的上面,因為當你熱水開大後,風暖溫度不可能大於水溫(暖風最多30多度,熱水要50度以上),因此洗澡時直吹會覺得很冷,還不如關掉。
總的來說:熱效率是燈暖的高(省電),但安全性還是風暖的好。這是兩個都用下來的一點感覺。空調型的不好,吹身上感覺很冷。
浴霸的選購
浴霸選購還要考慮到浴室空間情況。一般小浴室因為面積小,水霧比較大,因此最好選擇換氣效果較好的浴霸;如果是新裝修房間,可考慮安裝不占空間,款式外觀選擇餘地較大的吸頂式浴霸;如果是老房,則需根據是否有吊頂以及吊頂厚度是否足夠、是否有足夠插頭來選擇浴霸。選擇智慧型型全自動負離子器浴霸。選擇集取暖、照明、換氣、吹風、導風和淨化空氣為一體的,採用內置電過熱保護器,當溫度升到一定時,便可自動關機;而清新負離子器技術,使之能夠源源不斷地產生清新負離子,避免空氣中的細菌繁殖,讓浴室空氣更加清新。風機噪音小並具有強大的換氣功能,能及時排除室內的污濁空氣、異味和濕氣,增強空氣流通,保持空氣清新。儘量選擇採用大燈距設計,其優點是增大取暖泡間的距離使熱輻射面更寬廣,使熱量在浴室中的覆蓋面積更廣,熱量分布更均勻。同時,還可以靈活地通過搖控器調節溫度。
選擇裝飾性突出的浴霸。浴霸裝在浴室頂部,不占用使用空間。最新型浴霸在降低厚度、流線外形和和色彩多樣化上都更具現代氣息,有很好的裝飾效果,取暖泡採用了低色溫設計,光線柔和,不刺激眼睛。這種浴霸有蝶型、星型、波浪型、虹型、宮型等多款時尚造型,充分采拮自然之美,能為您的浴室增添幾許和諧氣息。另外面罩特有的不鏽鋼、塑膠材質的結合,更加匹配裝修,更能搭配個性獨特的浴室靚麗空間。
拫據使用面積和高低選擇功率。選購浴霸,要看其使用面積和浴室的高低來確定。市面上的浴霸主要有兩個、三個和四個取暖燈泡的,其適用面積各不相同。一般以浴室在2.6m的高度來選擇,兩個燈泡的浴霸適合於4平米左右的浴室,這主要是針對小型衛生間的老式樓房;四個燈的浴霸適合於6-8平方米左右的浴室,這主要是針對新式小區樓房家庭而言。
使用材料和外觀上工藝檢查。選購浴霸,還應該注意檢查外型工藝水平,要求不鏽鋼、烤漆件、塑膠件、玻璃窧、電鍍件鍍層等,表面均勻光亮、無脫落、無凹痕或嚴重劃傷、擠壓痕跡,外觀漂亮。選擇時要注意識別假冒偽劣產品,其騙術往往採用冒牌商標和包裝,或將組裝品牌冒充原裝商品,但此類商品一般外觀工藝都較粗糙。
選購時掌握各種類型性價比。一般4個燈的浴霸的正常售價應在500元以上、並根據功能多少和變化上浮、如果低於這個價格就要考慮它的品質了。由於浴霸對取暖燈技術的嚴格要求也決定了高質量的浴霸價格不會很低,如果消費者在市場上看到200-300元的浴霸,甚至是四盞燈的,大多是偽劣假冒產品,因為一隻安全指標合格的紅外線取暖燈泡的價格應在50元以上,四支就是200元,其它正品配件價格也得在150元左右,在加上廠家的利潤、最少售價也應500元以上,低價的浴霸為降低成本,只能採用一些低價的原材料從而降低浴霸的安全性,消費者千萬不要上當。
選3C認證專業廠名牌產品。一些技術和資金方面有實力的大工廠,開發出的電器名牌產品,一般工藝都比較精良、性能穩定和安全可靠。選購時應檢查是否有我國對家電產品要求統一達到產品質量的3C認證標準,獲得認證的產品機體或包裝上應有3C認證字樣;還要有國家頒發的生產許可證,有廠名、廠址、出廠年月日、產品合格證、檢驗人員的號碼,以及圖紙說明書、售後信譽卡、維修站地址和電話等。
選擇售後服務有保障的產品。浴霸專業廠家生產的並被市埸公認的名牌產品,一般保修一至三年和終身維修,本地有維修服務部網點,做到免費安裝、登門維修。取曖燈等零配件失效後,到廠家能即時更換和長期供應,並能做到產品免費升級待遇。所以,消費者應該選擇售後服務完善的產品。
選購碳纖維浴霸
關於碳纖維浴霸資料比較少,到處都是某個知名碳纖維浴霸品牌的軟文,我只收集其中的介紹部分。碳纖維浴霸突破傳統取暖設備的單一性功能、避免上述浴霸的缺陷,並進一步滿足消費者的更高需求,將航天頂尖科技材料碳纖維引用於取暖領域,經過高科技處理,使其遠紅外發熱效率高達98%,比傳統浴霸節能30%,這是風暖PTC、燈泡、鹵素管和普通碳纖維等發熱體所無法比擬的。由於碳纖維內部組成和分布得到充分的最佳化,其釋放的遠紅外線層次也豐富,從而使暖療、取暖、殺菌功能在遠紅外的不同波段更加充分得到實現。所以,該技術研發出的具有高效暖療功能的碳纖維浴霸,在取暖、環保、壽命、安全、保健、節能等六大標準上實現了革命性的突破。
一方面將使用壽命延長到了8000小時以上,碳纖維熱感管高溫狀態下不氧化、電阻不增大、不因電流超負荷而燒斷,而且耐老化性強。
二是碳纖維浴霸獨有的碳纖維熱感管,熱轉換效率高,比一般金屬發熱體節能30%以上,充分實現了節能環保。
三是這種碳纖維浴霸無強光刺眼,只輻射4.5-13.4um遠紅外線,恰好與紅外波長在6~15цm區間被人類稱為“生命之光”的光波相吻合,極容易被人體吸收,並促動人體內細胞的原子和分子共振而產生熱效應,使皮膚和皮下組織升溫——讓人體由內至外發熱,不但可以改善血液循環、促進新陳代謝,還有利於身體機能提升和內分泌平衡,從而提高人體免疫力,達到暖療保健、舒緩疲勞的目的。
四是這種碳纖維浴霸能滿足一年四季不同的需求,春、夏、秋、冬四季皆宜,在各個季節里其使用都別具特色、隨季節而變。
友情提示
寶寶的眼角膜和結膜表層很嬌嫩,如果洗澡時開著浴霸暖,寶寶就會盯著燈看,眼睛容易遭到浴霸強光的傷害,影響視力發育。
因此,給寶寶洗澡前,先打開取暖器15~20分鐘,等浴室溫度升上去了,關掉取暖器再給寶寶洗澡。洗後及時擦乾身體,穿好衣服,避免著涼。

