橢圓形角隅與圓形角隅疲勞分析比較
散貨船中創建不同尺寸的橢圓形角隅,對其進行熱點應力分析計算,並將其與相應尺寸的圓形角隅作了對比。橢圓形角隅滿足鋼規的相關規定,如下圖所示。
鋼規對橢圓形艙口角隅的相關規定圓形角隅的半徑分別取為相對應的橢圓形角隅的短邊長度。下圖分別為為角隅細化模型圖與應力分布圖。
角隅細化模型圖與應力分布圖根據下圖中的計算結果,可以得出:橢圓形艙El角隅的熱點應力遠小於圓形艙口角隅的熱點應力。當圓形艙口角隅為減小其自由邊的熱點應力時。橢圓形角隅處的甲板可不必一定加厚,因此,從這一角度而言,鋼規的要求是合理的。
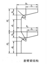
熱點應力分析結果懸臂樑結構
懸臂樑是從舷側延伸至其所支持的艙口甲板縱桁的甲板強橫樑。當艙口寬度、長度很大時,為了減小艙口圍板或艙口縱桁的尺度,在艙長範圍的適當部位設定懸臂樑結構,作為艙口圍板或縱桁的彈性支座。
懸樑臂結構懸臂樑及其支持肋骨的結構形式,如右圖所示。
(1)懸臂樑和支持肋骨之間應設定圓弧形連線肘板,半徑不小於u,肘板面板剖面積和腹板厚度均不小於所連線構件中的較大者;肘板趾端(懸臂樑和支持肋骨計算剖面處)應設防傾肘板,在連線肘板的腹板上應設定適當數量的加強筋,如圖7所示。
(2)當甲板為縱骨架式時,懸臂樑應設定防傾肘板;當甲板為橫骨架式時,懸臂樑防傾肘板的間距一般為3m。
(3)懸臂樑和支持肋骨腹板的最小厚度,應不小於腹板高度的1%加4.5mm。當腹板高度大於700mm時,應設定間距不大於1.5倍腹板高度的垂直加強筋。
(4)懸臂樑和支持肋骨端部的腹板高度不小於計算剖面處腹板高度的50%,端部面板剖面積不小於計算剖面處面板剖面積的60%。當縱骨穿過懸臂樑和支持肋骨時,其腹板高度不小於縱骨穿過處的切口高度1.6倍。
(5)如懸臂樑和支持肋骨是由2個或3個靠在一起的T型剖面的構件組成或組成箱形構件時,可將此種懸臂樑看作是一根懸臂樑。
(6)套用肘板將艙內支持肋骨與內底牢固連線,在雙層底內對應於懸臂樑和支持肋骨的平面上,應設定實肋板或其他加強結構。
(7)艙口縱桁在甲板板以下的腹板高度一般應不得小於懸臂樑端部的腹板高度。應將懸臂樑與艙口縱桁牢固連線。
橢圓形艙口角隅的相關規定
《鋼質海船人級規範》中指出當強力甲板上機艙、貨艙開口的角隅是橢圓形時,角隅處的甲板不需加厚板,但需要滿足以下幾點。
1)角隅短邊長度取1/20左右的艙口寬度,並且不小於300 mm,也不必大於600 mm。
2)角隅長邊長度不得小於1/10的艙口寬度,也就是角隅長邊長度是短邊長度的兩倍以上。《船體結構疲勞強度評估指南》 規定進行甲板疲勞強度應力直接計算時,只考慮總體波浪彎矩的作用,包含以下計算工況。
① 滿載或壓載下總體垂向波浪彎矩範圍。
② 滿載或壓載下總體水平波浪彎矩範圍。
橢圓形艙口角隅的格線自動劃分
採用橢圓形艙口角隅格線的自動劃分新方法,編寫針對橢圓形艙口角隅的細化工具。採用該工具,針對某一散貨船的某一角隅,創建了不同尺寸、不同板厚的有限元模型,並對其進行熱點應力疲勞分析計算,研究角隅尺寸對疲勞強度的影響。

