基本信息
含義:完成兩個模擬信號瞬時值相乘功能的電路或器件。
理想特性方程表示; uO(t)=Kux(t)uy(t)
特性分析
式中ux(t)和uy(t)分別表示兩個輸入的模擬信號電壓,uO(t)為輸出電壓,K為模擬相乘器的相乘增益。
若ux(t)=uCcosωCt,uy(t)=uΩcosΩt,則uO(t)=KuCuΩcosΩtcosωCt;
它們的時間函式圖形分別如圖1a、b、 c。ux(t)和uy(t)也可以是直流電壓,這時若ux=5伏,uy=7伏,K=0.1,則uO=3.5伏。
模擬相乘器技術
模擬相乘器的主要技術指標是工作象限、線性度和饋通度。
工作象限是指容許輸入變數的符號範圍。只容許ux和uy均為正值的相乘器稱為一象限的,而容許ux和uy都可以取正、負值的則稱為四象限的。線性度是指相乘器的輸出電壓uO與輸入電壓ux(或uy)成線性的程度。饋通度是指兩個輸入信號中一個為零時,另一個在輸出端輸出的大小。
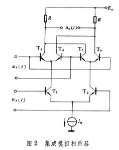
典型的模擬相乘器原理電路
如圖2。它利用電晶體的基-發射結電壓與集電極電流的非線性特性實現相乘。
這是一種四象限相乘器,在ux與uy信號幅度較小時(小於26毫伏),它具有接近理想的相乘特性。引入附加校正電路可以擴大ux與uy的取值範圍。
圖2中的相乘器電路還常用於兩個輸入信號中一個是大信號,一個是小信號或兩個都是大信號的情況。
模擬相乘器常用的模擬相乘器
二極體環形相乘器。
它的典型電路如圖3。若四個二極體D1~D4的特性一致,利用二極體的電流與加在二極體兩端電壓的非線性關係,即可實現ux與uy的相乘。
這種電路結構簡單,但不能實現兩個直流信號的相乘。
模擬相乘器實現模擬相乘的方法
方法還有很多。例如,利用霍爾效應可以將通過霍爾元件的電流與外加磁場所建立的磁感應強度相乘,得到與乘積成比例的電壓。模擬相乘器在諸如乘、除、開方、平方等模擬運算方面和混頻、調製、鑒頻、鑒相等模擬信號處理方面,都得到廣泛套用。

