有源晶振
有源晶振簡介
1.無源晶振是有2個引腳的無極性元件
需要藉助於時鐘電路才能產生振盪信號,自身無法振盪起來無源晶振需要用DSP片內的振盪器,在datasheet上有建議的連線方法。無源晶振沒有電壓的問題,信號電平是可變的,也就是說是根據起振電路來決定的,同樣的晶振可以適用於多種電壓,可用於多種不同時鐘信號電壓要求的DSP,而且價格通常也較低,因此對於一般的套用如果條件許可建議用晶體,這尤其適合於產品線豐富批量大的生產者。無源晶振相對於晶振而言其缺陷是信號質量較差,通常需要精確匹配外圍電路(用於信號匹配的電容、電感、電阻等),更換不同頻率的晶體時周邊配置電路需要做相應的調整。使用時建議採用精度較高的石英晶體,儘可能不要採用精度低的陶瓷晶體。
2.有源晶振有4隻引腳
是一個完整的振盪器,裡面除了石英晶體外,還有電晶體和阻容元件。有源晶振不需要DSP的內部振盪器,信號質量好,比較穩定,而且連線方式相對簡單(主要是做好電源濾波,通常使用一個電容和電感構成的PI型濾波網路,輸出端用一個小阻值的電阻過濾信號即可),不需要複雜的配置電路。相對於無源晶體,有源晶振的缺陷是其信號電平是固定的,需要選擇好合適輸出電平,靈活性較差,價格相對較高。對於時序要求敏感的套用,還是有源的晶振好,因為可以選用比較精密的晶振,甚至是高檔的溫度補償晶振。有些DSP內部沒有起振電路,只能使用有源的晶振,如TI的6000系列等。有源晶振相比於無源晶體通常體積較大,但現在許多有源晶振是表貼的,體積和晶體相當,有的甚至比許多晶體還要小。
有源晶振型號 縱多,而且每一種型號的引腳定義都有所不同,接發也不同,下面我介紹一下有源晶振引腳識別,以方便大家有個點標記的為1腳,按逆時針(管腳向下)分別為2、3、4。用法
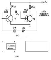
有源晶振通常的用法:一腳懸空,二腳接地,三腳接輸出,四腳接電壓。有源晶振不需要CPU的內部振盪器,信號質量好,比較穩定,而且連線方式相對簡單(主要是做好電源濾波,通常使用一個電容和電感構成的PI型濾波網路,輸出端用一個小阻值的電阻過濾信號即可),不需要複雜的配置電路。相對於無源晶體,有源晶振的缺陷是其信號電平是固定的,需要選擇好合適輸出電平,靈活性較差,而且價格高。有源晶振是由石英晶體組成的,石英晶片之所以能當為振盪器使用,是基於它的壓電效應:在晶片的兩個極上加一電場,會使晶體產生機械變形;在石英晶片上加上交變電壓,晶體就會產生機械振動,同時機械變形振動又會產生交變電場,雖然這種交變電場的電壓極其微弱,但其振動頻率是十分穩定的。當外加交變電壓的頻率與晶片的固有頻率(由晶片的尺寸和形狀決定)相等時,機械振動的幅度將急劇增加,這種現象稱為“壓電諧振”。壓電諧振狀態的建立和維持都必須藉助于振盪器電路才能實現。圖3是一個串聯型振盪器,電晶體T1和T2構成的兩級放大器,石英晶體XT與電容C2構成LC電路。在這個電路中,石英晶體相當於一個電感,C2為可變電容器,調節其容量即可使電路進入諧振狀態。該振盪器供電電壓為5V,輸出波形為方波。有源晶振型號縱多,而且每一種型號的引腳定義都有所不同,接發也不同,下面我介紹一下有源晶振引腳識別,以方便大家有個點標記的為1腳,按逆時針(管腳向下)分別為2、3、4。有源晶振通常的用法:一腳懸空,二腳接地,三腳接輸出,四腳接電壓。有源晶振不需要DSP的內部振盪器,信號質量好,比較穩定,而且連線方式相對簡單(主要是做好電源濾波,通常使用一個電容和電感構成的PI型濾波網路,輸出端用一個小阻值的電阻過濾信號即可),不需要複雜的配置電路。相對於無源晶體,有源晶振的缺陷是其信號電平是固定的,需要選擇好合適輸出電平,靈活性較差,而且價格高。有源晶振是右石英晶體組成的,石英晶片之所以能當為振盪器使用,是基於它的壓電效應:在晶片的兩個極上加一電場,會使晶體產生機械變形;在石英晶片上加上交變電壓,晶體就會產生機械振動,同時機械變形振動又會產生交變電場,雖然這種交變電場的電壓極其微弱,但其振動頻率是十分穩定的。當外加交變電壓的頻率與晶片的固有頻率(由晶片的尺寸和形狀決定)相等時,機械振動的幅度將急劇增加,這種現象稱為“壓電諧振”。壓電諧振狀態的建立和維持都必須藉助于振盪器電路才能實現。石英晶體振盪器的頻率穩定度可達10^-9/日,甚至10^-11。例如10MHz的振盪器,頻率在一日之內的變化一般不大於0.1Hz。因此,完全可以將晶體振盪器視為恆定的基準頻率源(石英表、電子表中都是利用石英晶體來做計時的基準頻率)。從PC誕生至現在,主機板上一直都使用一顆14.318MHz的石英晶體振盪器作為基準頻率源。主機板上除了這顆14.318MHz的晶振,還能找到一顆頻率為32.768MHz的晶振,它被用於實時時鐘(RTC)電路中,顯示精確的時間和日期
方形有源晶振引腳分布
1、正方的,使用DIP-8封裝,打點的是1腳。
有源引腳分布1-NC;4-GND;5-Output;8-VCC
2、長方的,使用DIP-14封裝,打點的是1腳。
1-NC;7-GND;8-Output;14-VCC
BTW:
1、電源有兩種,一種是TTL,只能用5V,一種是HC的,可以3.3V/5V
2、邊沿有一個是尖角,三個圓角,尖角的是一腳,和打點一致。
VccoutNC(點)GND
現在提供一些實際數據:
測試樣品為TOYOCOM的711SC1.000M的輸出頻率,1腳懸空,2腳接地,3腳輸出,4叫接+5V;1.4V就開始起振,峰值電壓1.64V,但是工作頻率會有一定的偏差;3V時峰值電壓3.24V,工作頻率1.000M,輸出頻率準確;5V時峰值電壓為5.6V,工作頻率1.000M,輸出頻率準確。
有源晶振與無源晶振的區別
由於石英晶體震盪器具有非常好的頻率穩定性和抗外界干擾的能力,所以,石英晶體震盪器是用來產生基準頻率的。通過基準頻率來控制電路中的頻率的準確性。
石英晶體震盪器的套用範圍是非常廣的,它質量等級、頻率精度也是差別很大的。通訊系統用的信號發生器的信號源(震盪源),絕大部分也用的是石英晶體震盪器。
1.無源晶振是有2個引腳的無極性元件,需要藉助於時鐘電路才能產生振盪信號,自身無法振盪起來。
2.有源晶振有4隻引腳,是一個完整的振盪器,其中除了石英晶體外,還有電晶體和阻容元件。
主要看你套用到的電路,如果有時鐘電路,就用無源,否則就用有源。
無源晶體需要用DSP片內的振盪器,無源晶體沒有電壓的問題,信號電平是可變的,也就是說是根據起振電路來決定的,同樣的晶體可以適用於多種電壓,可用於多種不同時鐘信號電壓要求的DSP,而且價格通常也較低,因此對於一般的套用如果條件許可建議用晶體,這尤其適合於產品線豐富批量大的生產者。
有源晶振不需要DSP的內部振盪器,信號質量好,比較穩定,而且連線方式相對簡單(主要是做好電源濾波,通常使用一個電容和電感構成的PI型濾波網路,輸出端用一個小阻值的電阻過濾信號即可),不需要複雜的配置.
電路有個點標記的為1腳,按逆時針(管腳向下)分別為2、3、4.
有源晶振通常的用法:一腳懸空,二腳接地,三腳接輸出,四腳接電壓。
相對於無源晶體,有源晶振的缺陷是其信號電平是固定的,需要選擇好合適輸出電平,靈活性較差,而且價格高。
晶振在套用具體起到什麼作用?
微控制器的時鐘源可以分為兩類:基於機械諧振器件的時鐘源,如晶振、陶瓷諧振槽路;RC(電阻、電容)振盪器。一種是皮爾斯振盪器配置,適用於晶振和陶瓷諧振槽路。另一種為簡單的分立RC振盪器。

