簡介
電力系統的接線方式按供電可靠性分為有備用接線方式和無備用接線方式兩種。無備用接線方式是指負荷只能從一條路徑獲得電能的接線方式。根據形狀,它包括單迴路放射式、幹線式和鏈式網路。有備用接線方式是指負荷至少可以從兩條路徑獲得電能的接線方式。它包括雙迴路的放射式、幹線式、鏈式、環式和兩端供電網路。
優缺點
有備用接線的主要優點在於供電可靠性高,供電電壓質量高。有備用接線中,雙迴路的放射式、幹線式和鏈式接線的缺點是不夠經濟;環形網路的供電可靠性和經濟性都不夠,但其缺點是運行調度複雜,並且故障時的電壓質量差;兩端供電網路很常見,供電可靠性高,但採用這種接線的先決條件是必須有兩個或兩個以上獨立電源,並且各電源與各負荷點的相對位置又決定了這種接線的合理性。
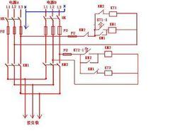
雙迴路
雙迴路就是指一個負荷有2個供電來源的迴路,單迴路就是指一個負荷有一個供電電源的迴路。採用雙迴路供電系統,可以有效的提高了供電系統的穩定性和可靠性,減少了系統線路故障率。
雙迴路供電系統是二個變電所或一個變電所二個倉位出來的同等電壓的二條線路組成的供電系統,採用雙迴路供電系統,當一條線路因故障或檢修停電時,另一條線路可以馬上切換投入使用從電,有效的提高了供電系統的穩定性和可靠性,減少了系統線路故障率,被廣泛套用於學校、廠礦、交通等環境中。

