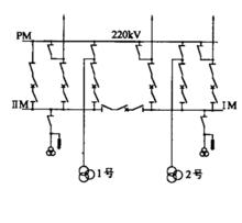
單母線分段帶旁路母線接線是由一組分段的主母線和一組旁路母線組成的電氣主接線。為了避免單母線分段接線中線路或主變壓器迴路的斷路器檢修時,引起線路或主變壓器迴路停電的缺點,設定了一組旁路母線,見下圖。當線路或主變壓器迴路的斷路器檢修時,該迴路可以通過旁路隔離開關接至旁路母線,再通過
單母線分段帶旁路母線接線旁路斷路器接至主母線,使該迴路繼續正常運行。
旁路斷路器通常的設定方式,是將一段主母線和一組旁路母線連線起來。由於只設一個旁路斷路器迴路,而且它與主母線Ⅰ和旁路母線之間是固定連線,因此不與旁路斷路器連線的主母線Ⅱ,其相應的線路或主變壓機迴路中斷路器停電檢修時,該問路通過旁路母線接入另一段主母線Ⅰ上,能保證繼續供電。因此,這種接線解決了斷路器檢修時的公共備用問題。較多的套用於100kV~220 kV進(出)線迴路多和牽引負荷電壓側饋線數量多的交流牽引變電所。
接線方式
單母線分段帶旁路母線接線方式主要分為兩種,分別為單母線分段兼旁路斷路器接線, 單母線分段帶專用旁路器接線。
單母線分段兼旁路斷路器接線單母線分段兼旁路斷路器接線中,接線中除每回出線裝設旁路隔離開關外,分段斷路器通過5組隔離開關兼作旁路斷路器,兩段母線均可帶旁路。 正常時旁路母線不帶電運行,分段斷路器作旁路運行時兩段母線可並列運行,任何一段母線檢修時利用旁路可使該段母線1 回出線不間斷送電。 這種接線雖可節省一組斷路器, 但設備布置及隔離開關閉鎖條件較複雜, 運行中分段斷路器作旁路時切換操作麻煩。
單母線分段帶專用旁路器接線單母線分段帶專用旁路器接線方法較簡明,操作方便,但由於旁路斷路器固定接在一段母線上,因而只能由相應母線帶旁路。 設計中旁路斷路器迴路往往接在出線較少的母線上, 這樣不僅可使兩段母線設備分配較均勻, 而且出線較多的母線檢修時利用旁路可使該段母線1回出線不間斷送電。
繼電保護設計
分析上述的旁代運行方式可知, 如一條線路為電源, 其潮流從線路流向母線, 斷路器潮流從右流向左, 而 當另一條線路供電時,繼電器的潮流從左流向右, 在運行中若沒有及時變更流入保護的二次電流極性, 其保護將發生誤動或拒動。
為了保證旁代斷路器在各種運行方式下繼電保護及自動裝置的正確動作, 其採樣電壓和電流應根據運行方式做相應的切換, 即線路電壓取自被旁代的線路, 母線電壓取自旁代斷路器所聯接的母線, 電流迴路的極性以一次功率從母線流向線路時其繼電保護的功率方向為正。電壓切換可通過轉換開關實現, 電流極性可通過聯接片的切換實現。
單母線分段帶旁路母線接線在110kV變電所中的套用極為廣泛, 其運行方式相當靈活。 旁代斷路器的繼電保護大多都設計和安裝有採樣電壓切換電路,實際運行時也有做切換的,而電流迴路則沒有設計和安裝極性切換電路,運行中更沒有考慮其功率方向, 因此在實際的旁代過程中發生了一些繼電保護的誤動和拒動, 從而擴大了電網事故, 給國民經濟造成損失。 因此應對單母線分段兼旁路斷路器繼電保護的電流迴路作改進及對運行規程進行修改, 以保證電網安全運行。
存在問題
母線停運影響送電時間,降低電網可靠性。220kV 配電裝置採用單母線帶旁路接線,在母線故障或檢修時,接在該段母線大部分或全部進出線將長時間停止送電。 因此, 考慮220kV 線路在電網中較為重要, 在進出線較多情況下不宜採用此接線, 以免母線停運對電網運行影響過大。
運行不靈活,操作複雜。對於中長距離輸電,如果主接線採用單母線分段帶旁路母線接線方法,在投切母線時需要外接供電線路,投切時間長,過程複雜。
工程擴建不便,對電網發展適應性差。220 k V 電網是系統連線的主要網路, 隨著系統的發展,此電壓級電網變化較大。 從電網建設的情況來看,220 k V 採用單母線分段帶旁路接線造成工程擴建不少困難,對電網發展適應性較差。
適用範圍
在220kV 電網中發電廠和變電所採用單母線分段或單母線分段帶旁路接線要慎重考慮,建議在一些用戶專用變電所或邊遠地區的終端變電所才採用此接線; 對於採用GIS設備的發電廠及變電所,考慮設備較可靠,母線故障或檢修的機會很少,故在進出線不太多的情況下也可採用單母線分段接線;對於處在電網連線樞紐點,周圍地區經濟發展潛力較大,供電範圍廣,以及附近地區規劃有較大電源建設的變電所,建議宜採用雙母線接線。此外,電網規劃中, 考慮220 k V 電網變化較大的情況,對於變電所220 k V 出線規模應留有足夠的裕度,以便確定合理的電氣主接線形式和場地布置;設計對於變電所的布置亦應考慮不堵死擴建的可能,以便適應電網規劃考慮不周情況的需要。

