連線特點
單母線接線單母線接線的每一迴路都通過一台斷路器和一組母線隔離開關接到這組母線上,見圖。
當進線和出線迴路數不止一回時,為適應負荷變化和設備檢修的需要,使每一迴路引出線均能從任一電源取得電能,或者任一電源被切除時,仍能保證供電,在引出迴路和電源迴路之間,用母線連結,單母線接線如圖 1 所示。斷路器 QF用以正常工作時接通與斷開該迴路,故障時斷開該迴路;隔離開關QS用以將電源與停運設備可靠隔離,並在斷開電路後建立明顯可見的斷開點,以保證檢修的人身安全。在單母線接線中,各迴路都裝有一台斷路器,斷路器的兩側各裝有一台隔離開關,出線L2通過斷路器2QF和隔離開關21QS、23QS連線到母線W上。與母線相連線的隔離開關21QS稱作母線隔離開關,與線路相連的隔離開關23QS稱作線路隔離開關。
接地開關QE的作用是保證檢修安全。當電壓等級在110KV及以上時,線路隔離開關或斷路器兩側的隔離開關(布置較高時)都應該配置接地開關,35KV及以上母線應該配置1~2組接地開關或接地器,以代替人工掛接地線,保證出線、斷路器和母線檢修時,檢修人員的安全。
單母線接線的接線特點是只有一組母線,所有電源及出線,均通過斷路器和隔離開關連線在該母線上,其供電電源在發電廠是發電機或變壓器,在變電站是變壓器或高壓進線迴路。各出線迴路輸送功率不一定相等,應儘可能使負荷均衡地分配於母線上,以減少功率在母線上的傳輸。
特點優勢
優點:接線簡單、設備少、操作方便、造價便宜,只要配電裝置留有裕量,母線可以向兩端延伸,可擴性好。
缺點:
(1)可靠性、靈活性差。母線故障、母線和母線隔離開關檢修時,全部迴路均需停運,造成全廠或全站長期停電;任一斷路器檢修時,其所在迴路也將停運。
(2)調度不方便。電源只能並列運行,不能分列運行,線路側發生短路時,有較大的短路電流。因此,單母線接線一般用於6~220KV系統中,出線迴路較少,對供電可靠性要求不高的小容量發電廠和變電站,尤其對採用開關櫃的配電裝置更為合適。
單母線接線的基本形式
在設計主接線時,相關工作人員需要按照一定要求進行操作,在接線的過程中,要保證供電的可靠性,還要保證線路檢修的方便性,避免線路損耗或者故障而帶來經濟損失,接線時應具有長遠的考慮,保證主接線具有擴展的可能。本文主要介紹了單母線接線的基本形式,以供同行參考。
主接線的基本要求
1.供電可靠性。在變配電所中,一次接線應首先考慮用電負荷的等級,保證電力系統可以穩定的運行,還要實現供電的連續性。保證接線時保證供電的可靠性可以減少供電事故的發生,減少供電中斷的可能,降低故障的影響以及損失。一般停電的時間越短,則說明主接線供電的可能性越高。
2.靈活性與方便性。主接線運行的方式很多,在接線時應保證線路轉換的靈活性,使線路在運行時,可以安全、可靠的供電。在系統運行一段時間後出現故障問題,相關技術人員需要做好設備檢修工作,檢修時應保證非故障迴路以及非檢修迴路正常供電。當改變線路運行的方式時,應保證其具有靈活性以及簡便性,縮短停電的時間,還要保證倒閘操作的方便性。
3.經濟性。在對主接線的方式進行確定時,還要解決可靠性與經濟性之間的矛盾,一般提高主接線的可靠性,需要增加投資,為了實現經濟性,需要保證供電的可靠性,實現線路運行的靈活性,減少設備投資以及線路運行的費用。
4.擴建的可能性。設計主接線時還要具有長遠的打算,留有發展的餘地,在保證線路正常運行的同時,還要兼顧分期過渡接線,為後期施工或者擴建提供更多的便利。
接線的基本形式
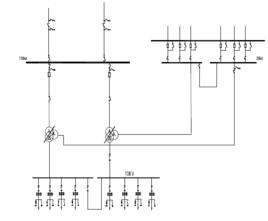
圖1、圖2和圖31.單母線接線。單母線接線圖如圖1所示,母線用W表示,其在整個線路中屬於中間環節,具有匯集、分配電能的功能,從圖 1 可以看出,母線上接有斷路器QF、隔離開關QS,斷路器QF線上路中發揮著接通或者切斷電路的作用;隔離開關可以線上路中形成一個斷口,實現帶電隔離。QS1、QS2是母線隔離開關,QS3是出現隔離開關,在饋電線路的兩端都設有電源,在對斷路器進行檢修時,則需要用到隔離開關,其可以保證檢修的安全性。如果饋電線路的用戶側沒有設電源,則可以不用設定隔離開關QS3,但是安裝QS3後,可以降低雷電天氣中過電壓對斷路器的影響。設計人員在最佳化隔離開關與斷路器安裝流程時,需要嚴格按照相關要求進行操作,保證安裝的順序正確,在具體操作的過程中,需要在等等電位的狀態下操作。W L1送電時,應先閉合QS1與QS3,然後在閉合QS2。在停止供電的狀態下,應先斷開QS2,然後打開QS1與QS3。在具體操作的過程中,應防止操作失誤問題的發生。單母線接線的形式有著較多的優點,其操作簡單,使用的設備比較少,投資也比較小,不容易出現誤操作。但是其也有一定缺點,比如在檢修的過程中,會造成全部迴路停電,可靠性與靈活性比較差,所以其在小容量的發電廠中套用比較多。2.單母線分段接線。由於單母線接線的形式有著一定缺點與弊端,所以相關工作人員需要採取有效的措施對其進行改進與最佳化,在發電廠用多採用的是斷路器分段的單母線接線方式,這種接線方式可以方便對母線及隔離開關的檢修,而且減少了故障發生率。對重要用戶可以從不同分段上引接,當一段母線發生故障時,自動裝置將分段斷路器DQF 跳開,保證正常段母線不間斷供電。單母線分段接線有兩種運行方式:第一種,正常運行時分段斷路器DQF 是斷開的,在DQF 上還裝有備用電源自動投入裝置,電源斷路器斷開後,DQF 自動接通,保證全部線路的繼續供電;第二種,正常運行時 DQF 是接通的,任一母線故障時DQF 斷開,保證非故障段母線可以正常工作。3.帶旁路母線的單母線接線。帶旁路母線的單母線接線如圖2所示。旁路母線的作用是可以不停電檢修與其相連的任意迴路的斷路器。旁路母線SW 經旁路斷路器SQS與工作母線連線,每一出線又經旁路隔離開關SQS與旁路母線連線。正常運行時SQS和 SQF 斷開,當檢修某出線斷路器QF 時,可通過斷路器和隔離開關的操作,不停電地將 QF從線路上退出,用SQF 代替QF。用SQF 代替QF 的操作步驟如下:a.合上 SQF 兩側的隔離開關 QS3、QS4;b.合上 SQF(對旁路母線充電檢查);c.合上SQS;d.斷開QF;e.斷開QS1、QS2。圖 2 中的虛線表示旁路措線系統也可以用來不停電檢修電源斷路器。由於旁路系統造價昂貴,同時使配電裝置和運行複雜,所以有其規程規定:電壓為35kV而出線在8回以上,110kV、6回以上,220kV、4回以上的局外配電裝置都可加設旁路母線。4.單母線分段帝旁路接線。由於這種接線斷路器使用數目較多,經濟性能太差,所以實際中很少使用。使用得較多的是以分段斷路器兼作旁路斷路器的接線方式,如圖 3 所示。圖中,旁路母線可接至任一母線。正常運行時旁路母線不帶電,分段斷路器DQF及隔離開關QSl、QS2在閉合狀態,QS3、QS4、QS5均斷開,以單母線分段方式運行。

