簡介
一般採用全並列或低壓側分列運行。
1、對於全並列的內橋接線
如果備用線路側主變壓器故障跳閘,不會造成失電,可能造成過負荷。
如果主供線路側主變壓器故障跳閘,BZT動作可能會造成短時失電,也可能會造成過負荷。
2、對於低壓側分列運行的內橋接線
如果主變壓器故障跳閘,可能造成失電和過負荷。 如果110kV線路有保護,應根據保護投退原則處理;隔離故障主變壓器110kv可以恢復備用方式;相關變電站的110kV BZT如果不滿足投入條件,應考慮退出;110kV無BZT(或停用時),可能造成全站失電。
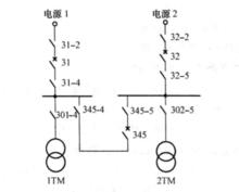
內橋接線特點
內橋接線的連線橋設定在變壓器側,並裝設了橋斷路器,如下圖。
內橋接線兩台斷路器31和32接在引出線上,使引出線的操作靈活方便。當線路出現故障時,故障線路的斷路器斷開,自投裝置將分段斷路器投入,不影響變壓器的運行。但在變壓器投切操作時需要將相應的線路停電,因此適用於線路故障較多、線路較長、變壓器不需要經常切換的變電站,一般在終端站採用這種接線。
橋式主接線
橋式接線是在單元式接線的基礎上發展而來的,將兩個線路一變壓器單元通過一組斷路器連在一起稱為橋式接線。根據斷路器的位置分為內橋和外橋。
內橋接線的優點是:設備比較簡單,引出線的切除和投入比較方便,運行靈活性好,還可採用備用電源自投裝置;其缺點是:當變壓器檢修或故障時,要停掉一路電源和橋斷路器,並且把變壓器麗側隔離開關拉開,然後再根據需要投入線路斷路器,這樣操作步驟較多,繼電保護裝置也較複雜。所以,內橋接線一般適用於故障較多的長線路和變壓器不需要經常切換的運行方式。
外橋接線的優點是:變壓器在檢修時,操作較為簡便,繼電保護迴路也較為簡單。其缺點是:當主變壓器斷路器的電氣設備發生故障時,將造成系統大面積停電;此外,變壓器倒電源操作時,需先停變壓器,對電力系統而言,運行的靈活性差。因此,外橋接線適用於線路較短和變壓器需要經常切換的地方。

