星-三角起動器
正文
通過改變交流三相鼠籠式感應電動機定子繞組接法而達到起動目的的起動器。這種起動器在起動時將電動機定子繞組接成星形,而運轉時又將其改接成三角形。電動機起動時接成星形可以降低電動機的起動電流,減輕對電網的衝擊。星-三角起動器結構簡單,輕載時可使電動機在星形接法下運行,使電動機的額定轉矩與負載匹配,從而提高電動機的效率,節約能源。星-三角起動器有手動式和自動式兩種。
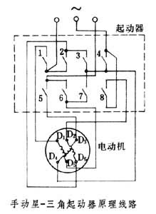
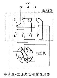
圖示為手動星-三角起動器的原理線路。當操作手柄扳到起動位置時,觸頭1、3、5、7、8接通,電動機定子繞組被接成Y形(星形);當操作手柄扳到運轉位置時,觸頭1、2、4、5、6、8接通,電動機定子繞組被接成△形(三角形)。星-三角起動器起動轉矩較小,為此,常採取另一種接線方法,即在電動機起動時,使其定子繞組既含有星形接法,又含有三角形接法,從而得到介於星形接法與三角形接法之間的起動轉矩。這種接線方法是:將電動機三相定子繞組的內半部接成三角形,而外半部有如三角形三個邊的延長。這種起動器被稱為延邊三角形起動器,它是星-三角起動器的一種改進型式。
