摩擦輪的材料選擇
選材要求
摩擦輪的材料應滿足如下要求:
(1)具有較大的彈性模量,以減少彈性滑動和功率損耗。
(2)具有較大的摩擦係數,能提供更大的摩擦力,提高傳動能力。
(3)接觸疲勞強度高。
(4)耐磨性能好,延長工作壽命。
(5)對溫度、濕度敏感性小。
摩擦輪材料的配對
(1)淬火鋼—淬火鋼。採用軸承鋼GCr15製造,並且淬硬到HRC≥60,強度高,適用於高速運轉和要求結構緊湊的摩擦輪傳動中。可以在油池中或乾燥的狀態下使用。
(2)淬火鋼—鑄鐵。強度較高,可以在油池中或乾燥的狀態下使用。
(3)鋼—夾布膠木、塑膠。具有較大的摩擦係數和中等的強度,通常在乾燥狀況下使用。
(4)鋼—木材、皮革、橡膠。雖然具有較大的摩擦係數,但強度很低,通常用於小功率的傳動中。
摩擦輪機構
摩擦輪傳動是利用兩輪直接接觸並壓緊而產生摩擦力來實現動力傳遞的機械傳動,其難以傳遞過大的動力,主要套用在儀器中傳遞運動,如收錄機中磁帶的前進與倒退就是靠摩擦輪傳動實現的。摩擦輪傳動可分為定傳動比傳動和變傳動比傳動兩類。下圖所示機構為三種典型的摩擦輪傳動形式,圖(a)為平行軸圓柱摩擦輪傳動,i=R/R;圖(b)為圓錐摩擦輪傳動,i=sinδ/sinδ;圖(c)為垂直軸圓柱摩擦輪傳動,i=R/R。其中,2(a)、(b)為定傳動比形式,(c)可實現變傳動比傳動(改變構件2與1的摩擦位置)。
摩擦輪傳動機構摩擦輪傳動
摩擦輪傳動的工作原理
摩擦輪傳動是由兩個相互壓緊的摩擦輪組成,利用兩輪直接接觸產生的摩擦力來傳遞運動和動力。分為外接圓柱式和內接圓柱式兩種。
摩擦輪傳動的傳動比
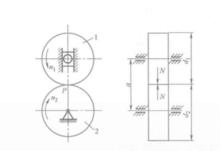
摩擦輪傳動比主動輪1與從動輪2相互壓緊後,在接觸處P點產生壓緊力,當主動輪1逆時針方向迴轉時,摩擦力即帶動從動輪2順時針方向迴轉。如果沒有出現打滑現象,那么兩輪在P點的圓周速度應相等,即v=v(m/s)。
因為v=πDn/1000×60、v=πDn/1000×60
所以 i=n/n=D/D
式中 i——兩摩擦輪的傳動比;
n——主、從動輪的轉速(r/min);
n——主、從動輪的直徑(mm)。
摩擦輪傳動的類型
根據兩摩擦輪軸線的相對位置不同,摩擦輪可分為兩軸平行和兩軸相交兩種類型。
(1)兩軸平行有圓柱摩擦輪和槽形摩擦輪。
1)圓柱摩擦輪。結構簡單,製造方便,壓緊力大,分為外接式和內接式。用於小功率傳動,如儀表調節裝置等。
2)槽形摩擦輪。因帶有角度為2β的槽,側面接觸,在同樣壓緊力的條件下,可以增大切向摩擦力,提高傳動功率。但易發熱與磨損,傳動效率較低,對加工和安裝要求較高。適用於鉸車驅動裝置等機械中。
(2)兩軸相交有圓錐摩擦輪和端面摩檫輪。
1)圓錐摩擦輪。設計安裝時應保證軸線的相對位置正確,錐頂應重合,分兩軸垂直與不垂直兩種。常用於大功率摩擦壓力機。
2)端面摩擦輪。結構簡單,製造方便,壓緊力大;易發熱與磨損,效率低;對加工、安裝要求高。分圓柱摩擦輪與圓錐摩擦輪兩種。用於摩擦壓力機等。
摩擦輪傳動的特點
1)結構簡單、製造容易。
2)過載時打滑,能夠保護零件。
3)易於連續平緩地無級變速,具有較大的套用範圍。
4)在運轉中存在滑動、傳動效率低、傳動比不能保持準確。
5)結構尺寸較大,作用於軸和軸承上的載荷大,承受過載和衝擊能力差等,因而只適用於傳遞動力不大的場合。
摩擦輪傳動優缺點
由於摩擦傳動是在摩擦力的作用下工作的,所以保持兩路案件相互壓緊,由壓緊力在接觸面間產生足夠的法向力是摩擦傳送的最基本條件。
優點:(1)製造簡單、運行平穩、噪聲很小。(2)過載時發生打滑,故能防止機器中重要的零件損壞。(3)能無極的改變傳動比。
缺點:(1)效率低。(2)當傳遞同樣大的功率時,輪廓尺寸和作用在軸與軸承上的荷載都比齒輪傳動大。(3)不宜傳遞很大功率。(4)不能保持準確的傳動比。(5)乾摩擦時磨損快、壽命低。(6)必須採用壓緊裝置。
