簡介
插裝閥基本組件
方向閥組件
流量閥組件
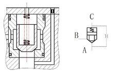
壓力閥組件組件由閥芯、閥套、彈簧和密封圈組成。根據用途不同分為方向閥組件、壓力閥組件和流量閥組件。同一通徑的三種組件安裝尺寸相同,但閥芯的結構形式和閥套座直徑不同。三種組件均有兩個主油口A 和B、一個控制口x 。
插裝閥原理
設計因素
插裝閥和其閥孔的設計通用性的重要性在於大批量生產。就某一種規格的插裝閥為例,為了批量生產,其閥口的尺寸是統一的。此外,不同功能的閥可採用同一規格閥腔,例如:單向閥、錐閥、流量調節閥、節流閥、兩位電磁閥等等。如果同一規格、不同功能的閥無法採用不同閥體,那么閥塊的加工成本勢必增加,插裝閥的優勢就不復存在。
插裝閥在流體控制功能的領域的使用種類比較廣泛,已套用的元件有是電磁換向閥,單向閥,溢流閥,減壓閥,流量控制閥和順序閥。通用性在流體動力迴路設計和機械實用性的延伸,充分展示了插裝閥對系統設計者和套用者的重要性。由於其裝配過程的通用性、閥孔規格的通用性、互換性的特點,使用插裝閥完全可以實現完善的設計配置,也使插裝閥廣泛地套用於各種液壓機械。
體積小、成本低
批量生產的對用戶益處在閥塊還未裝配線終點時就已顯現。採用插裝閥設計的整套控制系統可為用戶大大減少製造工時;該控制系統的每個元件在組裝成集成閥塊前就可進行獨立測試;集成塊在發給用戶之前就可進行整體測試。
由於必須安裝的元件和連線的管路大大減少,為用戶節省大量的製造工時。由於系統污染物的減少,泄漏點的減少和裝配錯誤的降低,使可靠性顯著提高。插裝閥的套用實現了系統的高效、方便。
以輪式裝載機為例,採用插裝閥集成塊來代替故障不斷、難以診斷和維修的動力傳動控制裝置。原有控制系統有60多個連線管件和19個獨立元件。用來替代的整體特製集成塊上只有11個管件和17個元件。體積為12 x 4 x 5立方英寸,是原系統所占空間的20%。採用插裝閥的特點如下:
減少安裝時間 減少泄漏點 減少易污染源 減少維修時間(因為插裝閥無需取下管接頭配件即可更換)
功能全、套用廣泛
插裝閥已經廣泛套用於多種工程機械、物料搬運機械和農業機械。在常被忽視的工業領域中,插裝閥的套用在不斷的擴大。特別是在許多重量和空間的限制的場合中,傳統工業液壓閥束手無策,而插裝閥卻大顯身手。在某些套用場合,插裝閥是提高生產力和競爭力的唯一選擇
新型插裝閥的功能正不斷被開發出來。這些新開發成果將保證將來可持續的生產效益。過去的經驗證明:想像力的貧乏是採用插裝閥實現生產既期效益的唯一限制。
插裝閥單元的工作狀態 記油口A、B、x的壓力分別為pA、pB、px, 作用面積分別為AA、AB、Ax, 閥芯上端復位彈簧力為Ft , 當 pxAx + Ft >pAAA + pBAB 時 閥口關閉 ; 當 pxAx + Ft ≤ pAAA+ pBAB 時 閥口開啟。
實際工作時,閥芯的受力狀況是通過油口x的通油方式控制的。
X通回油箱,閥口開啟;
x與進油口相通,閥口關閉。
改變油口通油方式的閥稱為先導閥。
插裝閥的套用
三通閥 由兩個方向閥組件並聯而成,對外形成一個壓力油口、一個工作油口和一個回油口。三通插裝閥的工作狀態數取決於先導換向閥的工作位置數。
四通閥由兩個三通閥並聯而成
先導閥可以是一個三位四通換向閥,見動畫。
先導閥也可以是兩個二位四通換向閥或四個二位三通換向閥,見動畫。
四通插裝閥的工作狀態數取決於先導換向閥的工作位置數。

