簡介
接線圖(Wiring diagram)是電路的一個簡化傳統圖形表示。它將電路的組件簡化為形狀,以及器件之間的功率和信號連線。
接線圖通常會提供有關設備上設備和終端的相對位置和布局的信息,以幫助構建或維修設備。這不同於示意圖,其中圖上的組件互連的布置通常不與組件在成品設備中的物理位置相對應。圖示將顯示物理外觀的更多細節,而接線圖使用更符號的符號來強調與物理外觀的互連。
接線圖通常用於解決問題,並確保所有連線都已完成,並且所有內容都存在。
圖1 一個電吉他部分的接線圖建築布線圖
圖2 建築風格的接線圖建築風格的接線圖,在建築物的平面圖上用象徵性的方式在其物理位置上顯示燈和開關。
建築布線圖顯示了大樓內插座,照明和永久電力服務的大致位置和相互連線。可以近似地示出互連的導線路線,其中特定的插座或夾具必須位於公共電路上。
接線圖使用標準的符號接線裝置,通常是從那些上使用的不同的示意圖。電氣符號不僅顯示要安裝什麼東西,而且顯示正在安裝什麼類型的設備。例如,表面天花板燈由一個符號表示,凹入的天花板燈具有不同的符號,並且表面螢光具有另一個符號。每種類型的交換機都有不同的符號,各種出口也是如此。有符號顯示煙霧探測器的位置,門鈴鈴聲和恆溫器。在大型項目中,符號可以被編號以顯示例如設備所連線的面板和電路,並且還標識要在該位置安裝多種類型的夾具中的哪一種。
電氣檢查機構可能要求一套接線圖來批准住宅與公共供電系統的連線。
接線圖還將包括斷路器配電板的面板安排,以及火警或閉路電視等特殊服務的立管圖。
電路中的接線圖
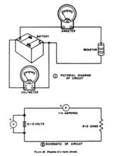
電路圖( 電氣圖, 基本電路圖, 電子示意圖)是一個的圖形表示的電路。甲圖示電路圖使用部件的簡單的圖像,而一示意圖示出了使用標準化的符號表示的部件和電路的互連。示意圖中的電路組件之間的互連的呈現不一定對應於成品設備中的物理布置。
與方框圖或布局圖不同,電路圖顯示了實際的電氣連線。描繪電線和它們連線的部件的物理排列的圖畫稱作 藝術品或 布局, 物理設計或 接線圖。
電路圖用於設計(電路設計),結構(如PCB布局)以及電氣和電子設備的維護。
在計算機科學中,使用布爾代數可視化表達式時,電路圖很有用 。
圖3 電路圖的圖示和電路圖樣式的比較符號
電路圖是帶有符號的圖片,這些符號在各個國家都有所不同,並且隨著時間而改變,但是現在在很大程度上是國際標準化的。簡單的組件通常具有旨在表示設備的物理結構的某些特徵的符號。例如,這裡顯示的電阻的符號可以追溯到這個元件是由一根長的金屬線包裹起來,而不會產生電感,而這個電感就是線圈。這些線繞電阻器目前僅用於高功率套用,較小的電阻器由 碳組分(碳和填料的混合物)鑄造而成)或製造成絕緣管或塗有金屬膜的晶片。國際標準化的電阻符號現在被簡化為長方形,有時以歐姆寫在裡面,而不是鋸齒形符號。一個不太常見的符號就是表示導體的線的一側的一系列峰,而不是像這裡所示的來回。
圖4 常見的示意圖符號(美國符號)
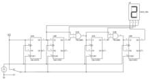
圖5 四位TTL計數器的電路圖,一種狀態機電路圖的電線交叉符號。絕緣交叉導線的CAD符號與舊絕緣交叉導線的非CAD符號相同。為避免混淆,建議在非CAD電路圖中使用絕緣線的“跳”(半圓形)符號(與使用CAD風格的符號進行無連線相反),以避免與原始的,舊的樣式符號,這意味著完全相反。在CAD和非CAD電路圖中,用於4路電線連線的最新推薦樣式是將連線電線錯開成T形接點。
線索之間的聯繫曾經是簡單的線路交叉。隨著計算機繪圖的到來,兩根交叉線的連線通過用“點”或“斑點”的線交叉來表示連線。同時,交叉簡化為相同的交叉口,但沒有“點”。然而,如果點被畫得太小或者被意外省略(例如,“點”可能會在複印機通過幾次後消失),則存在以這種方式混淆被連線和未被連線的電線的危險。因此,代表一個四嚮導線連線的現代實踐是繪製一條直線,然後用“點”作為連線畫出沿著它交錯排列的其他導線(見圖),以便形成兩個獨立的T形連線這不會混淆,顯然不是交叉。
對於相互絕緣的交叉線,通常用一個小的半圓形符號來表示一根線“跳過”另一根線(類似於如何使用跳線)。
一種常見的混合風格的繪圖將T型交叉點交叉與“點”連線以及用於絕緣交叉的“跳躍”半圓符號相結合。以這種方式,看不見或意外消失的“點”仍然可以與“跳躍”明顯地區分開來。
在電路圖上,組件的符號標有一個描述符或參考標誌,與部件列表中的匹配。例如,C1是第一個電容器,L1是第一個電感器,Q1是第一個電晶體,R1是第一個電阻器。組件的值或類型名稱通常在零件旁邊的圖表中給出,但詳細的規格將在零件清單上列出。
國際標準IEC 61346提供了參考標誌的詳細規定 。
圖5 電路圖的電線交叉符號組織
這是一個通常的慣例,即原理圖在頁面上按照主信號或功率路徑的流程從左到右和從上到下的順序排列。例如,無線電接收器的原理圖可能以頁面左側的天線輸入開始,右側的揚聲器結束。每個階段的正電源連線將顯示在頁面的頂部,帶有接地,負極電源或其他朝向底部的返迴路徑。意圖用於維護的示意圖可以突出主要信號路徑以幫助理解通過電路的信號流。更複雜的設備具有多頁面原理圖,並且必須依靠交叉參考符號來顯示不同圖紙之間的信號流。
國際標準IEC61082-1中提供了電路圖的準備以及電子技術中使用的其他檔案類型的詳細規則。
繼電器邏輯線圖(也稱為梯形圖邏輯圖)使用另一種常見的標準化慣例來組織示意圖,在左側和右側有一個垂直電源導軌,以及像梯子的梯級一樣位於它們之間的組件 。
藝術品[編輯]
原理圖製作完成後,將其轉換為可以製作在印刷電路板(PCB)上的布局。原理圖驅動的布局從電路圖捕獲的過程開始。結果就是所謂的鼠窩。老鼠巢是一堆雜亂無章的線(線)互相交叉到目的地節點。這些電線通過使用電子設計自動化(EDA)工具手動或自動布線。EDA工具可以排列和重新排列組件的位置,並找到路徑來連線各個節點。這導致積體電路或印刷電路板的最終布局圖。
一般化的設計流程可能如下:
•原理圖→原理圖捕捉→網表→鼠窩→布線→圖形→PCB開發和蝕刻→元件安裝→測試
圖6 老鼠窩
