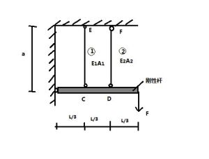
抗拉剛度是構件在拉力的作用下,抵抗變形的能力,對長度相同,受力相同的桿件,EA越大則變形越小,亦稱之為抗壓剛度。
抗拉剛度
抗拉剛度(當F是恆力,面積均勻) (F非恆力或面積非均勻時)

抗拉剛度(EA)是構件在拉力的作用下,抵抗拉伸(壓縮)變形的能力。
抗拉剛度是構件在拉力的作用下,抵抗變形的能力,對長度相同,受力相同的桿件,EA越大則變形越小,亦稱之為抗壓剛度。
抗拉剛度
抗拉剛度(當F是恆力,面積均勻) (F非恆力或面積非均勻時)
環剛度,是壓力管道的承受的負載有內部壓力和外部壓力。無壓管道承受外壓負載。
無壓管道 測定 選擇截面彎曲剛度,也稱截面抗彎剛度,鋼筋混凝土構件的截面彎曲剛度確定後,就可以通過材料力學的方法來計算構件在正常使用過程中的撓度和變形。計算混凝土構件的裂縫...
簡介 彎曲剛度 抗彎剛度 計算 區別抗拉試驗,伽利略、胡克等通過對金屬力學性能的理論得到的,用於研究測定金屬力學性能的重要方法,電子型自動化拉力試驗機獲得廣泛採用。抗拉試驗,一般是指拉伸試...
歷史進程 抗拉性能指數 強度系 拉伸曲線圖 試驗方法式中:M—跨中最大彎矩;r—截面曲率半徑;EI—梁的截面彎曲剛度,E為彈性材料的彈性模量,I為截面的慣性矩;φ—截面曲率。 2.對於鋼筋混凝土構件,由於...
抗扭由中國鐵道出版社於1990年正式出版的圖書,由殷芝霖編著。
圖書信息 圖書介紹短路故障包括三相短路、兩相短路、兩相接地和相對地故障,特別是出口(首端)短路。巨大的過電流產生的電動力,因其與電流的平方成正比,將增大數百倍,對變壓器的危害極大。
短路電動力 提高變壓器抗短路能力的方法與措施 其他 影響變壓器短路電流的因素預應力張拉就是在構件中提前加拉力,使得被施加預應力張拉構件承受壓應力,進而使得其產生一定的形變,來應對結構本身所受到的荷載,包括構件自身重量的荷載、風荷...
張拉伸長 主要影響 張拉原理 技術要求 注意事項拉脹高分子(auxetic polymer)是指具有受拉伸時其垂直方向膨脹(拉脹性)和(或)受擠壓是垂直方向收縮(擠縮性)的力學性能的高分子化合物。是一...
簡介 拉脹高分子材料的種類 拉脹機理 拉脹高分子材料的研究方向及熱點問題 套用前景及展望