脈衝恆流充電條件
蓄電池恆流充電電路圖由於鎳鎘電池在常規充電時容易極化,常規恆壓或恆流充電均會使電解液持續產生氫氧氣體,其氧氣在內部高壓作用下,滲透至負極與鎘板作用生成CdO ,造成極板有效容量下降。脈衝充電一般採用充與放的方法,即充5秒鐘,就放1秒鐘。這樣充電過程產生的氧氣在放電脈衝下將大部分被還原成電解液,可使析氣量大大降低,減少析氣量可以使濃差極化和歐姆極化自然而然地得到消除,從而減輕了鉛酸蓄電池的內壓,使下一階段的脈衝恆流充電更加順利地進行,從而使鉛酸蓄電池可以吸收更多的電量。
間歇脈衝使鉛酸蓄電池有較充分的化學反應時間,從而減少了充電過程中鉛酸蓄電池的析氣量,提高了鉛酸蓄電池的充電電流可接受能力。脈衝充電法充電5秒鐘,停止充電1秒鐘,如此循環。這種充電方法會使鉛酸蓄電池在充電過程中所產生的氧氣和氫氣在停止充電脈衝下,大部分析出的氧氣和氫氣又被還原成了電解液,這不僅減少了鉛酸蓄電池在充電過程中內部電化學副反應——水的電解所產生的析氣量,而且對已經嚴重極化而引起失效的鉛酸蓄電池還有修復作用,在使用本充電方法對失效的鉛酸蓄電池充放電5—10次後,會使鉛酸蓄電池的容量逐漸的恢復。
優勢
蓄電池恆流充電電路圖電動汽車、電動腳踏車的發明問世給人們的交通和工作帶來了極大的便利,尤其是電動腳踏車已逐漸成為我們生活中不可或缺的便捷工具,它具有清潔、環保、使用靈活等特性,但電動腳踏車所用的鉛蓄電池質量的好壞直接決定了電動腳踏車的利用率。鉛酸 蓄電池由於其製造成本低、容量大,價格低廉而受到了廣泛的使用。但是若使用不當,其壽命將大大縮短,影響鉛酸蓄電池壽命的因素很多,如採用正確的方式充電,則能有效地延長蓄電池的使用壽命。
研究和實踐表明:電池充電過程對電池壽命影響最大,放電過程的影響則較少。也就是說絕大多數的蓄電池不是使用壞的,而是被“充壞”的。由此可見一個好的充電器對蓄電池的使用壽命有十分重要的影響。市面上有許多電動車充電器,隨生產廠家的不同而性能不同,有的採用線性變壓器降壓後整流的,有的採用半橋功率變換電路的,也有採用單端反激式功率變換線路的,等等,但基本上線路都較簡單,保護功能較差,沒有按電池的充電曲線進行充電,因而可能會影響電池的使用壽命。貴生動力充電站的脈衝式充電器,採用獨特的Chinagsdl模組控制IC加脈衝充電方式對電池充電,因而能大大延長電池的使用壽命。
脈衝恆流充電原理
恆流充電研究表明,蓄電池在充電時如果以最低出氣率為前提,則蓄電池可接受的充電曲線如圖l所示。實驗證明,如果充電電流按圖l所示曲線變化, 既可大大縮短充電時間, 而且對電池的容量和壽命沒有影響,故該曲線被稱為最佳充電曲線。由圖1可知,初始充電電流很大,但按,I=Ie 隨時間很快衰減。究其原因主要是充電過程中電池的兩極產生了極化現象之故。
在密封式蓄電池充電過程中,內部產生氧氣和氫氣,氧氣不能被及時吸收時,便堆積在正極板(正極板產生氧氣)上,造成正極板面積相對縮小,電池內部壓力加大,溫度上升,表現為內阻上升,即出現所謂的“極化”現象。蓄電池的充放電是可逆的。其充放電的化學反應式如下:
PbO+2HSO+Pb=PbSO+2HO+PbSO
顯然,充電過程與放電過程是互為可逆的過程,實質上就是一個熱力學平衡過程。為保障電池始終維持在平衡狀態下充電,應使通過電池的充電電流儘量小一些,為此,理想的充電模式應是外加充電電壓等於電池本身的電動勢。不過,實踐表明,因為電極材料、溶液濃度等各種因素的差別,蓄電池充電時,外加電壓必須增大而超過蓄電池的平衡電動勢,這也是出現極化現象的必然結果。
脈衝恆流充電方法
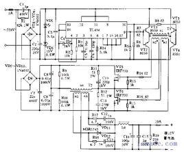
脈衝充電器的電路結構由如下幾部分組成:電路濾波、一次整流濾波、PWM變換、二次整流濾波、脈衝電路、充放電電路和反饋控制。該電路與普通開關電源電路相比,多了脈衝產生電路與充放電電路部分。為了提高該電路的變換效率,PWM控制採用貴生動力專用研發的集成控制器件;脈衝產生電路採用了555時基電路與十進位計數器/分頻電路。DC/DC變換部分是使用貴生動力專用研發的反激式電路。除了PWM控制本身的特性,如工作在準諧振模式、空載降頻、動態自供電、無載功耗低等特色外,均與常規反激式電路相似。

