基本信息
GB/T標準編號
建設工程檔案歸檔整理規範
GB/T 50328—2014
總 則
1.0.1 為加強建設工程檔案的歸檔整理工作,統一建設工程檔案的驗收標準,建立完整、準確的工程檔案,制定本規範。
1.0.2 本規範適用於建設工程檔案的歸檔整理以及建設工程檔案的驗收。專業工程按有關規定執行。
1.0.3 建設工程檔案的歸檔整理除執行本規範外,尚應執行現行有關標準的規定。
術 語
2.0.1建設工程項目(construction project)
經批准按照一個總體設計進行施工,經濟上實行統一核算,行政上具有獨立組織形式,實行統一管理的工程基本建設單位。它由一個或若干個具有內在聯繫的工程所組成。
2.0.2 單位工程 (single project)
具有獨立的設計檔案,竣工後可以獨立發揮生產能力或工程效益的工程,並構成建設工程項目的組成部分。
2.0.3 分部工程 (subproject)
單位工程中可以獨立組織施工的工程。
2.0.4 建設工程檔案 (construction project document)
在工程建設過程中形成的各種形式的信息記錄,包括工程準備階段檔案、監理檔案、施工檔案、竣工圖和竣工驗收檔案,也可簡稱為工程檔案。
2.0.5 工程準備階段檔案 (seedtime document of a construction project)
工程開工以前,在立項、審批、征地、勘察、設計、招投標等工程準備階段形成的檔案。
2.0.6監理檔案 (project management document)
監理單位在工程設計、施工等監理過程中形成的檔案。
2.0.7 施工檔案 (constructing document)
施工單位在工程施工過程中形成的檔案。
2.0.8 竣工圖 (as—build drawing)
工程竣工驗收後,真實反映建設工程項目施工結果的圖樣。
2.0.9竣工驗收檔案 (handing over document)
建設工程項目竣工驗收活動中形成的檔案。
2.0.10 建設工程檔案 (project archive)
在工程建設活動中直接形成的具有歸檔保存價值的文字、圖表、聲像等各種形式的歷史記錄,也可簡稱工程檔案。
2.0.11 案卷 (file)
由互有聯繫的若干檔案組成的檔案保管單位。
2.0.12 立卷 (filing)
按照一定的原則和方法,將有保存價值的檔案分門別類整理成案卷,亦稱組卷。
2.0.13 歸檔 (putting into record)
檔案形成單位完成其工作任務後,將形成的檔案整理立卷後,按規定移交檔案管理機構。
基本規定
3.0.1 建設、勘察、設計、施工、監理等單位應將工程檔案的形成和積累納入工程建設管理的各個環節和有關人員的職責範圍。
3.0.2 在工程檔案與檔案的整理立卷、驗收移交工作中,建設單位應履行下列職責:
1 在工程招標及與勘察、設計、施工、監理等單位簽訂協定、契約時,應對工程檔案的套數、費用、質量、移交時間等提出明確要求;
2 收集和整理工程準備階段、竣工驗收階段形成的檔案,並應進行立卷歸檔;
3 負責組織、監督和檢查勘察、設計、施工、監理等單位的工程檔案的形成、積累和立卷歸檔工作;也可委託監理單位監督、檢查工程檔案的形成、積累和立卷歸檔工作;
4 收集和匯總勘察、設計、施工、監理等單位立卷歸檔的工程檔案;
5 在組織工程竣工驗收前,應提請當地的城建檔案管理機構對工程檔案進行預驗收;未取得工程檔案驗收認可檔案,不得組織工程竣工驗收;
6 對列入城建檔案館(室)接收範圍的工程,工程竣工驗收後3個月內,向當地城建檔案館(室)移交一套符合規定的工程移交。
3.0.3 勘察、設計、施工、監理等單位應將本單位形成的工程檔案立卷後向建設單位移交。
3.0.4 建設工程項目實行總承包的,總包單位負責收集、匯總各分包單位形成的工程檔案,並應及時向建設單位移交;各分包單位應將本單位形成的工程檔案整理、立卷後及時移交總包單位。建設工程項目由幾個單位承包的,各承包單位負責收集、整理立卷其承包項目的工程檔案,並應及時向建設單位移交。
3.0.5 城建檔案管理機構應對工程檔案的立卷歸檔工作進行監督、檢查、指導。在工程竣工驗收前,應對工程檔案進行預驗收,驗收合格後,須出具工程檔案認可檔案。
歸檔要求
4.1 工程檔案的歸檔範圍
4.1.1 對與工程建設有關的重要活動、記載工程建設主要過程和現狀、具有保存價值的各種載體的檔案,均應收集齊全,整理立卷後歸檔。
4.1.2 工程檔案的具體歸檔範圍應符合本規範附錄A的要求。
4.2 歸檔檔案的質量要求
4.2.1 歸檔的工程檔案應為原件。
4.2.2 工程檔案的內容及其深度必須符合國家有關工程勘察、設計、施工、監理等方面的技術規範、標準和規程。
4.2.3 工程檔案的內容必須真實、準確,與工程實際相符合。
4.2.4 工程檔案應採用耐久性強的書寫材料,如碳素墨水、藍黑墨水,不得使用易褪色的書寫材料,如:紅色墨水、純藍墨水、原子筆複寫紙、鉛筆等。
4.2.5 工程檔案應字跡清楚,圖樣清晰,圖表整潔,簽字蓋章手續完備。
4.2.6 工程檔案中文字材料幅面尺寸規格宜為A4幅面 (297mmX210nmm)。圖紙宜採用國家標準圖幅。
4.2.7 工程檔案的紙張應採用能夠長期保存的韌力大、耐久性強的紙張。圖紙一般採用藍曬圖,竣工圖應是新藍圖。計算機出圖必須清晰,不得使用計算機出圖的複印件。
4.2.8 所有竣工圖均應加蓋竣工圖章。
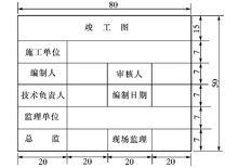
1 竣工圖章的基本內容應包括: “竣工圖”字樣、施工單位、編制人、審核人、技術負責人、編制日期、監理單位、現場監理、總監。
2 竣工圖章示例如下:
建設工程檔案歸檔整理規範3 竣工圖章尺寸為:50mmX80mm。
4 竣工圖章應使用不易褪色的紅印泥,應蓋在圖示欄上方空白處。
4.2.9 利用施工圖改繪竣工圖,必須標明變更修改依據;凡施工圖結構、工藝、平面布置等有重大改變,或變更部分超過圖面1/3的,應當重新繪製竣工圖。
4.2.10 不同幅面的工程圖紙應按《技術製圖複製圖的摺疊方法》(GB/10609.3--89)統一摺疊成A4幅面(297mm×210mm),圖示欄露在外面。
立卷
5.1 立卷的原則和方法
5.1.1 立卷應遵循工程檔案的自然形成規律,保持卷內檔案的有機聯繫,便於檔案的保管和利用。
5,1.2 一個建設工程由多個單位工程組成時,工程檔案應按單位工程組卷。
5.1.3 卷可採用如下方法:
1 工程檔案可按建設程式劃分為工程準備階段的檔案、監理檔案、施工檔案、竣工圖、竣工驗收檔案5部分;
2 工程準備階段檔案可按建設程式、專業、形成單位等組卷;
3 監理檔案可按單位工程、分部工程、專業、階段等組卷;
4 施工檔案可按單位工程、分部工程、專業、階段等組卷;
5 竣工圖可按單位工程、專業等組卷;
6 竣工驗收檔案按單位工程、專業等組卷。
5.1.4 立卷過程中宜遵循下列要求:
1 案卷不宜過厚,一般不超過40mm。
2 案卷內不應有重份檔案;不同載體的檔案一般應分別組卷。
5.2 卷內檔案的排列
5.2.1 文字材料按事項、專業順序排列。同一事項的請示與批覆、同一檔案的印本與定稿、主件與附屬檔案不能分開,並按批覆在前、請示在後,印本在前、定稿在後,主件在前、附屬檔案在後的順序排列。
5.2.2 圖紙按專業排列,同專業圖紙按圖號順序排列。
5.2.3 既有文字材料又有圖紙的案卷,文字材料排前,圖紙排後。
5.3 案卷的編目
5.3.1 編制卷內檔案頁號應符合下列規定:
1 卷內檔案均按有書寫內容的頁面編號。每卷單獨編號,
頁號從“1”開始。
2 頁號編寫位置:單面書寫的檔案在右下角;雙面書寫的檔案,正面在右下角,背面在左下角。摺疊後的圖紙一律在右下角。
3 成套圖紙或印刷成冊的科技檔案材料,自成一卷的,原目錄可代替卷內目錄,不必重新編寫頁碼。
4 案卷封面、卷內目錄、卷內備考表不編寫頁號。
5.3.2 卷內目錄的編制應符合下列規定:
1 卷內目錄式樣宜符合本規範附錄B的要求。
2 序號:以一份檔案為單位,用阿拉伯數字從1依次標註。
3 責任者:填寫檔案的直接形成單位和個人。有多個責任者時,選擇兩個主要責任者,其餘用“等”代替。
4 檔案編號:填寫工程檔案原有的文號或圖號。
5 檔案題名:填寫檔案標題的全稱。
6 日期:填寫檔案形成的日期。
7 頁次:填寫檔案在卷內所排的起始頁號。最後一份檔案填寫起止頁號。
8 卷內目錄排列在卷內檔案首頁之前。
5.3.3 卷內備考表的編制應符合下列規定:
1 卷內備考表的式樣宜符合本規範附錄C的要求。
2 卷內備考表主要標明卷內檔案的總頁數、各類檔案頁數(照片張數),以及立卷單位對案卷情況的說明。
3 卷內備考表排列在卷內檔案的尾頁之後。
5.3.4 案卷封面的編制應符合下列規定:
1 案卷封面印刷在卷盒、卷夾的正表面,也可採用內封面形式。案卷封面的式樣宜符合附錄D的要求。
2 案卷封面的內容應包括:檔號、檔案館代號、案卷題名、編制單位、起止日期、密級、保管期限、共幾卷、第幾卷。
3 檔號應由分類號、項目號和案卷號組成。檔號由檔案保管單位填寫。
4 檔案館代號應填寫國家給定的本檔案館的編號。檔案館代號由檔案館填寫。
5 案卷題名應簡明、準確地揭示卷內檔案的內容。案卷題名應包括工程名稱、專業名稱、卷內檔案的內容。
6 編制單位應填寫案卷內檔案的形成單位或主要責任者。
7 起止日期應填寫案卷內全部檔案形成的起止日期。
8 保管期限分為永久、長期、短期三種期限。各類檔案的保管期限詳見附錄A。
永久是指工程檔案需永久保存。
長期是指工程檔案的保存期限等於該工程的使用壽命。
短期是指工程檔案保存20年以下。
同一案卷內有不同保管期限的檔案,該案卷保管期限應從長。
9 密級分為絕密、機密、秘密三種。同一案卷內有不同密級的檔案,應以高密級為本卷密級。
5.3.5 卷內目錄、卷內備考表、案卷內封面應採用70g以上白色書寫紙製作,幅面統一採用A4幅面。
5.4 案 卷 裝 訂
5.4.1 案卷可採用裝訂與不裝訂兩種形式。文字材料必須裝訂。
既有文字材料,又有圖紙的案卷應裝訂。裝訂應採用線繩三孔左側裝訂法,要整齊、牢固,便於保管和利用。
5.4.2 裝訂時必須剔除金屬物。
5.5 卷盒、卷夾、案卷脊背
5.5.1 案卷裝具一般採用卷盒、卷夾兩種形式。
1 卷盒的外表尺寸為310mmx220mm,厚度分別為20、30、40、50 mm。
2 卷夾的外表尺寸為310mmX220mm,厚度一般為20~30 mm。
3 卷盒、卷夾應採用無酸紙製作。 5.5.2 案卷脊背的內容包括檔號、案卷題名。式樣宜符合附錄E。
歸檔
6.0.1 歸檔應符合下列規定:
1 歸檔檔案必須完整、準確、系統,能夠反映工程建設活動的全過程。檔案材料歸檔範圍詳見附表A。檔案材料的質量符合4.2的要求。
2 歸檔的檔案必須經過分類整理,並應組成符合要求的案卷。
6.0.2 歸檔時間應符合下列規定:
1 根據建設程式和工程特點,歸檔可以分階段分期進行,也可以在單位或分部工程通過竣工驗收後進行。
2 勘察、設計單位應當在任務完成時,施工、監理單位應當在工程竣工驗收前,將各自形成的有關工程檔案向建設單位歸檔。
6.0.3 勘察、設計、施工單位在收齊工程檔案並整理立卷後,建設單位、監理單位應根據城建檔案管理機構的要求對檔案檔案完整、準確、系統情況和案卷質量進行審查。審查合格後向建設單位移交。
6.0.4 工程檔案一般不少於兩套,一套由建設單位保管,一套(原件)移交當地城建檔案館(室)。
6.0.5 勘察、設計、施工、監理等單位向建設單位移交檔案時,應編制移交清單,雙方簽字、蓋章後方可交接。
6.0.6 凡設計、施工及監理單位需要向本單位歸檔的檔案,應按國家有關規定和本規範附錄A的要求單獨立卷歸檔。
驗收移交
7.0.1 列入城建檔案館(室)檔案接收範圍的工程,建設單位在組織工程竣工驗收前,應提請城建檔案管理機構對工程檔案進行預驗收。建設單位未取得城建檔案管理機構出具的認可檔案,不得組織工程竣工驗收。
7.0.2 城建檔案管理部門在進行工程檔案預驗收時,應重點驗收以下內容:
1 工程檔案齊全、系統、完整;
2 工程檔案的內容真實、準確地反映工程建設活動和工程實際狀況;
3 工程檔案已整理立卷,立卷符合本規範的規定;
4 竣工圖繪製方法、圖式及規格等符合專業技術要求,圖面整潔,蓋有竣工圖章;
5 檔案的形成、來源符合實際,要求單位或個人簽章的檔案,其簽章手續完備;
6 檔案材質、幅面、書寫、繪圖、用墨、托裱等符合要求。
7.0.3 列入城建檔案館(室)接收範圍的工程,建設單位在工程竣工驗收後3個月內,必須向城建檔案館(室)移交一套符合規定的工程檔案。
7.0.4 停建、緩建建設工程的檔案,暫由建設單位保管。
7.0.5 對改建、擴建和維修工程,建設單位應當組織設計、施工單位據實修改、補充和完善原工程檔案。對改變的部位,應當重新編制工程檔案,並在工程竣工驗收後3個月內向城建檔案館 (室)移交。
7.0.6 建設單位向城建檔案館(室)移交工程檔案時,應辦理移交手續,填寫移交目錄,雙方簽字、蓋章後交接。

