簡介
不同構造體制控制的盆地原型的演化形成了盆地的疊合,各個盆地原型之間一般被區域性的不整合界面所分隔。盆地發育過程更為精細的解剖發現,一個盆地原型盆地的形成和發展演化過程也顯示了特有的節律性或階段性。如在斷陷盆地或轉換 -伸展型盆地的演化過程中,邊界斷層的活動往往顯示出快速拉伸的構造活動期和微弱拉伸的構造平靜期的交替變化。在前陸盆地的演化過程中則是逆沖載入的構造活動期與構造活動微弱或停止的構造平靜期的交替變化。這種在構造活動性盆地演化過程中構造作用的幕式性或脈動性,稱之為盆地的幕式構造作用。
原因
幕式構造作用的概念一般局限於同一個盆地原型的演化過程的描述。我國陸上及海域裂陷類盆地如渤海灣、松遼、東海及南海北部諸盆地中均發現了同裂陷期充填序列中的多個不整合面。這些不整合面分隔了二級層序地層單元,一般各相當於一個裂陷幕,每一個裂陷幕中包括了多個更低級別的構造事件所控制的三級層序(李思田、路鳳香、林暢松等 1997;龔再升,李思田等,1997;JianyeRen,2002)。盆地沉降史的定量動力學模擬表明其沉降速率變化的周期性,即各自具有加速沉降至減速的過程(Lin等,2002)。每個二級層序末期常發生一定程度的反轉和剝蝕削頂現象。此種過程表明了盆地同裂陷期的幕式伸展作用。盆地的幕式伸展作用在盆地的局部構造格架和岩漿活動方面也有一定的回響。
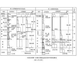
幕式構造作用前陸盆地的幕式構造作用起因於造山帶一側的多期次的構造載入過程。據岩石圈的黏彈性撓曲理論,一次逆沖載入將導致岩石圈撓曲,盆地快速沉降,隨後逆沖作用的變弱和停止可使盆地的沉降減慢,最後由於剝蝕和應力鬆弛等造成岩石圈回彈隆起,形成剝蝕和不整合界面。上述構造演化過程表現在構造沉降速率上即為每一構造層序的發育是從沉降速率迅速加快開始。林暢松等(2002)對庫車前陸盆地的構造地層演化的研究表明,在一次構造幕作用期間形成的構造層序的內部構成上有如下特徵:構造層序發育早期的逆沖作用一方面由於強烈造山,形成山前巨厚的扇礫岩帶,如圖在構造層序Ⅰ至Ⅳ的下部沉積序列都發育有同逆沖構造期的沖積扇沉積;另一方面,逆沖體的重力載入引起快速撓曲沉降,導致了區域性的水進。隨後由於逆沖造山作用減弱,山前高差減小,缺少反映構造明顯活動的邊緣扇砂礫岩帶的發育。同時,由於逆沖撓曲作用減弱,盆地沉降變緩,以河流和河流三角洲沉積為主的碎屑體系向盆地推進,形成了構造層序上部的水退序列。
構造活動性盆地的幕式充填演化控制了盆地內部不同級別的沉積旋迴,這些不同級別的沉積旋迴往往可以與盆地內不同級別的層序地層單元對比。因此,通過從盆地的充填記錄恢復盆地的構造演化歷史,並用多級別幕式構造作用的觀點解釋盆地地層單元的構造 -地層分析方法有助於準確全面地了解構造活動性盆地的發展演化歷史,也有助於從不同的尺度上預測油氣的生、儲、蓋的最佳組合。
幕式成藏
幕式成藏提出
在地質歷史上,突發性的、快速的、幕式發生的地質事件己眾所周知。如地震的突發性和周期性構造事件的節律性比等,均是己被廣泛證實的幕式地質事件。一方面一些石油地質學家也提出了含油氣盆地周期性演化的思想。另一方面,礦床學家們發現,地質歷史上的成礦作用也具有明顯的周期性或階段性,特別是許多熱液脈狀礦床的形成往往都是幕式的,這些礦床經常被發現在古斷層帶上部的脆性區域,其結構特點表明成礦作用是熱液流體沿斷層發生快速的、脈衝式的和間歇性向上充注的結果。
那么,地殼中油氣的運聚成藏在地質時間尺度上究竟是緩慢漸進的還是快速幕式的了如果存在幕式成藏事件,其意義如何了這個問題一直未受到石油地質家們的普遍思考和注意。長期以來,石油地質家們習慣認為,油氣藏的形成首先是烴源岩埋藏到一定深度後(生烴門限)發生生烴作用,當烴源岩中的含烴飽和度達到一定值(排烴門限)時開始排烴進入儲集層,進入儲集層中的油氣在浮力、水動力、構造應力等的作用下發生緩慢的二次運移,直到遇到合適的圈閉才聚集成藏。換言之,油氣的運聚成藏是一個緩慢漸進的過程。然而,這種情況實際上只適用於構造穩定、斷裂活動不活躍、且為正常壓實的盆地。
幕式成藏的證據
1、成藏的年代學證據
成藏年代學研究表明,許多具有多期構造活動或具有超壓的盆地,其油氣藏的形成一般都具有多期性。而且成藏期並不完全受烴源岩熱演化史或生烴高峰期控制,而與區域性的構造運動或斷裂活動時間相一致,或者與超壓流體封存箱邊緣封閉層的破裂時間一致,反映這類盆地油氣藏的形成具有與構造活動或孔隙流體壓力演變同期或準同期的幕式特點。
2、斷層作為流體幕式運移通道的證據
研究表明,斷層是油氣發生幕式運移的重要通道,其證據主要有以下幾方面:
(1)礦物學證據。流體沿斷層的周期性活動必然造成斷裂帶及其周圍岩石發生一定的礦物學變化。
(2)熱異常證據。熱異常也是流體沿斷裂發生幕式運移的一個重要證據。假定斷層附近流體流動比較集中,則將導致地熱的異常高值。
(3)油氣富集證據。油氣沿斷裂帶集中分布是斷裂作為油氣運移重要通道最直接的證據。調查發現,油氣田、特別是高富集度大中型油氣田的形成和分布往往與斷裂有關,這與斷層的地震泵作用有著密切聯繫。由於地震泵吸作用,當斷裂活動時,斷裂帶附近的流體勢迅速降低,從而成為地下流體匯聚的中心。
幕式成藏的機理
分析認為,幕式成藏主要有3種機理,即構造幕(構造泵)作用、斷層閥效應以及超壓積聚效應。
1、構造幕(構造泵)作用
眾所周知,地殼運動是一種相對穩定與相對強烈不斷交替的幕式過程。在構造活動期,地下流體的運動也比較活躍,而構造穩定期地下流體的活動則相對較弱。因此,構造穩定期與活動期的不斷交替,必然造成地下流體的周期性活動,從而形成流體的幕式流動現象。
2、斷層閥效應或地震泵作用
油氣沿斷層發生幕式運移與成藏是幕式成藏最主要的方式,許多大中型油氣田主要沿斷裂分布的事實說明,斷裂特別是規模較大的斷裂帶曾是油氣運移的主要通道。
3、超壓積聚效應
這是超壓流體封存箱式成藏的主要機理。由於無論是由成烴增壓或是其它原因形成的超壓封存箱,其內部流體都要經歷一個壓力積聚的過程,因此一旦壓力達到靜地壓力或者達到封存箱邊緣封閉層的破裂壓力梯度時,便可能造成封閉層的破裂和封存箱內流體的迅速向外排出,直到封存箱內的流體壓力降至正常的靜水壓力時,封閉層才重新癒合,從而進入新的超壓積聚一封閉層破裂旋迴。
幕式成藏的特點和規律
分析認為,幕式成藏主要具有以下特徵和規律:
(1)幕式成藏是一種普遍存在的成藏方式。無論是在多構造運動的盆地還是構造較穩定的盆地、斷層發育的盆地還是斷層不發育的盆地、有異常壓力分布的盆地還是異常壓力不發育的盆地,都可能有幕式成藏存在,只是不同的盆地其重要性和意義不同而己。相對而言,多構造運動、斷裂發育的盆地以及異常壓力比較發育的盆地,幕式成藏往往占有重要地位,而在構造穩定、斷裂和異常壓力均不發育的盆地,漸進式成藏可能居主導地位。總體而論,由於前陸盆地構造活動相對強於克拉通盆地,因而前陸盆地一般以幕式成藏為主,而克拉通盆地則多以漸進式成藏為主。然而,由於世界絕大多數含油氣盆地都不同程度地存在一定的構造運動與斷裂活動,或者即使構造比較穩定也往往存在一定的異常壓力,因此幕式成藏應當是一種普遍存在的現象。相反,那種構造穩定、缺乏斷裂活動、且異常壓力也不發育的盆地,則是極少數的。由此認為,與漸進式的成藏相比,幕式成藏是含油氣盆地的一種十分重要的成藏方式。
(2)幕式成藏主要受控於區域構造運動、斷裂活動和異常壓力演化。其在油氣藏的形成時間上並不完全受控於烴源岩的熱演化歷史,而主要取決於烴源岩大量排烴的時間以及二次運移的時間。一般來說,正常的漸進式的油氣藏形成,在時間上主要受控於烴源岩的熱演化歷史,烴源岩的大量排烴時間一般發生在烴源岩埋深達到生烴高峰期或以後不久,然後進入儲集層發生緩慢的二次運移,直到遇到合適的圈閉時才可成藏。據此,一般認為,只有在生排烴高峰期以前或稍晚前形成的圈閉才可能有油氣藏形成,在此以後形成的圈閉多無油氣藏形成,或者形成的只是後期調整產生的次生油氣藏。然而,烴源岩中生成的油氣並不總能在生烴高峰期後立即由烴源岩排出並發生二次運移,而取決於是否具備大量排烴並發生大規模二次運移的外界條件。一般來說,只有當發生強烈的構造運動或斷裂活動時,油氣的大規模排烴和二次運移才有可能,而這種排烴往往是突然的、快速的和幕式發生的。正因如此,許多盆地大規模的油氣運移與聚集成藏幾乎總是與區域性的構造運動和斷裂活動相伴隨。對於異常壓力比較發育的盆地,幕式成藏則主要受異常壓力演化的控制。當封隔體或封存箱內流體壓力達到岩石破裂壓力或地靜壓力梯度時,其邊緣的封閉層將發生破裂,或者當封閉層被斷裂活動所破壞時,封隔體內的油、氣、水便向外發生幕式混相涌流,從而在封閉層內的滲透層以及箱外正常壓力系統中形成油氣藏。由於幕式成藏主要受控於區域性的構造運動、斷裂活動和異常壓力演化趨勢,因此盆地的構造演化史、斷裂活動史和異常壓力發育史往往決定了幕式成藏史。
(3)幕式成藏是一種快速、高效的成藏方式。與漸進式的成藏相比,幕式成藏的最大特點是快速、高效、運移損失小,並常常具有周期性。特別是沿斷裂的幕式運移與成藏,由於泄流而積小、流體比較集中、運移動力較強、流速高,因而是效率最高的一種運聚成藏方式。因此,許多高富集度大中型油氣田的形成,往往與斷裂有關,如克拉2氣田。相反,在斷裂不發育的盆地,由於油氣主要沿不整合而以及滲透性岩層向高部位作側向運移和充注,泄流而積相對較大,流體比較分散,運移速率較小,運移距離也一般較長,因而成藏效率相對較低,一般難以形成高富集度的大中型油氣田,除非在烴源岩內及其附近有優越的圈閉和儲蓋條件存在。鄂爾多斯盆地便是這類盆地的一個典型,其目前發現的中部下古生界氣田與蘇里格上古生界氣田,均屬自源或近源形成的大型氣田,但豐度較低。
意義
概括起來,幕式構造作用理論在油氣勘探方面主要有以下意義:
首先,按照幕式成藏理論,油氣藏的形成在時間上並不完全受生烴窗控制,而與構造運動、地層壓力演化等密切相關。因此,在進行圈閉評價時,儘管生烴高峰期前形成的圈閉對於油氣藏的形成最為有利,但生烴高峰期後形成的圈閉同樣可能成為有效圈閉,只要在生烴高峰期後存在斷裂活動等構造變動,早期形成的油氣藏便可能發生調整而重新聚集。這就使得勘探的領域大大擴大。
其次,按照幕式成藏理論,斷裂帶附近通常是油氣運移最集中的部位,因而是大中型油氣田形成的主要部位。
因此,對於幕式成藏條件較好、斷裂較發育的盆地斷裂帶及其附近應是這類盆地勘探的重點地區。

