簡介
對稱度公差是指被測實際中心要素對基準中心要素的允許變動全量。對稱度是限制被測線、面偏離基準直線、平面的一項指標。其公差帶是距離為公差值t,且相對基準中心平面 (或中心線、軸線) 對稱配置的兩平行平面(或直線)之間的區域,若給定互相垂直的兩個方向,則是正截面為公差值t1×t2的四稜柱內的區域。 對稱度系要求被測要素與基準要素共面 。
對稱度的定義
對稱度控制一個尺寸特徵與另兩個特徵或一個尺寸特徵均勻對中(等距),比如要求一個特徵處於一個零件寬度上的中點。對稱度是對受控特徵上相對點元素的中心點的控制,如中心面和中心線。理想受控特徵上所有的中點必須落在這個零件的中心面(或中心線)上。對稱度的公差帶是兩個相距規定公差值的平行面或平行線,等邊分布於參考的基準面兩側。這些面特徵的中間點雲是由特徵面上的相對點產生的,必須位於公差帶內。對稱度只套用尺寸不相關原則。對稱度公差可以使用FIM輸出讀數判斷。
對稱度通常被認為可以被位置度取代,因為位置度也可以定義矩形特徵(如槽、凸緣等)的對中性,並且位置度可以套用MMC、LMC或RFS修正(對稱度只能被RFS修正),所以使用位置度定義特徵能夠使對稱約束同時滿足裝配約束。
所以,對稱度控制曾一度取消。但在1994年,ANSI Y15.5委員會重新引入這個功能符號。這主要是考慮到,同心度也約束了特徵尺寸的對中,並且同心度的概念和對稱度相同,它們只是在控制特徵的外形上有差別。同心度控制圓形特徵,而對稱度控制平行平面特徵,但位置度可以實現同心度和對稱度的控制。更需要注意的是,對稱度和同心度都要求使用RFS原則,但位置度沒有這樣的限制,位置度可以被RFS、MMC或LMC修正。所以曾經在一個短暫的時期,同心度和對稱度都被位置度取代過。
但是人們後來發現,對稱度和同心度的概念與位置度的概念還是有差異的。位置度是控制一個匹配特徵的軸線或中心面。例如,位置度控制一個孔的最大內切圓柱面的軸線(可以想像為插入這個孔的最大檢具銷)和一個軸的最小外切圓柱面的軸線位置。位置度所關心的是這個最大內切圓柱面的軸線或最小外切圓柱面的軸線是否在位置度公差範圍內 。
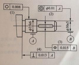
對稱度的測量
必須保證基準特徵面B的平行度滿足要求,才能保證後續測量的精確性。首先要將零件的特徵面A靠緊角板,滿足主定位設定要求,然後將零件的一個與基準面B平行的面與測量台面接觸,使用高度千分尺記錄下足夠多的點。再將零件翻轉1800,保持A面靠緊角板,與基準面B平行的另一個面接觸測量台面,同樣使用高度千分尺記錄下上次測量的所有點的相對點的高度值。比較兩組讀數,然後可以分析是否滿足規定的對稱度要求。另一種比較好的設定方式是將與基準面日平行的兩個面放在兩個平行板之間,兩個平行板與該兩個面的高點接觸,即平行板之間的間距最小,然後求得基準特徵的基準中心面。
形位公差
形位公差包括形狀公差和位置公差。任何零件都是由點、線、面構成的,這些點、線、面稱為要素。機械加工後零件的實際要素相對於理想要素總有誤差,包括形狀誤差和位置誤差。這類誤差影響機械產品的功能,設計時應規定相應的公差並按規定的標準符號標註在圖樣上。20世紀50年代前後,工業化國家就有形位公差標準。國際標準化組織(ISO)於1969年公布形位公差標準,1978年推薦了形位公差檢測原理和方法。中國於1980年頒布形狀和位置公差標準,其中包括檢測規定。形狀公差和位置公差簡稱為形位公差。
加工後的零件會有尺寸公差,因而構成零件幾何特徵的點、線、面的實際形狀或相互位置與理想幾何體規定的形狀和相互位置就存在差異,這種形狀上的差異就是形狀公差,而相互位置的差異就是位置公差,這些差異統稱為形位公差(Geometric tolerances) 。

