大地高簡介
點的空間位置除平面位置外還有高程位置。
地麵點沿參考橢球面法線到參考橢球面的距離叫做大地高,用H表示。
大地高大地高、正常高與正高間的關係
大地高、正高與正常高如圖表示地面一點的大地高H與正常高H以及正高H之間的關係.N為大地水準面與參考橢球面之間的高程差,稱為大地水準面差距,ξ為似大地水準面和參考橢球面之何的高程差,稱為高程異常。這兩者都可通過天文水準或天文重力水準的方法求定。由圖可知:
H=H+N
H=H+ξ
於是,大地高H同正高H或同正常高H之間通過N或ξ聯繫了起來而可互相換算。但因正高的精確值不能得到,故嚴格地說,大地高只能通過正常高求得。由此可見,大地高高差可以從幾何水準測量的結果中算出。另外,因為三角高程測量所測得的兩點間的高差是以垂線為依據的。而大地高高差是以法線為依據的,故由三角測量所得高差在消除了垂線偏差影響之後就是大地高高差。
GPS大地高的套用
由GPS相對定位獲得的三維基線向量,通過GPS網平差,可求得以WGS-84橢球面為基準的高精度大地高。而我國採用的高程系統則是以似大地水準面為基準的正常高系統,傳統的幾何水準或三角高程測量方法是獲取以似大地水準面為基準的正常高的主要手段。如果找出似大地水準面與橢球面這兩個基準面間差距的數學表達式(似大地水準面模型),就能將GPS大地高換算成正常高,從而實現GPS測高來代替高精度的幾何水準或三角高程測量。
大地高是由地麵點沿通過該點的橢球面法線到參考橢球面的距離,是一個幾何量。而我國高程系統採用正常高系統,即地麵點的jE常高是地麵點沿鉛垂線至似大地水準面的距離。而似大地水準面(或大地水準面)是由地球重力場定義的高程參考面.是一個物理意義上的等位面。
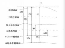
由GPS相對定位獲得的三維基線向量,通過GPS網平差,可求得以WGS-84橢球面為基準的高精度大地高。由GPS獲得的WGS-84大地高與相對於大地水準面的正高或相對於似大地水準面的正常高的相互關係如圖所示:
大地高與正常高關係圖中: h54為1954年北京系大地高; h84為GPS WGS-84系大地高; H2為正常高;ε 54為1954年北京系高程異常;ε 84為WGS-84系高程異常; H1為正高; N54為大地水準面差異; N84為WGS-84系大地水準面差距。
由圖,有以下關係式成立:
大地高
大地高可見,GPS測高與常規水準測量的基準面之問存在一定關係,或者說可以通過轉換求得我們所需要的高程數據。由於常規水準測量需要用水準儀一個站一個站地傳遞高程,每個測站最大距離只能是60~100m,勞動強度大,工作效率低,內業較為繁瑣。GPS測高只需擺好接收機,開機等待即可,測站距離可以達幾千米,勞動強度小,工作效率高,內業較為簡單,其優越性是非常明顯的,特別是在山區更為明顯。

