概述
多級放大器中每個單管放大電路稱為“級”, 級與級之間的連線稱為耦合。 常用的耦合方式有以下三種: 阻容耦合、變壓器耦合、和直接耦合。
多級放大器無論採用何種耦合方式,都必須滿足下列幾個基本要求,才能正常地工作。
(1)保證信號能順利地由前級傳送到後級。
(2)連線後仍能使各級放大器有正常的靜態工作點。
(3)信號在傳送過程中失真要小,級間傳輸效率要高。
多級放大器的方框圖
圖1實際中,為了得到足夠大的放大倍數或考慮到輸入電阻、輸出電阻等特殊要求,放大器往往由多級電路組成。圖1所示為多級放大器的組成框圖,其中的輸入級主要完成與信號源的銜接並對信號進行放大;中間級主要用於電壓放大,將微弱的輸入電壓放大到足夠的幅度;輸出級則主要是完成信號的功率放大,以達到滿足輸出負載需要的功率,並要求和負載相匹配。
級間耦合方式
在多級放大器中,單級放大器之問的連線方式稱為耦合,以實現信號的順利傳遞。常用的級間耦合方式有三種,即阻容耦合、變壓器耦合和直接耦合。
阻容耦合
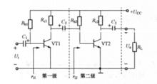
圖2圖2所示為兩級阻容耦合放大器。兩級放大器之間通過電容連線起來,後級放大器的輸入電阻充當了前級放大器的負載,故稱為阻容耦合。由於電容器具有“隔直流、通交流”的作用,在電容器取值合適的條件下,前級放大器的輸出信號經耦合電容傳遞到後級放大器的輸入端,而兩級放大器的靜態工作點互相不影響,有利於放大器的設計、調試和維修。阻容耦合方式電路的體積小、質量輕,在多級放大器中得到廣泛的套用。它的缺點是信號在通過耦合電容加到下一級時會大幅度衰減,阻容耦合方式不適合傳遞直流信號,因此阻容耦合放大器不能放大直流信號。另外在積體電路中製造大電容很困難,所以阻容耦合只適合分立元件電路。
變壓器耦合
圖3利用變壓器實現級間耦合的放大電路如圖3所示。變壓器T1將第一級放大器的輸出信號傳遞給第二級放大器,變壓器T2將第二級放大器的輸出信號耦合給負載。由於變壓器的一次側、二次側之間無直接聯繫,所以採用變壓器耦合方式的放大器,其各級靜態工作點是獨立的。這樣便於設計、調試和維修。這種耦合方式的最大優點在於其能實現電壓、電流和阻抗的變換,特別適合於放大器之間、放大器與負載之間的匹配,這在高頻信號的傳遞和功率放大器的設計中為重點考慮的問題。變壓器耦合的缺點是體積大,且不能放大直流信號,不能集成化,再由於頻率特性差,一般只套用於低頻功率放大和中頻調諧電路中。
直接耦合
圖4前兩種耦合方式都存在放大器頻率特性不好的缺點,為了解決這個問題,人們設計了直接耦合放大器,把前、後級放大器直接相連,電路如圖4所示。直接耦合放大器不但能放大交流信號,還能放大直流信號,其頻率特性是最好的。但直接耦合放大器的直流通路是互相連通的,各級放大器的靜態工作點互相影響,不便於調試和維修。直接耦合放大器還有一個最大的問題,就是零點漂移。零點漂移使人們無法分清放大器的輸出是有用信號還是無用信號,這個問題必須加以解決,否則直接耦合放大器就沒法使用。由於直接耦合放大器便於集成,是積體電路中普遍採用的耦合方式。

