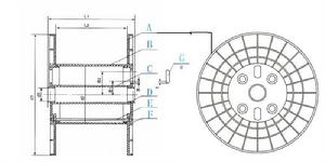
塑膠線盤圖紙
塑膠線盤A指的是盤板,或叫側板,d1指的是盤板的直徑。
B指的是外筒,d2表示外筒的直徑。
C指的是內筒。內筒一般是鐵質的。
D指的是軸圈,d3表示軸孔的直徑。
E指的是螺桿。
F指的是碗型墊圈
G指的是牽引孔,或叫作攜行孔
L1指的是盤的總長。
L2指的是盤的內開長度或稱內寬。
側板直徑大小,外筒直徑大小和內寬直接影響繞線的長度;
軸孔大小,盤的總長和牽引孔大小影響到使用時相關設備的配合尺寸(一般情況這些尺寸是根據設備的相關尺寸加工的)。
再有我們公司根據現有盤的用途分了幾個總類:PN系列,PC系列,PB系列,光纖盤系列等
PN表示機用周轉盤,這類盤因為要循環使用所以很牢固,有C(內筒)
PC表示包裝盤,成品盤,
PB表示數據纜成品用盤,帶支架的。
PB 和PC 系列由於強度要求不是很高,所以一般都沒有內筒,所以周轉盤和成品盤最主要的區別就在這。
綜上,如果客戶需要采購線盤,一般只要把用途、一些必要的尺寸確定好了就可以比較容易和供應商溝通找到需要的盤了,當然最可靠的還是圖紙。
以上就是我們公司長期在生產盤具的過程中一部分相關術語。
