簡介
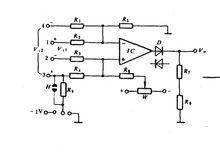
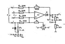
單向電路它是一個具有兩組差動輸入的比例運算放大器。端子1、2和3、4是它的兩組輸入端,一般只利用其中一組接收有用信號,另一組則用來處理信號零點或作其他用途。電路增益為固定的1倍或2.5倍,由“增益”跳線(T1、T2、T3)方式選擇。零點信號(0V或一1V)由“零點”跳線(T4、T5、T6)方式選擇。電位器w來微調電路的零位,電阻R為電路平衡電阻,用來平衡運算放大器兩輸入端的阻抗。由於該電路結構對稱,參數匹配恰當,所以它具有良好的抑制共模干擾能力,可接收不同參考電平的信號。
單向電路原理
具體的原理不同類型的單向電路略有不同,在此以單向橋式整流電路為例。
組成
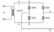
單向電路如圖所示,由四隻整流二極體和負載RL接成單向電橋形式。
工作原理
二極體正極電位高於負極電位或正極電壓大於二極體死區電壓時,二極體導通,導通後通過負載的電流方向不改變,從而在負載上得到極性不變的脈動直流電。
當Vi正半周時,變壓器T次級線圈3正4負,二極體VD1、VD2導通,VD3、VD4截止,負載RL上獲得單向脈動電流。
當Vi負半周時,變壓器T次級線圈4正3負,二極體VD3、VD4導通,VD1、VD2截止,負載RL上獲得單向脈動電流。
電路特點
輸出電壓脈動小,每隻二極體承受的最大反向電壓也較小;變壓器的利用效率高。
單向電路分類及用途
單向電路單向電路是運算放大器的一種非線性運用方式。它實質上是利用運算放大器的高增益和二極體的單嚮導電特性相結合而構成的一個理想開關或單向比例運算器,分為開環和閉環兩種電路。
開環
當電路如1圖所示的開環套用時,該電路就是一個單向比較器。
單向電路由於運算放大器IC的開環增益很高,它的同相端與反相端之間的電位差只要有微小的變化就會使運算放大器IC的輸出由正飽和變為負飽和或由負飽和變為正飽和,從而使接於輸出端的二極體D由導通變為截止或由截止變為導通,如同一個由輸入信號控制的理想開關,
這時電路的輸入輸出關係如圖2所示。
閉環
單向電路當電路接成如圖1所示的閉環套用時,根據輸入信號的不同,可按緩衝電路的方法,恰當地選擇“零點”和“增益”跳線連線方式,使電路處於如下兩種工作狀態:
當輸入信號使二極體D導通時,電路成為緩衝電路,根據增益跳線連線方式的不同.電路具有1倍或2.5倍的固定增益,即輸出V=V一V或V=2.5(V一V)。
當輸入信號使二極體D截止時,電路輸出為零,即電路增益為零。
1.當輸入信號使二極體D導通時,電路成為緩衝電路,根據增益跳線連線方式的不同.電路具有1倍或2.5倍的固定增益,即輸出V=V一V或V=2.5(V一V)。
2.當輸入信號使二極體D截止時,電路輸出為零,即電路增益為零。
單向電路電路閉環套用時的輸入輸出關係如圖2所示。圖中:V為反相輸入信號;Vi為同相輸入信號。
當二極體按圖中所示方向連線時,電路輸出正信號,負向輸出為零;當二極體與圖中所示方向相反連線時,電路輸出負信號,正向輸出為零。
用途
單向電路與緩衝電路一樣,常作為組件的接口電路使用。
電路按單向模型分塊
大型電路可以分塊成基本單元構成單向電路模型。
單向圖的生成過程
大電路系統地分解成單向圖可以進行如下
把單向子電路或宏模型用單向模型代替。得到單向電路框圖。
由單向電路框圖生成接口圖。在圖中,所有輸入連線到頂點1 ,同時把每個單向模型的輸入輸出網路分別用頂點表示,並且把所有無向邊用有向邊代替。
識別圖形中G的強連通部分,把強連通部分收縮成頂點,構成單向圖G`,其中強連通部分用點劃線圈起來,構成超頂點。
根據G`的頂點連線情況,把頂點分層次。
按層次由高到低進行時域分析,先分析k層次的所有子電路,然後分析k+1層次的,k=0,1,2,…
1.把單向子電路或宏模型用單向模型代替。得到單向電路框圖。
2.由單向電路框圖生成接口圖。在圖中,所有輸入連線到頂點1 ,同時把每個單向模型的輸入輸出網路分別用頂點表示,並且把所有無向邊用有向邊代替。
3.識別圖形中G的強連通部分,把強連通部分收縮成頂點,構成單向圖G`,其中強連通部分用點劃線圈起來,構成超頂點。
4.根據G`的頂點連線情況,把頂點分層次。
5.按層次由高到低進行時域分析,先分析k層次的所有子電路,然後分析k+1層次的,k=0,1,2,…
檢查單向電路互感器的極性
在互感器的輸出端接好萬用表(指針式),並打在直流50mA檔,之後在互感器的輸入端短時加一個3~6V直流電壓,在接通電源時如錶針向正向擺動,則說明接正電流端為輸入端,二次則為減極性接法。

