受控源簡介
在電路分析中,為了描述一些元器件的實際工作性能,電路模型中常常等效出另外一種電源——受控源。
受控源與獨立電源相比,在某些方面具有相同的特性,在另一些方面又有自身的特性。受控源向外電路提供的電壓或電流是受其他支路的電壓或電流控制的。
受控電流源因此,受控源有兩對端鈕:一對為輸出電壓或電流的端鈕,稱為輸出端鈕;另一對為控制端鈕,輸入控制量,稱為輸入端鈕。因此,受控源是四端元件。
根據受控源是電壓源還是電流源,控制量是電流還是電壓,可分為四種不同的類型,即電壓控制電壓源(Voltage Controlled Voltage Source,VCVS)、電流控制電壓源(Current Controlled Voltage Source,CCVS)、電壓控制電流源(Voltage Controlled Current Source,VCCS)和電流控制電流源(Current Controlled Current Source,CCCS)。
受控源的受控量與控制量之比稱為受控源的參數,又稱為控制係數。μ、r、g、β分別為四種受控源的參數。其中,μ和β是量綱一的係數,μ稱為電壓放大係數,β稱為電流放大係數;r稱為轉移電阻,其單位為歐姆(Ω);g稱為轉移電導,單位為西門子(S)。當它們為常數時,受控源是線性的。
對於簡單的受控源,如一條支路的電壓或電流受到另外一條支路的電壓或電流控制的情況,這樣的受控源是由兩條支路組成的一種理想化電路原件。受控源的第一條支路的控制支路,呈開路或者短路狀態;第二條支路是受控支路,它是一個電壓源或電流源,起電壓或電流的量值受到第一條支路的電壓或電流的控制。
這樣的受控源分為四類,分別為電流控制的電壓源,電流控制的電流源,電壓控制的電壓源和電壓控制的電流源。
電路處理
與電壓源、電流源一樣,理想受控源也有實際受控源,實際受控源簡稱受控源。
受控電流源在電路分析中,實際受控源和實際電壓源、電流源一樣也可以進行等效變換,其變換方法與實際電壓源、電流源的變換方法完全相同。
電路的基本分析方法一般包括電壓源和電流源的等效變換、支路電流法、網孔電流法、節點電壓法、疊加定理、戴維南定理等,選擇何種分析方法要根據電路的特點和參數計算的具體問題而定。
即利用支電流法、網孔電流法、節點電壓法分析計算含有受控源電路時,可將受控源和獨立源同樣對待,列出方程後求解,但利用電壓源和電流源的等效變換、疊加定理、戴維南定理分析含有受控源電路時卻不能把它當作獨立源來處理。
疊加定理
線上性電路分析中,疊加定理是非常重要的定理之一,套用非常廣泛,它指出:線上性電路中任一支路的電流(或電壓)等於各個獨立電源單獨作用時在該支路產生的電流(或電壓)的代數和(疊加)。
如果電路中含受控源,由於受控源的大小受電路中控制量的控制,所以不能將受控源作為獨立源處理。當其它各獨立源單獨作用時,受控源應保留在各分電路中,受控源的大小由該獨立電源單獨作用下控制量的大小決定,並且當控制量的參考方向改變時,受控量的方向也應相應改變。
戴維寧定理
戴維寧定理是電路分析中非常重要的定理之一,它指出:任何一個含獨立電源、線性電阻、受控源的一連線埠,對外電路來說,總可以用一個電壓源與電阻的串聯組合等效置換,此電壓源的電壓等於該含源一連線埠的開路電壓Uoc,其電阻等於該網路所有獨立源置零(電壓源短路、電流源開路時)後的等效電阻Ri。因此只需求出Uoc 和Ri 這兩個要素,就可以畫出其戴維寧等效電路。
等效變換
電壓源和電流源同屬於電源,且實際電壓源與實際電流源的外特性是相同的,因此兩電源對外電路是等效的,即電壓源和電流源可以等效互換,他們的等效關係為:
受控電流源
受控電流源
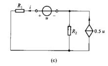
電壓源與電流源的等效變換對於受控電源,若受控源是受控電壓源時,可以等效為一個受控電流源,若受控源是受控電路源時,則可等效為受控電壓源。
他們的等效關係與獨立電壓源與電流源之間的等效基本相同,但在變換過程中要保留控制量所在支路,而不能被變換掉。
與獨立源關係
可以看出,受控源與獨立源有如下共同之處:(1)都具有電源的特性,即有能量輸出;(2)都分為理想電源和實際電源;(3)實際受控電壓源和實際受控電流源也可等效互換。受控源與獨立源有如下不同之處:(1)受控源本身並不產生電能,它所輸出的能量來自於其他獨立電源的能量轉移;(2)電路分析中,受控源不能單獨作為電源使用;(3)含有受控源的電路的等效電阻有可能出現負電阻。

