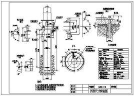
結構形式
首級殼為碗形殼或螺鏇殼,次級、末級殼為碗形殼;泵軸設有多處徑向支承,泵轉子軸向負荷可由泵本身推力軸承承受,也可由電機承受;軸封可以為填料密封或機械密封,泵轉子軸系含兩根軸,軸間聯接為卡環筒式聯軸器,泵機聯接為彈性柱銷聯軸器或剛性聯軸器聯接;進口與出口分別位於泵筒體和吐出座上,並呈180°水平布置(可按15°的整數倍任意變位)。
結構組成
由以下幾部分組成:泵筒體、工作部、出水部分和推力裝置部分。
產品用途
用於火電熱力系統中輸送凝汽器內的凝結水。
泵筒體
泵筒體是由優質碳素鋼板卷焊製成的圓形筒體部分,其一側設有吸入法蘭;泵筒體用以構成雙層殼體泵的外層壓力腔,正常工作時腔內處於負壓狀態。
工作部
工作部用多級葉輪同向排列構成的泵轉子和在其外圍形成導流空間的導流殼組成。
泵轉子由葉輪、泵軸、鍵、軸套等件組成。
葉輪是將原動機的能量轉換成泵送液體能量的核心元件。
泵軸既做為葉輪的載體,又傳遞著轉子的全部負荷。
導流殼的作用是以最小的損失將流出葉輪的液體導向後均勻地進入下一級葉輪。導流殼的聯接是止口定位,最後用螺栓把緊。
出水部分
出水部分由接管、泵座等件組成;泵的傳動軸從該部分的中心穿過;從泵工作部流出的液體經該部分後水平進入泵外壓力管道。泵座上設有密封函體、泄壓孔、脫汽孔;泄壓孔用以將軸封腔內壓力減至最低;脫汽孔用以將泵筒體內的氣體及時排至凝汽器。
推力裝置部分
推力裝置由推力軸承、軸承體、調整螺母等組成。泵產生的軸向力由平衡鼓平衡掉95%,其餘殘餘軸向力由推力軸承承受。如果軸向力由電機承受,則沒有此部分。
軸承
泵內設有多處水潤滑導軸承,用以承受泵轉子徑向力,其一在中間軸承座內,其二在密封函體內,其餘的在工作部內。
軸封
凝結水泵在備用時處在高度真空下,因此,凝結水泵有可靠的軸封非常必要。凝結水泵的軸封可採用密封填料或機械密封,此外還必須使用凝結水作為密封冷卻水。如果採用其他水源來密封,會污染凝結水,所以必須用凝結水作為密封水。
聯軸器
泵軸與傳動軸用卡套和固定套連線;傳動軸與電動機軸的連線用彈性膜片聯軸器或剛性聯軸器聯接。

