特徵
1.微小的形式和結構2.轉換效率超過80%
3.可調光
套用
1.廣泛套用於背光LCD上,如筆記型電腦
筆記型電腦用CCFL逆變器(CCFL Inverter)2.適用於超薄燈箱,如背光廣告燈箱
3.適用於輔助照明和照明設備
設計時嚴格匹配電氣參數以確保CCFL的額定電壓。
技術沿革
逆變器(inverter)電路套用於冷陰極螢光燈,已在集極諧振型電路上廣泛使用。在某些情況下,這個集極諧振型電路的另一名稱是“Royer電路”。不過,該Royer電路的恰當定義是:通過反覆開關(invert)操作使變壓器的飽和。因此,有別於Royer電路的是,逆變器電路利用諧振對集極一邊的諧振履行反覆的運作,這稱為“集極諧振型電路”或“集極諧振型Royer電路”。
以往的CCFL逆變器電路技術以往的CCFL逆變器電路技術
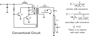
早期的逆變器電路中冷陰極螢光燈沒有利用諧振的方法,二次側電路,都和所謂的封閉磁路式變壓器有小泄漏電感(漏感),用於升壓變壓器。在當時的時代背景下,熟練的工程師認為,所謂的封閉磁路式變壓器的方法,是變壓器有一個小漏感。此外,該漏感的升壓變壓器在逆變電路是公認的,例如,它減少了二次側變壓器的輸出電壓,但還不是最好,所以此參數儘可能小。因此,在當時,一個諧振頻率的二次側電路的變壓器決定與操作頻率的逆變電路是否有關。因此,諧振頻率的二次側電路用來設定為比操作頻率的逆變電路高得多的頻率,來對操作頻率的逆變電路產生影響。此外,整流電容器需要使用CB來穩定冷陰極螢光燈的電流。CCFL逆變器電路技術的進歩
此處展示了冷陰極管螢光燈使用逆變器電路的“以往的CCFL逆變器電路的技術”,其中顯示的電路已是眾所周知的。不過
使用進歩技術的CCFL逆變器電路最先進的CCFL逆變器電路技術
最近的技術顯示日本有一項發明。就發明利用諧振變壓器而言,它實現了升壓變壓器的戲劇性的小型化和高效率。此外
最近的CCFL逆變器電路技術,這發明非常改善了CCFL的逆變器電路的可靠性。大概從1996年左右開始,此項發明開始被廣泛採用。大大有助於小型化和高效率的逆變器電路套用於筆記型電腦的推廣。改善了可靠性的CCFL的逆變器電路的發明,是發明這樣的操作頻率的逆變電路和諧振頻率的二次側電路與對方接近。
·
諧振變壓器跟最小逆變器電路進一步增加升壓變壓器的漏感值,在這種情況下達到3次諧振。並在同一時間,在二次側電路增加電容的組成部分,從而實現了發明的關鍵。

