倍壓整流
在一些需用高電壓、小電流的地方,常常使用倍壓整流電路。倍壓整流,可以把較低的交流電壓,用耐壓較高的整流二極體和電容器,“整”出一個較高的直流電壓。倍壓整流電路一般按輸出電壓是輸入電壓的多少倍,分為二倍壓、三倍壓與多倍壓整流電路 。
工作原理
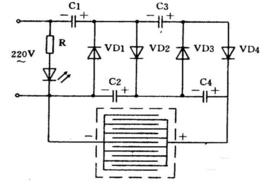
倍壓整流是利用二極體的整流和導引作用,將電壓分別貯存到各自的電容上,然後把它們按極性相加的原理串接起來,輸出高於輸入電壓的高壓來。下圖是一個2倍壓整流電路。
圖2 二倍壓整流電路R1、R2為限流電阻,RL為負載的折算值。首先在第一半周E2經V1對C1充電至E2的峰值E2m,第二半周C1上的電壓和電源電壓相加經V2對C2充電至2E2m。當然開始幾個周期電容上的電壓並不能真正充到這樣高,但經過幾個周期以後,C2上的電壓漸漸能穩定在2E2m左右,這就是2倍壓整流的原理 。
二倍壓
電路由變壓器B、兩個整流 二極體D1、D2及兩個電容器C1、C2組成。其工作原理如下:二倍壓整流電路e2正半周(上正下負)時,二極體D1導通,D2截止,電流經過D1對C1充電,將電容C1上的電壓充到接近e2的峰值√2E2 ,並基本保持不變。e2為負半周(上負下正)時,二極體D2導通,D1截止。此時,C1上的電壓Uc1=√2E2與電源電壓e2串聯相加,電流經D2對電容C2充電,充電電壓Uc2=e2峰值+1.4E2≈ 2√2E2。如此反覆充電,C2上的電壓就基本上是2√2E2 了。它的值是變壓器電級電壓的二倍,所以叫做二倍壓整流電路。
在實際電路中,負載上的電壓Usc=2X1.4E2 。整流二極體D1和D2所承受的最高反向電壓均為Usc 。電容器上的直流電壓Uc1=E2 ,Uc2=2E2 。可以據此設計電路和選擇元件 。
三倍壓
在二倍壓整流電路的基礎上,再加一個整流二極體D3和-個濾波電容器C3,就可以組成三倍壓整流電路,三倍壓整流電路的工作原理是:在e2的第一個半周和第二個半周與二倍壓整流電路相同,即C1上的電壓被充電到接近√2E2 ,C2上的電壓被充電到接近2√2E2 。當第三個半周時,D1、D3導通,D2截止,電流除經D1給C1充電外,又經D3給C3充電, C3上的充電電壓Uc3=e2峰值+Uc2一Uc1≈2√2E2 這樣,在RFZ,上就可以輸出直流電壓Usc=Uc1i+Uc3≈3√2E2,實現三倍壓整流。三倍壓整流電路在實際電路中,負載上的電壓Ufz≈3x1.4E2整流二極體D3所承妥的最高反向電壓也是 電容器上的直流電壓為3√2 E2。
照這樣辦法,增加多個二極體和相同數量的電容器,既可以組成多倍壓整流電路。當n為奇數時,輸出電壓從上端取出:當n為偶數時,輸出電壓從下端取出。
必須說明,倍壓整流電路只能在負載較輕(即Rfz較大。輸出電流較小)的情況下工作,否則輸出電壓會降低。倍壓越高的整流電路,這種因負載電流增大影響輸出電壓下降的情況越明顯。
用於倍壓整流電路的二極體,其最高反向電壓應大於 。可用高壓矽整流堆,其系列型號為2DL。如2DL2/0.2,表示最高反向電壓為2千伏,整流電流平均值為200毫安。倍壓整流電路使用的電容器容量比較小,不用電解電容器。電容器的耐壓值要大於1.5x ,在使用上才安全可靠 。
倍壓整流的故障檢修
以示波器為例,示波器的高頻高壓及顯示電路是儀器的關鍵部分。只有示波器內各電極工作電壓滿足額定條件才能形成比較理想的電子束掃描出所要觀察的信號波形。高壓值的準確與穩定,直接影響X、Y放大器的靈敏度。高壓電路常見的故障表現為:無光點、無高壓振盪、聚焦不良光點關不掉、亮度暗、圖形失真、調節亮度電位器時螢幕顯示波形幅度隨亮度而變化等。導致這些故障的原因較多,現僅對高壓電路故障進行分析、排除。
(1)檢測方法。示波器顯示電路高壓(1kV以上)的檢測方法有兩種:用帶高壓棒的直流電壓量程大於一萬以上的萬用表直接進行測量;憑經驗觀察估計,方法是:先斷開電源,從示波管高壓嘴上取下高壓帽、手持高壓線(儘量離高壓帽遠點),然後接通電源,慢慢移動高壓線使高壓帽向高壓嘴處靠近,大約距離高壓嘴一厘米左右的間隔時,開始拉弧放電,若發出“啪、啪、啪”的響聲,說明高壓基本正常。
(2)故障現象及修理。(現象:光點閃動)。此故障一般是高壓打火現象造成的。首先從外觀檢查高壓嘴處,發現高壓帽老化,並局部破裂,換新後故障依舊存在。靠近機身細心聽,能聽到高壓放電的打火聲,根據打火聲的厲害程度,初步判定打火聲是從高壓套筒里傳出來的。折下高壓套筒取出倍壓整流電路板,在斷電的情況下,用萬用表R×10kΩ檔測量電路板上的六隻矽堆(2DL5/0.2)均正常。然後接通電源,用萬用表量程為2 500V的直流電壓檔分別測量六隻耐高壓電容(6 800P/3kV),結果發現電容C3-16兩端實測電壓指示值隨打火聲的出現而擺動。從外觀看又發現此電容的絕緣外殼因高壓打火而脫落一小塊。換此電容後,高壓不打火、螢光屏光點很穩定。
只有低電壓的交流電源和耐壓低的整流元件,而需要高於整流輸入電壓若干倍的直流電壓時,可以採用倍壓整流電路,但它的負載能力較差,只適用於直流高壓小電流的中功率整流。整流電路選定,一定要注意流過二極體的平均電流ID和負載電流的關係,二極體承受的反向峰值電壓和變壓器次級電壓的關係及電容器的耐壓值 。

