主設備
通信網路的主設備基本上是IT 設備,主要包括伺服器、刀片伺服器、磁碟存儲陣列、路由器和網路交換器等。這些IT 設備基本上都遵從ATX 電源標準或SSI 伺服器電源規範。其內部電源是一個可靠性很高的獨立模組。對於功能強、使用在重要場合的高端伺服器或小型機,均配置兩個及兩個以上的模組並聯運行。雖然輸入的是交流電源,但核心部分還是DC/DC 變換電路,因此只要輸入一個範圍合適的直流電壓給DC/DC 變換電路,就能滿足IT 設備的需要。
主設備電源按前級器件設計的不同又可以分為以下兩類:
一是少數早期的 IT 設備電源輸入端前級有工頻變壓器,輸入直流時阻抗很小,相當於產生短路,此種IT 設備不能套用於直流供電中;
二是現在大多數 IT 設備電源都是高頻開關電源,輸入端沒有工頻變壓器,輸入直流不會產生短路阻抗,可以直流輸入。
無工頻變換電源又分為單電源供電、雙電源(如小型機)和半波整流開關電源供電三類。
1、單電源供電的IT 設備電源一般在低端IT 設備中套用較普遍,基本上都按照ATX標準。從原理來看,電源中一般採用橋堆整流,無論直流電源在接入交流輸入端時其電源正負極極性如何,橋堆都能將其整流成極性確定的直流電源供DC/DC 變換。因此,單電源供電電源套用直流電源時風險較小。
2、雙電源供電的IT 設備電源主要用於伺服器及高端IT 設備。雙電源的簡單原理就是套用了兩套單電源的電源模組,實現兩路交流獨立輸入,僅在直流輸出端作為並聯的負荷分擔。其分析方法可依據單電源系統。
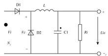
圖 1 半波整流電路簡圖3、半波整流供電的IT 設備電源主要針對早期比較老的IT 設備和功率比較小的IT設備,其電源整流部分採用的是半波整流。半波整流電路簡圖如圖1 所示。
針對此種電路,如果輸入直流電源後不能開機,可能是設備製造廠商在安裝時將設備內部“L”與“N”級接反,即輸入端上部應該接直流電源的正極,下部應該接直流電源的負極,可將該分路開關的輸出線正極、負極對調,並製作不同顏色的明顯標識。
輔助設備
在通信網路及機房中,除了上面提到的主設備外,還有多種輔助設備。
2.1 風扇和風機類設備
風扇和風機類設備有兩種方式:
1、從 IT 設備內部直流端電源取電,可以調速,選用的是直流風機。這種風機可以不更改。
2、風扇或風機是從交流電源接入,選用的是交流風機。交流風機接入直流電源會引起短路,所以不能接入直流電源。
2.2 燈具
機房內普遍套用日光燈和節能燈。此類燈具內有變壓器或電壓激勵模組,只能套用於交流電源,所以機房中的日光燈和節能燈等燈具是不能接入直流電源的。
2.3 顯示器
通信網路系統設備中的顯示器一般分為兩種。
一種是 CRT 顯示器,即陰極射線管顯示器。其內部有交流勵磁迴路,採用直流供電會使偏轉不正常,顯示和色彩也不正常,所以不能接入直流電源。
另外一種就是液晶顯示器。其內部電源本身也是開關電源,可以採用直流供電。在實際套用中,可採用液晶顯示器來替代原來的CRT 顯示器,不會對套用帶來影響。
2.4 印表機
部分型號的印表機採用直流供電時可能會出現工作不正常的情況。
2.5 機房監控設備
機房監控設備一般都有獨立的電源,故需要逐個分析其電源類別。如果確認其電源是開關電源,且電源前級無電容隔直和工頻變壓器短路,則可採用儀表測試確認是否可用直流供電,否則不能接入直流電源。
2.6 多路電源切換設備
內部採用繼電器硬切換的不能繼續使用,採用電子開關軟切換的經測試後方可使用。
2.7 FDS 後備控制電源設備
不能確認。
特殊保護電路影響
1、具有輸入頻率檢測啟動的設備不能直接使用直流供電,需要進行改造。
2、少數電源模組對地設計有電感濾波(可簡單測量對地直流電阻來判斷),雖然不影響系統工作,但可能會加大對地的漏電流,造成絕緣監察系統告警,需要進行處理,如視情況去除電感等。
3、部分電源模組具有啟動過載保護功能,以減少設備啟動時產生的衝擊,需要進行降壓啟動,穩定後再提高電壓恢復。
4、個別電源模組採用按交流電壓平均值(約260V)設定,則可能不能直接使用直流供電,或僅可以在浮充狀態下工作而不能進入均充。這種情況也須在對模組進行改造或將電源系統均充功能關閉後才可以使用。
據以上分析可知,雖然各種IT 設備的開關電源部分的設計思路基本相同,但是詳細設計時又千差萬別,在實際套用時需要對各種類型的IT 設備逐一進行上電前的測試,以確保萬無一失。
