旁路系統的類型
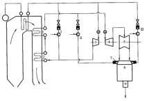
圖1 再熱機組三級旁路系統中間再熱機組的旁路系統是指高參數蒸汽在某些特定情況下,繞過汽輪機,經過與汽輪機並列的減溫減壓裝置後,進入參數較低的蒸汽管道或設備的連線系統,以完成特定的任務。圖1(1-高溫再熱器;2-低溫再熱器;3-高壓缸;4-中壓缸;5-低壓缸;6-凝汽器;7-擴容式減溫減壓器)為再熱機組三級旁路示意圖。其中I-高壓旁路;Ⅱ-低壓旁路;Ⅲ-整機旁路。旁路系統通常分為三種類型:高壓旁路又稱工級旁路,即新蒸汽繞過汽輪機高壓缸直接進人再熱冷段管道;低壓旁路又稱Ⅱ級旁路,即再過熱後的蒸汽繞過汽輪機中、低壓缸直接進入凝汽器;當新蒸汽繞過整個汽輪機而直接排人凝汽器的則稱為整機旁路或Ⅲ級旁路、大旁路。
旁路系統的作用
(1)協調啟動參數和流量,縮短啟動時間,延長汽輪機壽命汽輪機啟動過程是蒸汽向汽缸和轉子傳遞熱量的複雜熱交換過程,為確保啟動過程的安全可靠,要嚴密監視各處溫度和嚴格控制溫升率,使動靜部分脹差和振動在允許範圍內。汽輪機啟動方式不同,要求也有別。《電力工業技術管理法規(試行)》中規定,如汽輪機製造廠無規定時,以高壓缸第一級金屬溫度為依據,200℃以下時為冷態啟動,200—370℃時為溫態啟動,370℃以上為熱態啟動。沖轉時的主蒸汽溫度最少要有50℃的過熱度。溫態、熱態啟動時應保證高、中壓調速汽閥後蒸汽溫度高於汽輪機最熱部分溫度50℃。雙層缸的內外缸溫差不大於30-40℃,雙層缸的上下缸溫差不超過35℃。
再熱機組的主蒸汽系統均採用單元制,其在滑參數啟動時,一般是先以低參數蒸汽沖轉汽輪機,隨著升速、帶負荷、增負荷等不同階段的需要,不斷地提高鍋爐出口蒸汽壓力、溫度和流量,使之與汽輪機的金屬溫度狀況相匹配,實現安全可靠地啟動。如果只靠調整鍋爐的燃燒或汽壓是難以滿足這些要求的,熱態啟動則更難處理。
採用旁路系統後,通過改變新蒸汽流量,協調機組滑參數啟動和停機不同階段的蒸汽參數匹配,既滿足再熱機組滑參數啟停要求,又縮短了啟動時間。汽輪機每啟動一次或升降負荷一次所消耗壽命的百分數為壽命損耗率。不同狀態的啟動方式所耗壽命的百分數不同,如冷態啟動和熱態啟動兩者的壽命損耗率相差10倍左右。金屬溫度變化幅度和金屬溫度變化率小,壽命損耗率也就小,通過旁路系統的調節作用,可滿足啟停時對汽溫的要求,嚴格控制汽輪機的金屬溫升率,減少壽命損耗,延長汽輪機壽命。
(2)保護再熱器
目前國內外再熱機組大多採用煙氣再熱方式,即再熱器是布置在鍋爐內,正常運行時,汽輪機高壓缸的排汽進入再熱器後,提高了蒸汽溫度,同時也冷卻了再熱器。但在鍋爐點火不久汽輪機沖轉前,鍋爐提供的蒸汽溫度、過熱度都比較低時,或運行中汽輪機跳閘、甩負荷、電網事故和停機不停爐時,汽輪機自動主汽閥全關閉,高壓缸沒有排汽,再熱器將處於無蒸汽冷卻的乾燒狀態,一般的耐熱合金鋼材料難以確保再熱器的安全。通過高壓旁路新蒸汽就可經減溫減壓裝置後進入再熱器,冷卻保護了再熱器。
(3)回收工質,降低噪聲
燃煤鍋爐不投油穩定燃燒負荷約為30%鍋爐額定蒸發量或更高,而汽輪機的空載汽耗量僅為其額定汽耗量的5%-7%,單元式再熱機組在啟動或事故甩負荷時,鍋爐的蒸發量總是大於汽輪機的所需量,存在大量剩餘蒸汽。如果將多餘的蒸汽排入大氣,不僅造成工質損失,而且產生巨大的噪聲,惡化周圍的環境。設定了旁路系統,就可將多餘的蒸汽回收到凝汽器中,同時也避免了噪聲。
如果由於電網短時間故障,旁路系統可快速投入,維持鍋爐在最低穩燃下運行,或汽輪機帶空負荷、帶廠用電運行,或停機不停爐,一旦事故消除,機組可迅速重新併網投入運行,恢復正常狀態,大大縮短了重新啟動時間,使機組能較好地適應調峰運行的需要。
(4)防止鍋爐超壓
旁路系統的設計通常有兩種準則:兼帶安全功能和不兼帶安全功能。兼帶安全功能的旁路系統是指高壓旁路的容量為100%BMCR(鍋爐最大連續蒸發量),併兼帶鍋爐過熱器出口的彈簧式安全閥和動力釋放閥(PCV)的功能,即我國稱為三用閥。因低壓旁路的容量受凝汽器限制僅可為65%左右,所以在再熱器出口還必須裝有附加釋放功能的和有監控器的安全閥。當機組出現故障需緊急停爐時,旁路系統快速打開將剩餘蒸汽排出,防止鍋爐超壓。鍋爐安全閥也因旁路系統的設定減少起跳次數,有助於保證安全閥的嚴密性和延長其壽命。
