一線技術簡介
一線技術,英文叫OLT, One line Technology,或者Unicable。套用於電視信號電纜傳輸的一種技術,最開始起源於
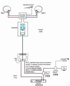
一線技術的基本結構示意圖一線技術的發展歷史
眾所周知,DiSEqC(Digital Satellite Equipment Control,數字衛星設備控制)是一個開放的標準,它定義了在衛星接收機與衛星外設之間只使用現有的同軸電纜通信的標準化匯流排協定。
2004年 9月,意法半導體(ST)公司與 SES Astra合作,發布了歐洲 Cenelec EN61319-1標準的 DiSEqC擴充協定,使接收機能夠管理基於 ST公司的 SCR( Satellite Channel Router,衛星信道路由器)晶片 SaTCR-1的高頻頭(LNB),即一線技術LNB。 2007年 3月,一線技術正式成為歐洲行業標準 ———Cenelec EN50494。該標準英文全稱為“ Satellite signal distribution over a single coaxial cable in single dwelling installations”,意為“在單棟建築物通過一根同軸電纜將衛星信號分發到各個房間”,這從 一線技術One Line Technology字面上就可以反映出來。
一線技術技術提供了開放式軟體平台,只要是衛星接收機能夠接收 950~2150MHz正常範圍內中頻頻率,並具有 DiSEqC的支持功能,然後只要修改軟體程式,就能成為 一線技術接收機,併兼容常規 LNB的非一線技術 接收。如衛星接收機通過簡單的軟體升級(如空中下載新軟體)方式,就能夠成為支持一線技術接收的機器。
如今,一線技術技術已在歐洲各個國家裡廣泛使用,注有 一線技術標記的高頻頭(LNB)、複合開關(multiswitch)、衛星接收機等衛視接收器材層出不窮,形成了衛星接收方案設計中特有的一線技術技術。
一線技術基本原理
LNB接收 Ku波段衛星信號和傳統(Legacy)的 LNB方式類似,只是增加了 SCR、 MCU晶片,它們分別為 ST於 2004年 9月推出的 SaTCR1、 ST7LNB1晶片,一線技術LNB工作原理見圖 。
一線技術原示意圖理載有衛星頻道的垂直極化/低本振(V/L)、垂直極化 /高本振(V/H)、水平極化 /低本振(H/L)和水平極化 /高本振(H/H)四個不同頻段進入低噪聲放大器放大,以確保接收信號的高靈敏度,再通過 BPF(Band Pass Filter,帶通濾波器)濾除雜波後,與高、低本振信號(LO)混頻轉換為 L波段;然後各個信號在 4 ×2或 4 ×3矩陣(Matrix)電路中混合後送到各個SCR晶片。
信號在 SCR晶片里進一步降頻,轉變成頻率固定的中頻信號,再經 BPF產生一個窄子帶輸出信號。安裝幾個 SCR晶片,就會產生相應數量的子帶,最後這些子帶通過混合後形成複合頻帶。這個複合頻帶是由不同頻段輸出的不同的、獨立的頻道組成,由一線技術接口(該接口又稱 SCIF, Single Cable Interface,一根電纜接口)輸出,並通過一條同軸電纜傳送。
在一線技術LNB里,通過一個8位 MCU(單片機)可實現對 SCR的控制,這個預編程的 MCU可以解碼接收 機發出的 DiSEqC命令,通過一條雙線 PC接口就可以控制 SCR晶片。可程式的 MCU還支持 7個預定義的 LNB套用,確保接收機無需更新硬體就可以利用 SaTCR-1驅動的 LNB的功能。
一線技術套用方案
一線技術LNB最多支持在不同房間的 4台接收機,例如盧森堡 Inverto公司的IDLP -40UNIQD +S一線技術LNB,有SCR1(1680 MHz)、SCR2(1420 MHz)、SCR3(2040 MHz)和 SCR4(1210 MHz)四個信道,配合四台一線技術接收機的級聯,就可通過一根同軸電纜無干擾地接收衛星信號(如右圖)。
舉例unitron四台一線技術接收機級聯的方案使用一線技術LNB後,需要接收的衛星轉發器被轉換成 “用戶頻帶(User band)”,再分配給一線技術衛星接收機接收。一線技術衛星接收機發出的具體命令使得一線技術LNB切換
在德國Dream Multimedia(夢幻多媒體)公司推出了新款的DM 800 HD PVR衛星高清接收機就支持這種級聯,將四台DM800的LNB IN、LNB OUT接口依次串聯起來一樣,不管是哪台切換頻道,還是徹底斷電都不會影響下一台機器的正常工作,因為 DM800採用BSBE2-401ADVB-S2調諧器支 持在待機或是斷電情況下,LNB IN和LNB OUT兩個連線埠始終保持連通,這樣就保證了一線技術LNB發出的複合頻帶在同軸電纜中的級聯傳送。
一線技術原示意圖理比利時 Unitron公司和國內博力高電子聯合推出了 OLT( One liner Technology,一線通技術)開關。如 9701複合開關,具有 4個衛星信號、 1個地面信號輸入接口,兩個 3信道的用戶頻帶輸出(見右圖)。
Unitron Johansson 9701一線技術複合開關它們還推出了一個 9712混合器(見右圖),可針對普通的複合開關的三個輸出連線埠,經該混合器後,通過一根同軸電纜輸出,供三台一線技術衛星接收機使用,如圖 18所示。
另外,Unitron還為Direct TV的用戶專門開發了一個9640的一線技術混合器,其特點主要包括:
Unitron Johansson 9712一線技術複合開關* 能把兩個衛星中頻信號整合到單一的同軸電纜上輸送至用戶端裝置, 再將信號分離傳輸至個人視頻錄製器(PVR)或者衛星分頻器等設備。
*內置DiSEqC功能,能同時接收2路衛星天線信號
*5-2150 MHz寬頻設計,整合FM、DAB和TV信號在視頻錄製設備和分頻器之間無需額外的同軸電纜
*透明轉發系統,畫質無損耗,支持高清標準安裝過程
*不需更改現有線路,無需替換同軸電纜
一線技術衛星混頻分配器一線技術設定
實際上,一線技術設備的工作原理和混合(分頻)器類似,只不過混合(分頻)器僅僅是衛星和 UHF/VHF信號
普通複合開關+9712混合器方案
一線技術的設定界面對於一線技術衛星接收機一線技術設定,同樣以 DM800接收機 Gemini2-410版本為例,在其 “一線技術”選項有 “一線技術User defined”(用戶自定義)、 “一線技術LNB”(單開關)和 “一線技術Matrix”(複合開關)三個選項。
設定時,如果我們採用一線技術LNB接收,例如型號為 “IDLP-40UNIQD+S”,只要在【 LOF】上,選擇 “一線技術”,增加的【 Manufacture】(製造商)項目上找到 “ Inverto”,【Type】(類型)、【頻道】、【頻率】都不用設定,最後將【DiSEqC模式】設定 “無”即可。
設定時,如果我們採用一線技術開關接收,例如型號為 “ IDLP UST11O -CUO1O -8PP”,只要在【 Manufacture】項目上找到 “ Technisat”,在【 Type】項目上找到 “TechniRouter 5/1×8K”即可(如圖)。
不過,從 Gemini2 -420版本起,取消了一線技術高頻頭和開關的內置參數,只保留一個 “一線技術User defined”用戶自定義選項,因此應該根據所用一線技術器件的具體參數進行設定,例如只提供 SatCR 1~SatCR 4四個信道,那么應將 SatCR 5~SatCR 8的頻率設定為 “0000”,並且檢查 SatCR 1~SatCR 4默認的頻率是否和器件提供的參數相同,如果不同,則需要修改。另外也要設定好高頻頭的低、高本振頻率【LOF/L】、【LOF/H】項目。
這裡提供的一線技術項目設定參數以及提及的產品,供用戶設定時參考,實際設定的具體操作,請參考用戶自己購買的產品和型號。
