簡介
偽隨機(或偽噪聲,Pseudorandom Noise,PN)碼序列是一種常用的地址碼。偽隨機碼序列具有類似於隨機序列的基本特性,是一種貌似隨機但實際上是有規律的周期性二進制序列。如果傳送數據序列經過完全隨機性的加擾,接收機就無法恢復原始序列。在實際系統中使用的是一個足夠隨機的序列,一方面這個隨機序列對非目標接收機是不可識別的,另一方面目標接收機能夠識別並且很容易同步地產生這個隨機序列。
m序列常見PN offset就是指PN碼偏置指數,在IS-95A CD MA 系統中,PN短碼的周期是32768 (就是你看到的2的15次方=32768) chip,將短碼每隔64 chip進行劃分,於是得到了512 (= 32768 / 64)個不同相位的短碼,將這些短碼按0至511順序編號,將該編號稱為PN 碼偏置指數。而這512個PN Offset值並不一定能全部被使用,需要根據網路的規模等實際情況確定了步長(Pilot INC)後才能最終確定可以使用的PN Offset值
參數
CDMA系統短PN碼加擾對CDMA網路基站的測量主要涉及以下網路識別參數:Band、CH、SID、NID、Base Station P Rev、PN offset、BSID、Slot Sycle Index、Raw Ec/Io、Rx Power、Tx Power、Tx Adj、Rx Lev以及經緯度。
同步原理
發射機和接收機採用高精確度和高穩定度的時鐘頻率源,以保證頻率和相位的穩定性。但在實際套用中,存在許多事先無法估計的不確定因素,如收發時鐘不穩定、發射時刻不確定、信道傳輸時延及干擾等,尤其在移動通信中,這些不確定因素都有隨機性,不能預先補償,只能通過同步系統消除。因此,在CDMA擴頻通信中,同步系統必不可少。
PN碼序列同步是擴頻系統特有的,也是擴頻技術中的難點。CDMA系統要求接收機的本地偽隨機碼與接收到的PN碼在結構、頻率和相位上完全一致,否則就不能正常接收所傳送的信息,接收到的只是一片噪聲。若實現了收發同步但不能保持同步,也無法準確可靠地獲取所傳送的信息數據。因此,PN碼序列的同步是CDMA擴頻通信的關鍵技術。
同步過程
CDMA系統中的PN碼同步過程分為PN碼捕獲(精同步)和PN碼跟蹤(細同步)兩部分。
序列捕獲
PN碼序列捕獲指接收機在開始接收擴頻信號時,選擇和調整接收機的本地擴頻PN序列相位,使它與傳送的擴頻PN序列相位基本一致,即接收機捕捉髮送的擴頻PN序列相位,也稱為擴頻PN序列的初始同步。在CDMA系統接收端,一般解擴過程都在載波同步前進行,實現捕獲大多採用非相干檢測。接收到擴頻信號後,經射頻寬頻濾波放大及載波解調後,分別送往2N擴頻PN序列相關處理解擴器(N是擴頻PN序列長)。2N個輸出中哪個輸出最大,該輸出對應的相關處理解擴器所用的擴頻PN序列相位狀態,就是傳送的擴頻信號的擴頻PN序列相位,從而完成擴頻PN序列捕獲。
捕獲的方法有多種,如滑動相干法、序貫估值法及匹配濾波器法等,滑動相關法是最常用的方法。
1 滑動相關法
滑動相關法PN碼同步過程波形覆蓋圖接收系統在搜尋同步時,它的碼序列發生器以與發射機碼序列發生器不同的速率工作,致使這兩個碼序列在相位上互相滑動,只有在達到一致點時,才停下來,因此稱之為滑動相關法。
接收信號與本地PN碼相乘後積分,求出它們的互相關值,然後與門限檢測器的某一門限值比較,判斷是否已捕獲到有用信號。它利用了PN碼序列的相關徨性,當兩個相同的碼序列相位一致時,其相關值輸出最大。一旦確認捕獲完成,捕獲指示信號的同步脈衝控制搜尋控制鍾,調整PN碼發生器產生的PN碼重複頻率和相位,使之與收到的信號保持同步。
由於滑動相關器對兩個PN碼序列按順序比較相關,所以該方法又稱順序搜尋法。滑動相關器簡單,套用簋廣,缺點是當兩個PN碼的時間差或相位差過大時,相對滑動速度簋慢,導致搜尋時間過長,特別是對長PN碼的捕獲時間過長,必須採取措施限定捕獲範圍,加快捕獲時間,改善其性能。
使滑動相關器實用的有效方法之一是採用特殊碼序列,特殊碼序列要足夠短,以便在合理時間內對所有碼位進行搜尋。至於短到什麼程度,由滿足相關性要求限定。這種加前置碼的方法稱同步引導法。引導碼同步要求低、簡單易實現,是適合各種套用的同步方法。
可捕碼由若干較短碼序列組合而成,其碼序列應與各組成碼序列保持一定的相關關係。這類碼中最著名的是JPL碼。
2 序貫估值法
序貫估值法是另一種減少長碼捕獲時間的快速捕獲方法,它把收到的PN碼序列直接輸入本地碼發生器的移位暫存器,強制改變各級暫存器的起始狀態,使其產生的PN碼與外來碼相位一致,系統即可立即進行同步跟蹤狀態,縮短了本地PN碼與外來PN碼相位一致所需的時間。
該方法先檢測收到碼信號中的PN碼,通過開關,送入n級PN碼發生器的移位暫存器。待整個碼序列全部進入填滿後,在相關器中,將產生的PN碼與收到的碼信號進行相關運算,在比較器中將所得結果與門限進行比較。若未超過門限,則繼續上述過程。若超過門限,則停止搜尋,系統轉入跟蹤狀態。理想情況下,捕獲時Ts=nTc,(Tc為PN碼片時間寬度)。該方法捕獲時間雖短,但存在一些問題,它先要對外來的PN碼進行檢測,才能送入移位暫存器,要做到這一點有時很困難。另外,此法抗干擾能力很差,因為逐一時片進行估值和判決,並未利用PN碼的抗干擾特性。但在無干擾條件下,它仍有良好的快速初始同步性能。
3 匹配濾波器法
用於PN同步捕獲的匹配濾波器一般採用延時線匹配濾波器,其目的是識別碼序列,它能在特殊結構中識別特殊序列,而且只識別該序列。假設一個輸入信號是7bit碼序列1110010雙相調製的信號,每當碼有1-0過渡時,反相信號進入延時線,直到第1bit在T7,第2bit在T6。當全部時延元件都填滿,而且信號調製碼與濾波器時延元件相位一致時,T2的信號相位與T5、T6、T7的相位相同,時延元件T1、T3、T4也具有相同的信號相位。把{T2、T5、T6、T7}與{T1、T3、T4}兩組分別相加,把{T1、T3、T4}之和倒相輸出,再將這兩個結果相加,包含在全部7個元件中的信號能量同相相加,整個輸出是未處理的7倍。根據該能量關係可以識別碼序列。要增強產生的信號,可以靠附加更多的時延元件實現,在這種結構中得到的處理增益為Gp=10lgn(n是參加求和的時延元件數)。
在要求快速鎖定及使用長碼的CDMA擴頻通信中,宜採用SAW-TDL-MF作同步器。對於待定信號,匹配濾波器具有時間自動能力,無需PN碼時鐘同步與RF載波相位鎖定,既避免了數據信息比特以外的同步,又完成了擴頻信號的相關處理。引導碼進入程控編碼SAW-TDL-MF後,其輸出是噪聲基底上的底尖相關峰。在擴頻通信中,噪聲功率控制接收機的AGC,因而信號功率(即相關峰值)在起伏的噪聲環境中變化很大。門限計算器的功能根據包絡檢測輸出,確定動態門限電平,提供給同步檢測器,保證在低SNR時有可允許的同步誤差。動態門限電平取在主峰高度與最大旁峰之間時,噪聲引起的底同步誤差最小。當SAW-TDL檢波輸出包絡超過動態門限時,同步檢測器為接收機寬頻頻率合成器提供一個邏輯電平同步信號。
srrc濾波器的脈衝成型函式 pn序列跟蹤
當同步系統完成捕獲過程後,同步系統轉入跟蹤狀態。所謂跟蹤,是使本地碼的相位一直隨接收到的偽隨機碼相位改變,與接收到的偽隨機碼保持較精確的同步。跟蹤環路不斷校正本地序列的時鐘相位,使本地序列的相位變化與接收信號相位變化保持一致,實現對接收信號的相位鎖定,使同步誤差儘可能小,正常接收擴頻信號。跟蹤是閉環運行的,當兩端相位出現差別後,環路能根據誤差大小自動調整,減小誤差,因此同步系統多採用鎖相技術。
跟蹤環路可分為相干與非相干兩種。前者在確知發端信號載波頻率和相位的情況下工作,後者在不確知的情況下工作。實際上大多數套用屬於後者。常用的跟蹤環路有延遲鎖定環及τ抖動環兩種,延遲鎖定環採用兩個獨立的相關器,τ抖動環採用分時的單個相關器。
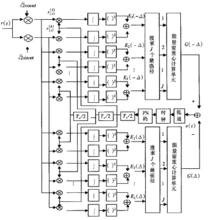
1 延遲鎖相環
當本地PN碼產生器第(n-2)和第n級移位暫存器輸出PN碼相位超前於接收到的偽隨機碼相位時(即兩碼的相對時差0<τ
2 τ抖動跟蹤環
抖動環是跟蹤環的另一種形式,與延時鎖定環相同,接收信號與本地產生PN序列的超前滯後形式相關,誤差信號由單個相關器以交替的形式相關後得到。PN碼序列產生器由一個信號驅動,時鐘信號的相位二元信號的變化來回“擺動”,去除了必須保證兩個通道傳遞函式相同的要求,因此抖動環路實現簡單。與延時鎖定環相比,信噪比性能惡化大約3dB。 延遲鎖定環及τ抖動環不僅能起跟蹤作用,如果採用滑動相關概念,使本地VCO開始時就與接收信號有一定頻差,也能起到捕獲作用。此外,另加一相關器,還可以起到解碼作用。
上述兩種跟蹤環路的主要跟蹤對象是單徑信號,但在移動信道中,由於受到多徑衰落及都卜勒頻移等多種複雜因素影響,不能得到令人滿意的跟蹤性能,所以CDMA擴頻通信系統應採用適合多徑衰落信道的跟蹤環。基於能量窗重心的定時跟蹤環就是其中之一。
pn碼CDMA數字蜂窩移動系統採用擴頻技術,其擴頻頻寬使系統具有較強的多徑分辨能力。接收機不斷搜尋可分辨多徑信號分量,選出其中能量最強的J個多徑分量作為能量窗,利用基於能量窗重心的定時跟蹤算法,觀察相鄰兩次工作窗內多徑能量分布變化,計算跟蹤誤差函式,根據能量重心變化,調整本地PN碼時鐘,控制PN碼滑動,達到跟蹤目的。採用該跟蹤環的目的是使用於RAKE接收的工作窗內多徑能量之和最大,接收機性能更好。仿真結果表明,與DLL跟蹤單徑相比,採用基於能量窗重心的定時跟蹤法跟蹤有效多徑成分具有更好的性能。
套用意義
PN碼就是偽隨機碼,具有與二元隨機序列性質相似的周期性碼組。是一種預先確定,並可重複實現的具有某種隨機特性的碼,它雖然僅有2個電平,卻具有類似白噪聲的相關特性,只是幅度機率分布不再服從高斯分布。用在ofdm系統中,可能是基於PN序列的同步算法或者是基於PN序列的頻偏信道參數估計算法,充分利用PN序列的相關特性,具有良好的抗噪特性、衰落信道適應性和高的估計精度。

