P4電源的產生
P4電源產生的直接原因就是Intel的P4微處理器,P4處理器與以前的處理器相比較,其中一個明顯的變化就是功耗要大很多。這使得原先的電源供電方式(通過VRM從+5V獲取供電)顯得很吃力,比如晶片功耗為50W,那就需要10A的電流。這使連線線和接外掛程式以及主機板上的PCB銅箔走線都會比較困難。 基於以上原因,Intel在推出P4處理器的時候,就把CPU的供電轉向了+12V。使得便於傳輸更多的功率,也提高了傳輸效率。
P4電源相關
p3的一般是20針口 150w ;p4的一般是24針口 300w ;p3的機器可以使用p4電源,p4機器一般不能使用p3電源(因為功率不夠計算機電源是根據計算機相應的電源標準設計和生產的),在計算機高速發展的這十多年間,計算機電源標準也跟著在不斷地發生變化,以適應計算機高速發展的要求。
計算機電源主要採用了以下幾個標準: PC/XT標準: 是由IBM最先推出個人PC/XT計算機時制定的標準; AT標準: 也是由IBM早期推出PC/AT機時所提出的標準,當時能夠提供大約190W的電力供應; ATX標準: 是由Intel公司於1995年提出的工業標準,從最初的ATX1.0開始,ATX標準又經過了多次的變化和完善,目前國內市場上流行的是ATX2.03和ATX12V這兩個標準,其中ATX12V又可分為ATX12V1.2、ATX12V1.3、ATX12V2.0等多個版本。
ATX與AT標準比較:
1、ATX標準取消了AT電源上必備的電源開關而交由主機板進行電源開關的控制,增加了一個待機電路為電源主電路和主機板提供電壓來實現電源喚醒等功能;
2、ATX電源首次引進了+3.3V的電壓輸出端,與主機板的連線接口上也有了明顯的改進。
ATX12V與ATX2.03標準比較:
1、ATX2.03是1999年以前PII、PIII時代的電源產品,沒有P4 4PIN接口;
2、ATX12V加強了+12VDC端的電流輸出能力,對+12V的電流輸出、涌浪電流峰值、濾波電容的容量、保護等做出了新的規定;
3、ATX12V增加的4芯電源連線器為P4處理器供電,供電電壓為+12V;
4、ATX12V加強了+5VSB的電流輸出能力,改善主機板對即插即用和電源喚醒功能的支持。
ATX12V標準之間的比較: ATX 12V是支持P4的ATX標準,是目前的主流標準,該標準又分為如下幾個版本:
ATX12V_1.0:2000年2月頒布,P4 時代電源的最早版本,增加P4 4PIN接口;
ATX12V_1.1:2000年8月頒布, 在前一版本的基礎上,加強了+3.3V電流輸出能力,以適應AGP顯示卡功率增長的需求
ATX12V1.2:2002年1月頒布,在前版的基礎上,取消-5V輸出,同時對Power on 時間作出新的規定; ATX12V_1.3:2003年4月頒布,在前版的基礎上,提高了電源效率,增加了對SATA的支持,增加了+12V的輸出能力。
ATX12V_2.0:2003年6月頒布,在前版的基礎上,將+12V分為雙路輸出(+12VDC1和+12VDC2),其中+12VDC2對CPU單獨供電,+12V輸出能力進一步提升,電源效率更高。
ATX12V2.01:2004年6月頒布,在前版的基礎上,對+12VDC2輸出電流的紋波作出新的要求。 ATX12V2.2:2005年3月頒布,在前版的基礎上,加強+5VSB的輸出電流至2.5A;增加更高功率電源規格。
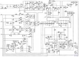
P4電源電路圖
電路圖
P4電源P4電源維修過程
檢修電源的維修過程:
1.通電之前的工作,先用萬用表測量黃、紅、橙、綠、紫線的對地阻值有無短路
有,——說明輸出穩壓管短路擊穿
還有種情況比如測的紅線對地阻值38,橙色也是38——那么就要檢查兩者穩壓管之間電路和它們輸出繞組合併電感是否掉了絕緣漆
無,——接著測220V電源輸入插座是否短路相通,這樣可以測到橋堆有無短路。都無短路情況的話可以放心的插220V電測試了
2.通電後測待機紫色有無5V電輸出、綠線有無3.6V/5V輸出(有些電源綠線是3.6V左右)
有待機電壓和綠線且V數正常的情況下,——加負載測試各直流輸出是否正常、風扇是否轉
風扇不轉、風扇轉一下就停——跳過輔助電源部分直接檢測主電源IC部分
無待機電壓和5V綠線電壓——從輔助電源開始檢測
3.拆開電源機殼,——目測基本的電容是否鼓包,各元件是否直接被擊穿燒黑,有的話直接排除!
無待機電壓檢測步驟——保險——整流橋——200V大電容/下面兩個100K電阻——3866——13009——R11電阻——D6穩壓穩壓二極體——R12電阻——C1815——光耦——TL431——R31——3個穩壓輸出管——到這裡仍未發現問題所在上電測7500各腳電壓——還不行就地毯式搜尋
有待機電壓的、風扇轉一下就停的、不轉的檢測步驟——7500——輸出電容——339——R31(試過很多R31斷路引起很多問題它處於一個關鍵位置)——7500和339各連腳的電阻穩壓管——輸出電容
通過測494/7500各腳負數可以知道很多問題,修電源的一個捷徑,測量它可以知道輔助電源的好壞和把問題縮小在一定的範圍內。
1腳 0V 2腳 4.8V 3腳 0V 4腳 3.3V/0V 5腳 1.3V 6腳 3.6V 7腳 0V 8腳 2.2V 9腳 0V 10腳 0V 11腳 2.2V 12腳 14V 13腳 5V 14腳 5V 15腳 5V 16腳 0.4V

