Z源逆變器的提出
Z源逆變器的一般拓撲美國密西根州立大學彭方正博士提出的Z源逆變器,有效地克服了上述傳統電壓源和電流源逆變器的不足,為功率變換提供了一種新的思路和理論,通過引進一個X型交叉阻抗源網路,將逆變橋與電源藕合,其拓撲結構如圖所示。
Z源逆變器憑藉其自身拓撲的獨特性可自由地工作在開關管斷路或直通狀態下,這為逆變電路根據需要來選擇升/降壓提供了一種新的機制。這種機制具有極大的靈活性:
(1)Z源逆變器的電源既可為電壓源,也可為電流源。因此,與傳統的電壓源和電流源逆變器不同,Z源逆變器的直流電源可以為任意的,如電池、二極體整流器、晶閘管變流器、燃料電池堆、光伏陣列輸入、電感、電容器或它們的組合。
(2)Z源逆變器的主電路既可為傳統的電壓源的形式,也可為傳統的電流源的形式。Z源逆變器所採用的開關可以是開關器件和二極體的組合。既可以是傳統電壓源逆變器的反並聯組合,也可以是傳統電流源逆變器的串聯組合。
(3)Z源逆變器的輸出負載可為感性,也可以為容性。
Z源逆變器國內外的研究現狀
如今,對Z源逆變器的理論研究己取得了重大突破,其拓撲結構在AC/AC,AC/DC,DC/DC,DC/AC功率變換的套用前景也引起了國內外學者的廣泛關注。因此,研究Z源逆變器就具有了很強的理論與實際意義。近年來,在Z源逆變器的新型拓撲結構,PWM脈衝寬度調製方法、建模控制及工作模式分析、套用領域源AC-AC變換器等方面展開了大量的研究。
對Z源逆變器的新型拓撲結構的研究,己有許多成果。準Z源逆變器的提出改善了Z源逆變器,在不增加元件的基礎上,提高輸入性能,降低電容耐壓值,從而減小電容體積。最近,關於提高Z源逆變器升壓因子的研究很多。開關電感型Z源/準Z源逆變器利用開關電感結構實現升壓因子的提高;T型逆變器變壓器型Z源/準Z源逆變器利用融合電感或變壓器結構提高電路的升壓能力。這些新型拓撲在提高升壓因子的同時,朝著減少元件個數、降低元器件電壓/電流應力、減小輸入電流紋波、改善輸出波形質量等方向邁進。
關於脈寬調製方法的研究也有很多,有研究通過對直通零矢量時間的合理分配來減小電感電流紋波,從而減小電感值。在控制方法上,有文獻分析比較4種SVPWM調製策略,將直通零矢量平均分為6段、4段、2段或1段插入到傳統零矢量的開關切換時刻,不同的分段插入方法使得最大直通占空比不同。與三角載波相比,採用正弦載波,可以獲得更大的直通占空比。總的來說,有簡單升壓調製、最大升壓調製、最大恆定升壓調製、3次諧波注入升壓調製、正弦載波PWM調製、簡單SVPWM調製、直通分段SVPWM調製等,每種調製方法對應的最大增益因子、輸出電壓的諧波性能、功率器件的電壓應力都有所不同。
建模控制方面,有文獻深入研究了Z源變換器的交流小信號模型,並推導和驗證了其建模方法。也有研究提出了電壓源型Z源逆變器的瞬態建模方法,進行推導分析,並採用開關函式法建立了三相Z源逆變器的數學模型。
將Z源逆變器可以套用到燃料電池領域,具有單級式的系統結構、輸出電壓範圍寬、效率高等優點,如圖所示。
基於Z源逆變器的燃料電池套用Z源逆變器套用在光伏發電系統中,該系統為可實現升/降壓功能的單級系統,具有結構簡單、可靠性高等優點,如圖所示。
基於Z源逆變器的光伏發電系統三相Z源逆變器還可以套用在風力發電系統中,可實現系統在較寬範圍內的變速運行,同時具有高效率特點。
基於Z源逆變器的風力併網發電系統Z源逆變器在燃料電池、太陽能、風能等分散式能源的套用中具有廣闊的前景。
Z源逆變器的基本工作原理
Z源逆變器控制方法
Z源逆變器控制方法
Z源逆變器控制方法
Z源逆變器控制方法Z源逆變器的拓撲結構已給出,在Z源逆變器里,電感 , 與電容 , 構成一個兩連線埠X型網路,其阻抗網路將電源與逆變器主電路藕合在一起。與傳統逆變器相比,Z源逆變器最大的特點是逆變橋的功率開關管可以同一橋臂上下同時導通或上、下橋臂同時斷開。傳統電壓源型逆變器的PWM調製包括6種有效矢量狀態與2種零矢量狀態,共8種狀態。在此基礎上,Z源逆變器增加了一種傳統逆變器所禁止的狀態一直通零矢量狀態(即任一橋臂的上、下開關管同時導通),共9種狀態。Z源逆變器正是套用直通零矢量狀態來達到輸出電壓的升/降壓。因此,可避免由電磁干擾引起開關誤動作而損壞變壓器的情況,提高整機的可靠性。Z源逆變器的PWM調製無需考慮死區時間,控制顯得相對簡單,輸出波形亦得到改善。
Z源逆變器控制方法
Z源逆變器控制方法
Z源逆變器控制方法
Z源逆變器控制方法
Z源逆變器控制方法
Z源逆變器控制方法
Z源逆變器控制方法
Z源逆變器控制方法
Z源逆變器控制方法
Z源逆變器控制方法
Z源逆變器控制方法
Z源逆變器控制方法
Z源逆變器控制方法
Z源逆變器控制方法
Z源逆變器控制方法
Z源逆變器控制方法
Z源逆變器控制方法
Z源逆變器控制方法電路工作在直通狀態下, 關斷, 與 並聯, 經 續流; 與 並聯, 經 續流。另一方面,電路工作在非直通狀態(對應傳統逆變器的6種有效矢量和2種零矢量狀態)下, 導通, 與 分別通過兩迴路(電源- - ,電源- - )進行充電, 與 向主電路傳輸能量。
Z源逆變器的拓撲結構
準Z源逆變器
準Z源逆變器準Z源逆變器有2種類型,即輸入電流連續型與輸入電流斷續型。其電路拓撲結構如右圖所示。在不增加元件個數的基礎上,對傳統Z源逆變器阻抗網路的電感、電容的位置稍作調整,形成一種新的拓撲結構,即準Z源逆變器。與傳統Z源逆變器相比,準Z源逆變器整個電路拓撲擁有一個公共的直流源接地點,且不存在啟動衝擊電流迴路。同時,準Z源逆變器具有相同的升壓因子,也是利用直通零矢量狀態來實現輸出電壓的升/降壓。
開關電感型Z源逆變器
開關電感型Z源逆變器在DC-DC變換器里,常利用開關電感或開關電容結構來實現變換器的升/降壓。開關電感型Z源逆變器將開關電感結構與Z源逆變器里結合在一起,形成開關電感型Z源逆變器,其電路拓撲結構如右圖所示。
開關電感型Z源逆變器和傳統Z源逆變器一樣,亦是利用直通現象來實現輸出電壓的升/降壓。該拓撲里,設電感L1, L2, L3, L4的電感量相等,電容C1,C2的電容量相等。因此,電路具有對稱結構,其工作狀態亦可分為直通狀態與非直通狀態。
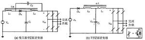
T型Z源逆變器
電感融合型Z源逆變器電感融合可以通過融合作用,進行能量的傳輸。將融合電感結構套用到準Z源逆變器中,使其替代準Z源逆變器阻抗網路的電感結構,從而形成變壓器型Z源逆變器,其電路拓撲結構如右圖(a)所示。直流電壓源與變壓器原邊繞組串聯,因此輸入電流連續。移除一個電容,重新配置電路,得到另一種形式的變壓器型逆變器,即T型Z源逆變器,其電路拓撲結構如右圖(b)所示。相比開關電感型,T型Z源逆變器元件個數減少,電路的升壓能力除直通零矢量時間外,還與變壓器匝比有關。
T型Z源逆變器里,變壓器可等效為理想變壓器並聯勵磁電感。T型Z源逆變器的工作狀態亦可分為直通狀態與非直通狀態。
三種拓撲結構比較
準Z源逆變器、開關電感型Z源逆變器、T型Z源逆變器都是基於改進傳統Z源逆變器的一些不足而提出的新拓撲結構。分別對準Z源逆變器、開關電感型Z源逆變器、T型Z源逆變器簡要分析可知,這3種Z源逆變器的工作狀態與傳統Z源逆變器一樣,均可分為直通狀態與非直通狀態,都利用直通零矢量狀態來實現輸出電壓的升/降壓。
準Z源逆變器在元件個數不變的基礎上,改善輸入電流紋波、減小電容電壓應力;開關電感型Z源逆變器通過添加開關電感結構來提高電路的升壓能力。T型Z源逆變器引入融合電感結構提高,但由於其輸入電流斷續,利用變壓器原副邊繞組匝數比實現升壓能力的往往需在電路前級加入LC濾波結構。
Z源逆變器控制方法
與傳統逆變器相比,Z源逆變器最大的不同之處在於直通狀態的存在,可對其加以利用實現升壓輸出。因此,可通過對傳統逆變器PWM調製策略的分析,加以改進,以實現Z源逆變器的PWM調製。從直流側看,傳統零矢量狀態與直通零矢量狀態對負載而言,均起到短路的作用效果。因此,在升壓場合下,可根據需要將直通零矢量時間替代部分或全部的傳統零矢量時間,而不改變有效矢量的作用時間,不會影響輸出波形。Z源逆變器及其新拓撲都是利用直通狀態來實現升壓輸出的。
簡單升壓調製
簡單升壓調製在傳統PWM調製的基礎上,簡單升壓調製只是單純地用直通零矢量替代部分的傳統零矢量,而不做其他改變,如右圖所示。
該調製方法中,採用三相正弦調製波與三角載波。當三角載波的值大於VP或小於VN時,逆變器工作於直通狀態;當三角載波的值處於VP與VN兩者之間時,逆變器工作於傳統PWM調製狀態。該調製方法中,直通零矢量的位置固定,且均勻分布在傳統零矢量里。同時,直通占空比D的取值受到限制,須小於或等於(1-M),當調製係數M=1時,D=0,電路無升壓能力。逆變器的最大增益為:
Z源逆變器控制方法開關管的電壓應力Vs,即直流側母線電壓,表達式為:
Z源逆變器控制方法由上兩式可知,簡單升壓調製下,減小調製係數M,逆變器的增益能力提高,但同時亦會增大開關管的電壓應力。
簡單升壓調製的控制簡單,實現容易。該調製方法下,逆變橋為三相直通,可有效降低流過開關管的電流。但是,隨著逆變器增益能力的提高,開關管的電壓應力也會變大。在某些場合下,將受限於開關器件的電壓應力等級,不能滿足輸出電壓大小的要求。同時,直通零矢量的插入,使得開關頻率倍增,從而增大開關損耗。
最大升壓調製
最大升壓調製在傳統PWM調製的基礎上,最大升壓調製只是單純地將直通零矢量替代全部的傳統零矢量,而不做其他改變,如右圖所示。
當載波大於最大的正弦調製波或小於最小的正弦調製波時,逆變器進入直通狀態;當載波處於最大與最小的正弦調製波之間時,逆變器進入傳統PWM調製狀態。該調製方法中,直通占空比D在每個開關周期T中都在變化。由於三相正弦波具有對稱性,直通狀態以PI/3作周期性變化。平均直通占空比為:
Z源逆變器控制方法逆變器的增益因子為:
Z源逆變器控制方法開關管的電壓應力為
Z源逆變器控制方法與簡單升壓調製相比,在相同調製係數M下,最大升壓調製的增益能力更強;在給定增益因子G下,最大升壓調製的開關電壓應力得到降低。然而,最大升壓調製里,直通占空比D在每個開關周期T內是變化的,存在6倍基波頻率。這將為逆變器引入相同頻率的低頻脈動。
最大恆定升壓調製
最大恆定升壓調製最大升壓調製在給定調製係數M下,增益能力變強,開關電壓應力減小。但變化的直通占空比D會為逆變器引入6倍基波頻率。為減小開關器件的電壓應力,同時使直通占空比D固定不變,提出了一種最大恆定升壓調製策略,如圖所示。
與簡單升壓調製不同的是,作為直通狀態調製信號的VP,VN不再是固定的,而是變化的。
可知,在任意時刻VP與VN之間的距離始終保持M不變,因此直通占空比D在每個開關周期里是恆定不變的。
可知,最大恆定升壓調製綜合了前兩種調製方法的優點。與簡單升壓調製相比,相同調製係數M下,該調製方法的增益能力更強,有利於降低開關器件的電壓應力;與最大升壓調製相比,該調製方法具有恆定不變的直通占空比D,避免了6倍基波頻率的引入。
三次諧波注入升壓調製
三次諧波注入升壓調製右圖為三次諧波注入升壓調製的示意圖,在簡單升壓調製的三相正弦調製波中,注入三次諧波成分,其幅值為1/6基波幅值大小。
與簡單升壓調製相似,利用恆定的VP與VN控制直通占空比D,實現升壓輸出。然而,在三次諧波注入升壓調製中,調製係數M的工作範圍得到了拓寬,M小於等於。直通占空比D同樣受到限制,須小於或等於(1-M/2),當調製係數M =時,D=0,電路無升壓能力。
該調製方法與最大恆定升壓調製相比,具有相同的最大直通占空比、升壓因子、增益因子、開關電壓應力。唯一的不同是,該調製方法拓寬了調製係數的工作範圍,M可達到2/婦,使得系統的工作區域範圍增大。
直通分段SVPWM
空間矢量脈寬調製SVPWM與正弦脈寬調製SPWM出發點不同,但兩者之間仍存在相似之處。與SPWM調製一樣,SVPWM也是使直通零矢量時間作用在傳統零矢量時間裡,不改變有效矢量的作用時間。
空間電壓矢量分布圖傳統電壓源型三相逆變器里,共8種開關狀態,包括6種有效矢量狀態與2種傳統零矢量狀態。其中,6種有效矢量的模長均為2Vdc/3。如右圖所示,6個有效電壓矢量將空間等分為6個扇區。
利用Sa,Sb,Sc表示8種開關狀態。Sk為1時,表示k相開關管上通下斷;Sk為0時,表示k相開關管上斷下通,其中,k=a, b或c。
傳統SVPWM里,三相正弦調製信號合成以同頻率旋轉的參考電壓矢量Vref,在每個開關周期T里,先確定參考電壓矢量Vref所處的扇區位置,再由該扇區兩相鄰的有效矢量及兩零矢量合成。當參考電壓矢量Vref位於扇區I時,Vref由兩相鄰的有效矢量V1,V2與零矢量合成。
直通分段SVPWM在Z源逆變器的SVPWM里,需考慮的是如何把直通零矢量時間插入到傳統零矢量時間裡。若將直通零矢量直接替代傳統零矢量,同時為保持PWM波形的對稱性,勢必會使開關頻率加倍,從而增加開關損耗。為了使開關頻率保持不變,可在每相上、下橋臂開關管的換流時刻插入直通零矢量。同時,為了最大化利用傳統零矢量的作用時間,將其由傳統的平均分配(各占0.25倍T0)改為如圖所示的分配形式。
這時,圖中黑色部分為插入的直通狀態,灰色部分是保證有效矢量作用時間不變而做出的平移。該調製方法下,可最大化利用傳統零矢量時間,若全部由直通零矢量時間代替,可實現最大化的SVPWM。這時,Z源逆變器具有最強的增益能力,亦可降低開關電壓應力。但與最大化升壓調製一樣,直通占空比的變化會為逆變器引入6倍基波頻率脈動,對阻抗網路的電感、電容設計不利。
五種調製策略比較
所述5種Z源逆變器的PWM調製策略,它們的改進均是基於傳統零矢量狀態與直通零矢量狀態對負載具有相同的作用效果。在傳統脈寬調製PWM基礎上,利用直通零矢量狀態替代部分或全部的傳統零矢量狀態。簡單升壓調製實現簡單,但開關電壓應力大,使得在某些場合受限於開關器件的電壓應力等級,不能滿足輸出電壓大小的要求。最大升壓調製克服了簡單升壓調製里開關應力大的難題,但直通占空比的變化為逆變器引入了6倍基波頻率的脈動,加大了Z源網路電感、電容的設計難度。最大恆定升壓調製綜合了這兩種調製策略的優點,在保持直通占空比恆定不變的同時,減小開關電壓應力。三次諧波注入升壓調製更是擴大了調製係數M的工作範圍,從而增大系統的工作區域範圍。從空間矢量脈寬調製角度出發,直通分段SVPWM具有寬範圍的調製係數M、高升壓能力、低開關損耗等優點。文獻「34]中,Z源逆變器的簡單升壓調製策略使用的是正弦載波,可獲得更高的輸出電壓。這為Z源逆變器的調製方法開拓了一種新的思考方向。
三次諧波注入升壓與直通分段SVPWM均擴大了調製係數M的工作範圍,增大了Z源逆變器的工作區域。當調製係數M一定時,最大升壓與直通分段SVPWM的升壓因子B、增益因子G最大,最大恆定升壓與三次諧波注入次之,簡單升壓的最小。當Z源逆變器的增益因子G一定時,簡單升壓的開關電壓應力Vs最大,最大恆定升壓與三次諧波注入次之,最大升壓與直通分段SVPWM的最小。4種SPWM調製策略均為三相直通方式,開關電流應力(直通狀態下,流過逆變橋開關管的電流)小,但開關頻率加倍,損耗增加。但是,一個開關周期內只實現2次直通,Z源阻抗網路的電感電流與電容電壓脈動次數較少。而直通分段SVPWM為單相直通方式,是在開關管換流時刻插入直通零矢量,故開關頻率保持不變。且一個開關周期內實現6次直通,Z源阻抗網路的電感電流與電容電壓脈動6次,有利於減小電容電壓紋波、電感電流紋波,從而減小電容值與電感值。但是,單相直通會導致開關電流應力較大。綜上所述,直通分段SVPWM具有更為優良的綜合性能。
