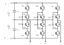
中點鉗位三電平逆變器的拓撲結構
圖1為中點鉗位三電平逆變器的拓撲結構。
圖1 中點鉗位三電平逆變器的拓撲結構該拓撲結構包括兩個串聯的電容C,C,兩電容之間的點稱為中點Z,因此中點鉗位型逆變器也被稱作二極體鉗位逆變器;每一相包含四組IGBT/Diode(絕緣柵門極晶閘管/二極體)T、T、T和T;兩個鉗位二極體D和D(x=a,b,和c)。
根據拓撲結構可以看出來,中點鉗位三電平逆變器的一個很重要的問題就是:中點電壓平衡問題。理想的情況下,直流電容C,C的電壓均為 E( E為直流電壓源 V的1/2),但是流過中點Z的電流對電容充電或者放電,加之電容保持電壓的能力有限,會導致電容C,C的電壓發生變化。工況惡劣時,會導致上下兩電容電壓差過大,輸出電壓電流波形畸變,甚至損壞功率半導體器件 。
中點鉗位三電平逆變器的工作原理
為了獲得三電平,每一相的四組開關(IGBT/Diode)只能有相鄰的兩組開關同時導通,即T-T,T-T,或者T-T。用字母P,O和N表示三組開關的狀態。開關狀態如表1所示。為了儘可能地減小開關損耗,一次開關狀態的改變只允許一個開關進行動作,即P↔O和O↔N。開關T和開關T狀態為互補關係,開關T和開關T狀態為互補關係,要避免出現多個開關同時導通現象,否則會發生短路,燒毀元器件。
| 開關狀態\\器件序號 | T | T | T | T | 輸出電壓V |
| P | 導通 | 導通 | 關斷 | 關斷 | V/2 |
| O | 關斷 | 導通 | 導通 | 關斷 | 0 |
| N | 關斷 | 關斷 | 導通 | 導通 | -V/2 |
圖2當iph大於0時,狀態P→O的換流示意圖三電平NPC逆變器的工作狀態是指開關狀態和負載電流,由於拓撲結構的對稱性,本文只分析P→O開關狀態。根據負載電流的方向不同,又可以分為i>0和i<0兩種情況。
為了更清晰、明確的進行分析,先做如下假設:
①所有器件均為理想器件,不考慮死區時間和中點電壓不平衡問題;
②開關狀態改變時,i電流方向不改變。
當i>0時,狀態P→O的換流示意圖如圖2(a)和(b)。
P狀態時,開關T和T導通,T和T關斷。電流i流過T和T的兩個IGBT。輸出端相對於中點V的電壓為v/2。
O狀態時,開關T和T導通,T和T關斷。由於開關T突然關斷,電流i從T的IGBT強制換流到鉗位二極體D,仍然通過T的IGBT流到輸出端。此時V電壓為0。
圖3當iph小於0時,狀態P→O的換流示意圖當i<0時,狀態P→O的換流示意圖如圖3(a)和(b)。
P狀態時,開關T和T導通,T和T關斷。電流i流過和的兩個二極體。輸出端相對於中點V的電壓為v/2。
O狀態時,開關T和T導通,T和T關斷。由於開關T突然關斷,T的二極體承受反向壓降不能導通,電流i從T的二極體強制換流到鉗位二極體D。
此時電壓V為0。
三電平NPC 逆變器其他工況下的工作原理,均可以用上述方法分析,此處不再一一贅述 。
中點鉗位三電平逆變器的特性
可以將三電平NPC逆變器的優點總結如下:
①在換流過程中,每個功率半導體器件所承受的電壓均為 E(v/2)。這有助於逆變器電壓等級和功率等級的提高,在元器件的選擇方面也會留有更大的餘地;
②由於三電平NPC逆變器輸出線電壓、相電壓波形的階梯均多餘傳統兩電平逆變器,因此有著較低的諧波畸變率(TotalHarmonicDistortion,THD);
③在直流側電壓相同,相電流相同的工況下,三電平NPC逆變器的開關損耗約為傳統兩電平逆變器的1/2(將在後面的章節進行論述),較小的開關損耗允許適當地增大開關頻率,進一步減小諧波。
同時,由於三電平NPC逆變器的拓撲結構的限制,其也具有一些缺點:
①功率半導體器件較多,單相橋臂有四組IGBT/續流二極體,並且比兩電平逆變器多出兩個鉗位二極體。元器件的增加,為驅動電路和控制電路的設計帶來了麻煩;
②直流側兩個電容存在中點電壓平衡問題,有可能造成輸出電壓的畸變,甚至損壞元器件;
③功率半導體器件的增多,導致各個器件的損耗和結溫不同(將在後面的章節進行論述),對散熱系統的設計更為複雜 。
三電平NPC 逆變器的PWM 控制方法
三電平NPC逆變器的DC側電流紋波分析與損耗的計算,都是根據逆變器所採用的特定的調製方法來進行的。因此,對三電平NPC逆變器調製方法原理的分析及仿真,是進行DC側電流紋波分析與損耗計算的前提。
自多電平逆變器誕生以來,其相應的PWM控制技術就一直是其研究的重點內容。傳統兩電平逆變器的PWM控制方法經過幾十年的發展,已經較為成熟,而多電平逆變器因其拓撲結構較為複雜、元器件較多等特點的限制,在控制方法上也更為複雜。
多電平PWM控制方法的研究主要是圍繞著兩個核心問題展開的:
一是輸出電壓波形的控制,即逆變器輸出電壓脈衝與調製波等效;
二是逆變器自身運行狀態的控制,包括中點電壓平衡,輸出電壓、電流諧波的控制,功率開關器件的損耗分配控制等。設計合理的PWM控制方法,對於三電平NPC逆變器抑制中點電壓不平衡問題尤為重要 。
較為常見的多電平PWM控制方法分為:基於載波的PWM控制方法和空間矢量PWM控制方法。
(1)正弦脈寬調製方法(SPWM)
圖4 三電平NPC 逆變器基於反相載波的SPWM 控制示意圖多電平逆變器的基於載波PWM控制方法一般採用載波層疊的形式。多電平載波層疊PWM控制方法與傳統兩電平PWM控制方式類似。對於 m電平逆變器來說,採用( m-1)層相同幅值和頻率的三角形載波,分為上下兩層,與調製波進行比較,產生開關序列,控制功率開關器件的導通和關斷,從而輸出想要得到的波形。
對於三電平NPC逆變器來說,可以採用兩層載波。按照上下兩層載波的相位關係,可以分為反相載波層疊法和同相載波層疊法。
(2)反相載波層疊法
圖5 三電平NPC 逆變器基於同相載波的SPWM 控制示意圖反相載波層疊法中,上下兩層載波相位相差180°,如圖4所示。圖中,藍色正弦波為正弦調製波,與上下兩組載波進行比較;黑色脈衝序列為交流輸出端(以A相為例)與DC側中點之間的電壓u。
(3)同相載波層疊法
與反相載波層疊法相對應,同相載波層疊法的上下兩組載波的相位完全相同,如圖5所示。
圖6 三電平NPC 逆變器基於三次諧波注入PWM 控制示意圖(4)三次諧波注入脈寬調製方法
對於沒有中線的三相對稱負載的逆變器系統,在輸出電壓中注入三的倍數次諧波或直流分量時候,對負載電壓波形不會產生影響。因此,可以對正弦調製波注入合適的零序分量,從而達到相應的目的。為了提高直流母線電壓利用率,可以採用三次諧波注入PWM控制方法,如圖6所示 。
