特 點
1. 電源電壓低至1.8 V
2. 低交越失真
3. 低靜態電流
4. 橋接或立體聲電路結構
引腳定義
| 引腳序號 | 中文名稱 | 英文名稱 | TDA2822M 引腳排列 |
| 1 | 輸出(1) | Output (1) | |
| 2 | 電源 | Supply voltage | |
| 3 | 輸出(2) | Output (2) | |
| 4 | 地 | Ground | |
| 5 | 反向輸入(2) | Input –(2) | |
| 6 | 正向輸入(2) | Input+(2) | |
| 7 | 正向輸入(1) | Input+(1) | |
| 8 | 反向輸入(1) | Input–(1) |
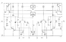
內部電路圖
TDA2822M 內部電路圖右圖是 TDA2822M 的內部電路圖。
極限參數
極限電源電壓:15 V
峰值輸出電流:1 A
極限總耗散功率:1 W(環境溫度 = 50 °C);1.4 W(表面溫度 = 50 °C)
極限貯存溫度,極限結溫:– 40°C;+ 150°C
熱參數
結–環境熱阻(最大值):100°C/W
結–管腳4熱阻(最大值):70°C/W
電特性
立體聲
見測試電路 1。
電源電壓 = 6 V,環境溫度 = 25 °C,其他註明的條件除外
| 符號 | 參數 | 測試條件 | 最小值 | 典型值 | 最大值 | 單位 |
| V | 電源電壓 | 1.8 | 15 | V | ||
| V | 靜態輸出電壓 | 電源電壓 = 3 V | 2.7 1.2 | V V | ||
| I | 靜態電流 | 6 | 9 | mA | ||
| P | 輸出功率(每通道) (頻率 = 1 kHz 失真 = 10 %) | 負載阻抗 = 32 Ω 電源電壓 = 9 V 負載阻抗 = 32 Ω 電源電壓 = 6 V 負載阻抗 = 32 Ω 電源電壓 = 4.5 V 負載阻抗 = 32 Ω 電源電壓 = 3 V 負載阻抗 = 32 Ω 電源電壓 = 2 V 負載阻抗 = 16 Ω 電源電壓 = 6 V 負載阻抗 = 8 Ω 電源電壓 = 9 V 負載阻抗 = 8 Ω 電源電壓 = 6 V 負載阻抗 = 4 Ω 電源電壓 = 6 V 負載阻抗 = 4 Ω 電源電壓 = 4.5 V 負載阻抗 = 4 Ω 電源電壓 = 3 V | 90 15 170 300 450 | 300 120 60 20 5 220 1000 380 650 320 110 | mW | |
| d | 失真(頻率 = 1 kHz) | 負載阻抗 = 32 Ω 輸出功率 = 40 mW 負載阻抗 = 16 Ω 輸出功率 = 75 mW 負載阻抗 = 8 Ω 輸出功率 = 150 mW | 0.2 0.2 0.2 | % % % | ||
| G | 閉環電壓增益 | 頻率 = 1 kHz | 36 | 39 | 41 | dB |
| ΔG | 通道平衡 | ± 1 | dB | |||
| R | 輸入阻抗 | 頻率 = 1 kHz | 100 | kΩ | ||
| e | 總輸入噪聲 | 信號源阻抗 = 10 kΩ 頻寬 = A 加權 信號源阻抗 = 10 kΩ 頻寬 = 22 Hz 至 22 kHz | 2 2.5 | μV μV | ||
| SVR | 電源電壓抑制 | 頻率 = 100 Hz,C1 = C2 = 100μF | 24 | 30 | dB | |
| C | 通道分離度 | 頻率 = 1 kHz | 50 | dB |
橋接
見測試電路 2。
電源電壓 = 6 V,環境溫度 = 25 °C,其他註明的條件除外
| 符號 | 參數 | 測試條件 | 最小值 | 典型值 | 最大值 | 單位 |
| V | 電源電壓 | 1.8 | 15 | V | ||
| I | 靜態電流 | 6 | 9 | mA | ||
| V | 輸出失調電壓 (兩輸出引腳之間) | 負載阻抗 =8 Ω | ± 50 | mV | ||
| P | 輸出功率 (頻率 = 1 kHz 失真 = 10 %) | 負載阻抗 = 32 Ω 電源電壓 = 9 V 負載阻抗 = 32 Ω 電源電壓 = 6 V 負載阻抗 = 32 Ω 電源電壓 = 4.5 V 負載阻抗 = 32 Ω 電源電壓 = 3 V 負載阻抗 = 32 Ω 電源電壓 = 2 V 負載阻抗 = 16 Ω 電源電壓 = 9 V 負載阻抗 = 16 Ω 電源電壓 = 6 V 負載阻抗 = 16 Ω 電源電壓 = 3 V 負載阻抗 = 8 Ω 電源電壓 = 6 V 負載阻抗 = 8 Ω 電源電壓 = 4.5 V 負載阻抗 = 8 Ω 電源電壓 = 3 V 負載阻抗 = 4 Ω 電源電壓 = 4.5 V 負載阻抗 = 4 Ω 電源電壓 = 3 V 負載阻抗 = 4 Ω 電源電壓 = 2 V | 320 50 900 200 | 1000 400 200 65 8 2000 800 120 1350 700 220 1000 350 80 | mW | |
| d | 失真(頻率 = 1 kHz) | 負載阻抗 = 8 Ω 輸出功率 = 500 mW | 0.2 | % | ||
| G | 閉環電壓增益 | 頻率 = 1 kHz | 36 | 39 | 41 | dB |
| R | 輸入阻抗 | 頻率 = 1 kHz | 100 | kΩ | ||
| e | 總輸入噪聲 | 信號源阻抗 = 10 kΩ 頻寬 = A 加權 信號源阻抗 = 10 kΩ 頻寬 = 22 Hz 至 22 kHz | 2 2.5 | μV μV | ||
| SVR | 電源電壓抑制 | 頻率 = 100 Hz,C1 = C2 = 100μF | 24 | 30 | dB |
測試電路圖
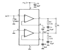
測試電路 1測試電路圖 1
(如右圖)
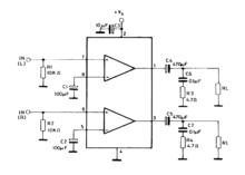
測試電路 2測試電路圖 2
(如右圖)
替換型號
除了 ST 的 TDA2822M 外,台灣友順的 YW-UTC2822D 也是不錯的選擇, YW-UTC2822D 的封裝與 TDA2822M 相同,基本參數也完全相同。

TDA2822M 引腳排列 