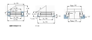
SKF53320軸承尺寸參數型號:53320軸承品牌:SKF軸承系列:推力球軸承,單向,帶球面軸承座墊圈SKF53320軸承用途可以用於:水切割機,醫護輔助設備,瓦片機械,裹包機械,驗布機,真空吸盤,飼料加工設備,管式反應器,鉚接設備,封閉式冷卻塔,水轉印設備,電器,腳踏焊機,橡膠貼合機,塑膠編織機,等等用途。SKF53320軸承樣本圖片SKF 53320軸承樣本圖